diy-hifi-forum.eu
Vorschlag zu einer Frequenzweichenentwicklungsanleitung für eine Mehrwegebox - Druckversion

+- diy-hifi-forum.eu (https://diy-hifi-forum.eu)
+-- Forum: Archiv (https://diy-hifi-forum.eu/forumdisplay.php?fid=198)
+--- Forum: Lautsprecher (https://diy-hifi-forum.eu/forumdisplay.php?fid=5)
+---- Forum: Allgemeine Themen (https://diy-hifi-forum.eu/forumdisplay.php?fid=22)
+---- Thema: Vorschlag zu einer Frequenzweichenentwicklungsanleitung für eine Mehrwegebox (/showthread.php?tid=10611)

Seiten: 1 2 3 4 5


Vorschlag zu einer Frequenzweichenentwicklungsanleitung für eine Mehrwegebox - tiefton - 14.11.2015

Ich bin da bei dir, lass uns das mal igdh intern versuchen, ich denke ein How to sollte machbar seon, wir haben da glaube ich ähnliche Vorstellungen. ...


Vorschlag zu einer Frequenzweichenentwicklungsanleitung für eine Mehrwegebox - holly65_MKII - 14.11.2015

Moin Alexander,

Alexander schrieb:Ja, so kann man das machen ...
ich schrieb aber auch:
Zitat:Edith meint das ich hier noch erwähnen sollte das ich direkte Weichenentwicklung meine - also nicht mittels Simu Programmen.
Xover ist mMn ein klasse Programm.:prost:

Ich habs halt noch auf die "alte" Weise gelernt und habe subjektiv den Eindruck
das ich mit der Direktentwicklung z.T. schneller bin und ich kann mir das sofort anhören.Smile
Nachteil ist natürlich das man viele Bauteil Werte vorhalten muß.
Durch meine einstellbaren Spulen (Spulen sind der imho teure Teil) ist das aber halb so wild.

Bei einem "how to" Weichenentwicklung ist es mMn so das es sehr umfangreich werden kann wenn man alle Eventualitäten / Chassis / Konzepte / etc. abdecken möchte.

Zum Beispiel echtes Bändchen (mit Übertrager) messe ich immer mit einem (großen) Vorkondensator damit das Bändchen durch tieffrequente Signale nicht beschädigt wird.
Man kann da wohl auch mit einem bandbegrenzten Signal messen......

LG

Karsten


Vorschlag zu einer Frequenzweichenentwicklungsanleitung für eine Mehrwegebox - SNT - 14.11.2015

tiefton schrieb:Ich bin da bei dir, lass uns das mal igdh intern versuchen, ich denke ein How to sollte machbar seon, wir haben da glaube ich ähnliche Vorstellungen. ...

Prima! Dann schaun mer mal. Unabhängig davon werde ich mich auch schon mal versuchen...


Vorschlag zu einer Frequenzweichenentwicklungsanleitung für eine Mehrwegebox - Kripston - 14.11.2015

Hallo Sven,
not0815 schrieb:Des weiteren führte eine Anpassung des Pegelverlaufs und der Trennfrequenz unter Beibehaltung der 2. Ordnung zu noch ungünstigen Phasenlage. Eine saubere Addition von TT und MT wäre daher im gegebenen Beispiel bei einem Filterdesign 2.Ord. nicht möglich im Gegensatz zur Weiche akustsisch 4.Ordnung. Die Kombinationsmöglichkeiten aus chassiseigenen Hochpass und elektrischen Filter sind halt für eine bestimmte gesuchte Gesamtfunktion stets begrenzt. Der Aufwand im Tieftonzweig folgt zwingend dem Mitteltonzweig. Eine einfachere Beschaltung des Tieftonzweiges, egal ob nun eine Reduktion der Filterordnung oder ein Entfallen der Impedanzlinearisierung, hätte ebenfalls ein deutlich schlechteres Gesamtverhalten ergeben.

Die weitverbreitete Vorliebe für einfache Weichen und die Phobie gegen zu viele Bauteile in der Weiche kann ich nicht nachvollziehen. Was nötig ist, die Performance zu verbessern wird gemacht, ein oder zwei Bauteile mehr schaden dem Klang mit Sicherheit weniger als stattdessen faule Kompromisse bei der Abstimmung einzugehen.
Volle Zustimmung, insbesondere der Hinweis auf akustische Filterflanken ist wichtig. Nur wenn die akustischen Filterflanken dem gewählten Filtertyp entsprechen, stellen sich auch die diesbezüglichen Eigenschaften ein.
Wie du ganz richtig in dem Beitrag auf deiner HP schreibst, kann man mit den beliebten elektrischen 12 dB Filtern so gut wie nie definierte akustische Filterflanken erreichen, mit elektrischen 6db Sparweichen schon garnicht, da die Treiber selbst an den Übertragungsenden schon Filtereigenschaften haben, die man aber berücksichtigen muss.

Gruß
Peter Krips


Vorschlag zu einer Frequenzweichenentwicklungsanleitung für eine Mehrwegebox - Kripston - 14.11.2015

Hallo Männers,
dann macht mal....

Ich möchte dennoch vorsichtig anmerken, dass Weichenentwicklung ein wenig komplizierter ist, als:

"12 dB Filter elektrisch mit Schnittpunkt -6 dB unter Summe bei "opimaler Phasenlage" , und wenn die Summe auf Achse glatt ist, ist Alles im Lot"

Gruß
Peter Krips


Vorschlag zu einer Frequenzweichenentwicklungsanleitung für eine Mehrwegebox - tiefton - 14.11.2015

Es geht nicht um eine komplette Abhandlung, sondern um erste Schritte. .. die habt ihr doch alle wieder vergessen über die Jahre. ...[emoji6]


Vorschlag zu einer Frequenzweichenentwicklungsanleitung für eine Mehrwegebox - Gabrie - 14.11.2015

:dance: Und der Anfang sind 2-WEGE-LS :dance:


Vorschlag zu einer Frequenzweichenentwicklungsanleitung für eine Mehrwegebox - tiefton - 14.11.2015

Ja, nachdem es das breitis entzerren von tom /Gazza hier ja auch schon gibt.


Vorschlag zu einer Frequenzweichenentwicklungsanleitung für eine Mehrwegebox - SNT - 14.11.2015

Kripston schrieb:Hallo Männers,
dann macht mal....

Ich möchte dennoch vorsichtig anmerken, dass Weichenentwicklung ein wenig komplizierter ist, als:

"12 dB Filter elektrisch mit Schnittpunkt -6 dB unter Summe bei "opimaler Phasenlage" , und wenn die Summe auf Achse glatt ist, ist Alles im Lot"

Gruß
Peter Krips


Hallo Peter,

die Frequenzweichenentwicklung ist so kompliziert, wie man sie sich eben macht. Summe auf Achse im Lot ist schon mal imho bestens, wenn man bedenkt, das das schon ansprichsvoll genug sein kann. Wenn ich mir die Frequenzgänge der K&T oder Stereoplay so ansehe, da sehe ich selten eine Linearität von -+3dB, ganz im Gegenteil wird dieser 'Fehler' häufig noch mit 'charakterlichen Eigenschaften' gerechtfertigt. Möglicherweise ist eine geeignete Chassisauswahl sogar entscheidener als das bisschen Welligkeit. Ich persönlich geb zu, dass ich mal einen verpolten Hochtöner nicht herausgehört habe, obwohl ich durchaus in der Lage bin zu hören ob eine Box 'gut' ist oder nicht. Dazu muß ich aber gestehen, dass ich vielleicht noch kein besonders geschultes Ohr habe aber wie gesagt hinhören kann ich auch. Die Messtechnik zeigte einen massiven und auch verhältnismäßig breitbandigen Einbruch bei der Trennfrequenz.

Ihr Profis seht das verständlicherweise viel kritischer (diverse Zeitschriften sind auch schliesslich nicht das Maß aller Dinge) Es wäre prima, wenn Ihr Euch ein bisschen einmischt und eine 'Anleitung' schon während der Entstehung kritisch kommentiert. Das würde ich mir wünschen.

Gruß von Sven


Vorschlag zu einer Frequenzweichenentwicklungsanleitung für eine Mehrwegebox - Kripston - 14.11.2015

Hallo Sven,
SNT schrieb:Hallo Peter,

die Frequenzweichenentwicklung ist so kompliziert, wie man sie sich eben macht. Summe auf Achse im Lot ist schon mal imho bestens, wenn man bedenkt, das das schon ansprichsvoll genug sein kann.
Der Achsenfrequenzgang ist ein Baustein zu einem guten Lautsprecher, leider aber noch nicht ausreichend.
In dem Vortrag hier von Floyd Toole kann man lernen, worauf es bei einem guten Lautsprecher ankommt:
https://www.youtube.com/watch?v=zrpUDuUtxPM

Das hat in einem anderen Forum mal jemand komprimiert auf Deutsch zusammengefasst:

Zitat Anfang:
"Gestern schaute ich es mal durch, es war nett, einem älteren, sympathischen Menschen zuzhören, der wohl wirklich viel Erfahrung hat.

Nicht vollständig, aber so einige Punkte, die wichtig sind:
-gerader Frequenzgang auf Achse
-gutes Rundstrahlverhalten (Messung unter allen Winkeln) mit geradem Bündelungsmaß (keine Sprünge darin)
-die Bassqualität ist wichtig (entscheidet zu 30% über die wahrgenommene Gesamtqualität)

Messungen sind nicht 1/3 oktav, sondern 1/20 oktav zu machen, alles andere sei zu ungenau. An Buckeln oder Dellen, die sich auf Achse, als auch unter Winkeln wiederfinden, sind störende Resonanzen zu erkennen.

Hörtests sind stets als (Doppel-) Blindtests zu machen.
Gute Boxen sind in gleich welchem Raum gut, oder andersherum: die, die gut gemacht sind (Abstrahlverhalten), werden in egal welchem Raum als beste beurteilt.

Am Anfang war die Erläuterung, wie sich im Raum das Schallereignis zusammensetzt:
-direkter Schall
-erste Reflektionen
-späterer Nachhall
daran hergeleitet/gezeigt, wie sich anhand der Abstrahlcharakteristik die zu erwartende Qualität vorhersagen lässt.

Für mich interessant: er sagt, die Qualität eines Lautsprechers lasse sich sehr gut (oder besser) in mono beurteilen, weshalb sie auch Lautsprecher in unterschiedlichen Räumen nur mit einer Box pro Typ (in großen Messreihen) beurteilt haben.

Stimme eine Box in mono gut, funktioniere sie auch automatisch in stereo gut. Kein Ablenken durch Räumlichkeit, Tiefe, etc.

Lautsprechertester aus Zeitschriften kamen bei den Blindtests schlecht weg.

In kurz mit großen Lücken.

Viele Grüße
Joschi"
Zitat Ende

Auch in einem weiteren Forum war das schon Thema:
http://www.hififorum.at/showpost.php?p=293961&postcount=150
Da hat sich Sean Olive sogar die messtechnischen Kriterien, mit denen die Qualität eines Lautsprechers feststellbar ist, patentieren lassen....
In dem Thread ab Seite 10, Post 150 wird das noch ein wenig ausführlicher besprochen.

Zitat:Wenn ich mir die Frequenzgänge der K&T oder Stereoplay so ansehe, da sehe ich selten eine Linearität von -+3dB, ganz im Gegenteil wird dieser 'Fehler' häufig noch mit 'charakterlichen Eigenschaften' gerechtfertigt.
Da kommen wir an die grundsätzliche Frage, was ein Lautsprecher eigentlich soll ?
- Soll er den Tonträgerinhalt interpretieren ("charakterliche Eigenschaften")
- Oder soll er den Tonträgerinhalt möglichst neutral reproduzieren ?

Zitat:Möglicherweise ist eine geeignete Chassisauswahl sogar entscheidener als das bisschen Welligkeit.
Auch wenn das vielen nicht schmecken wird:
Treiberqualitäten sind zwar nicht völlig unwichtig, aber in manchen Kreisen deutlich überbewertet.
Klangentscheidend ist das Konzept und die Weichenauslegung.

Zitat:Ihr Profis seht das verständlicherweise viel kritischer (diverse Zeitschriften sind auch schliesslich nicht das Maß aller Dinge)
"Profis" ist ein wenig dick aufgetragen, mit "fortgeschrittener Amateur" könnte ich persönlich leben....

Zitat:Es wäre prima, wenn Ihr Euch ein bisschen einmischt und eine 'Anleitung' schon während der Entstehung kritisch kommentiert. Das würde ich mir wünschen.
Nur besteht dann die Gefahr, dass durch viele Kommentare oder Einwände der eigentliche Leitfaden zerfleddert und nie fertig wird.

Vielleicht fahren wir besser, wenn man zunächst einen Leitfaden "light" macht und von fortgeschrittenen DIYlern dann ein ausführlicherer Leitfaden veröffentliche wird, für Diejenigen, die es ganz ganz genau machen wollen.

Machen wir uns doch nichts vor: Klassische 170/25er Zweiweger, die sich für den Anfänger auch weichentechnisch anbieten, werden seltenst nach den Toole/Olive-Kriterien gute Lautsprecher werden. Erst mit Schallführungen zur Modellierung des Abstrahlverhaltens geht dann was.
Unter Berücksichtigung der Kriterien braucht man dann schon drei Wege, das ist dann aber kein wirkliches Anfängerprojekt mehr.

Kurz gesagt:
Zweigleisig fahren
- Ein Einsteigerleitfaden und ein
- Fortgeschrittenenleitfaden (oder mehrere, da es auch mehrere Strategien zur Weichenentwicklung gibt).

Gruß
Peter Krips


Vorschlag zu einer Frequenzweichenentwicklungsanleitung für eine Mehrwegebox - SNT - 14.11.2015

Hallo Peter,

Hab ich das richtig verstanden, dass die Winkelmodellierung bei einer Dreiwegebox grundsätzlich einfacher ist? Dann wäre vielleicht sogar eine Dreiwegebox als Anfängerprojekt geeigneter? Angenommen man wählt die Chassis und Arbeitsfrequenzen, so dass unter 30 Grad kaum ein Pegelabfall zu verzeichnen wäre. Dann wäre natürlich eine Modellierung weniger notwendig und man würde grundsätzlich mal den Lautsprechern weniger abverlangen.

Genauso wäre eine kleine Zweiwegebox mit z.B einem 13 er Bass und einem sehr tief ankoppelbaren Hochtöner eine Möglichkeit für eine Vereinfachung der Sache Winkelmodellierung. So wie ich den Begriff verstehe, ist es hier das Ziel unter Winkel möglichst gleichmäßigen und störungsfreien möglichst auch geringen Pegelabfall zu realisieren oder täusche ich mich da?

Die Methodik für die Frequenweichenentwicklung Mitteltöner/ Hochtöner ist möglicherweise sehr ähnlich zu Bass/Miiteltöner, so dass außer zusätzlichem Zeitaufwand die Schwierigkeiten vielleicht nicht in den Himmel wachsen lassen. Sagen wir mal so: Ein Anfänger mit Messequipment wird es wohl eher schaffen ne vernünftige Dreiwegbox zu entwickeln, als einen gut winkelnden Zweiwegler mit Bassanspruch, also mit einem großen Bass.

Was meinst Du?


Vorschlag zu einer Frequenzweichenentwicklungsanleitung für eine Mehrwegebox - Franky - 14.11.2015

Es gibt eine Vielzahl von Möglichkeiten einer Chassiskombination weichentechnisch beizukommen. Ich habe füher einfach mal Weichenschaltungen unterschiedlicher Boxen und Konstrukteure an einem Musteraufbau ausprobiert. Es ging mir einfach nur darum zu erkennen was die Weichenschaltungen machen, wie sich Änderungen von Bauteilwerten auswirken usw. Wie wirken Saugkreise und Sperrkreise und was macht eine Impedanzlinearisierung und wie dreht die an der Phase usw. Heute kann man das ja viel einfacher mit Simuprogrammen austesten.


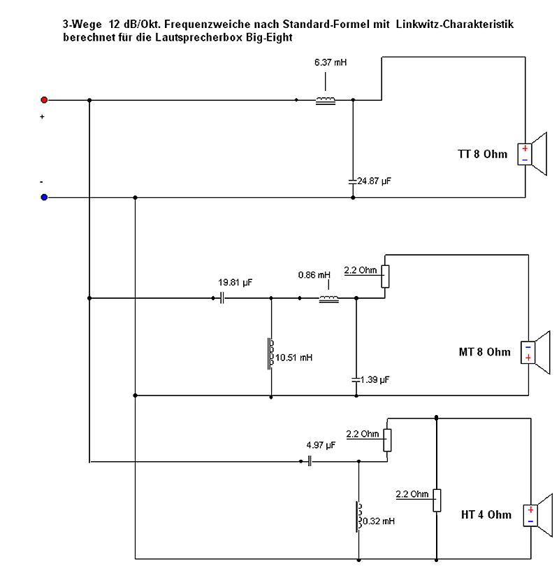
Vorschlag zu einer Frequenzweichenentwicklungsanleitung für eine Mehrwegebox - Grasso - 14.11.2015

So sah der erste Entwurf von Not0815s Big-Eight aus:
[Bild: big8_Plan_std_link_8-4R.jpg]

[Bild: big8_freq_std_link_real_sum_k.jpg]
Da addieren sich alle Treiber perfekt auf Achse, die Summe bleibt innerhalb +-2dB, und die Phase innerhalb 3Pi. Nur ist die untere Trennfrequenz etwas zu hoch, was man aber beheben kann, nachdem man dem Mitteltöner rückseitig mehr Luft gegeben hat, damit seine untere Resonanz nicht dazwischenfunkt.
Doch Not0815 blieb dort stehen:
[Bild: big8_sp.jpg]
[Bild: big8_freq_over_all_k.jpg]
Das ist für mich ein wahrscheinlich verhältnismäßig konfus und basslastig klingendes Bauteilgrab mit niedriger Wechselspannungsempfindlichkeit.

Für eine gute Frequenzweiche muß man alles im Blick haben:

Zuerst Signaltheorie: Funktion, Welle, Frequenz, Pegel, Phase und Gruppenlaufzeit, Filter erster Ordnung, zweiter Ordnung und zusammengesetzte Filter (höhere Ordnungen und Allpässe). Klirr, Intermodulation.

Dann Psychoakustik: Welche Schallpegel bei welchen Frequenzen für Nacht-, Zimmer- und Konzertlautstärke mit welchen Vorgaben für nichtlineare Verzerrungen und für das Zeitverhalten einschließlich Vor-, Mit- und Nachhörschwellen und spatialem Hören, also Stereo und Surround.

Wellenausbreitung: Wellen in Festkörpern, Flüssigkeiten und Gasen. Wellenlänge, Kugel- und ebene Wellen. Raumakustik, Schallwände, Trichter.

Und Wellenentstehung: Treiber.


Vorschlag zu einer Frequenzweichenentwicklungsanleitung für eine Mehrwegebox - tiefton - 15.11.2015

Wobei ein ht in wave Kenntnisse über Bündelung und Energieverhalten braucht.
Ich denke, wenn wir da ganz banal anfangen, ist genug zu tun.
Besonders weil es da ja genug Stoff gibt.
Wäre Zeit für eine igdh demo box...


Vorschlag zu einer Frequenzweichenentwicklungsanleitung für eine Mehrwegebox - SNT - 15.11.2015

Morgen zusammen,

da haben wir ja schon einige prima Vorschläge.

@Olli: Was Du ansprichst betrifft die Auswahl geeignetet Chassis. Das allein wäre schon mal ein geeignetes Kapitel, zu dem man bestimmt so einige Tipps und Empfehlungen geben kann.

Natürlich würde ein Leitfaden an Hand einer Beispielbox erklärt. Können wir uns hier schon auf einen Zwei oder Dreiwegler einigen?

_________________________

Besonders interessant wäre es, wenn sich dieser Thread in die Richtung bewegen würde, in dem Post für Post eine komplette Entwicklung an Hand eines Beispiels dargestellt würde. Wir fangen hier also mal an erst mal zu diskutieren ob wir hier ein Zweiwegsystem oder ein Dreiwegsystem entwickeln. Zur Entscheidung können wir nach einer gewissen Diskussionszeit einfach abstimmen, anschliessend gehen wir das nächste Thema an, z.B Treiberauswahl usw. Interessierte Leser können auf diese Weise den gesamten Entwicklungszyklus und die Hintergründe begreifen. Wäre das vielleicht ein sinnvoller ,gangbarer Weg?

Gruß von Sven


Vorschlag zu einer Frequenzweichenentwicklungsanleitung für eine Mehrwegebox - Gabrie - 15.11.2015

Aber bitte was vernünftiges: 7" oder 8" TMT(wobei 8" auch eine kleine Herausforderung wäre), damit da auch mal etwas laut geht! :o Ich kann vor lauter PC-Hupen im Keller kaum noch
"bauen!" Ich hab die kleinen Wohltöner mit WAF(3" - 5" TMT) ja so satt! :o
Herzlichen Gruß Gabriel


Vorschlag zu einer Frequenzweichenentwicklungsanleitung für eine Mehrwegebox - tiefton - 15.11.2015

Eine Demobox sollte etwas mit allerwelts Chassis sein, es bieten sich ja viele an.
Ich werde mal bei unseren koops nachfragen, ob sich da nicht etwas realisieren lässt.
@gabriel.
Es geht ja um die Demo, ob da am ende ne box raus kommt...?


Vorschlag zu einer Frequenzweichenentwicklungsanleitung für eine Mehrwegebox - Tobias - 15.11.2015

Morgen,
Ob es direkt an einer box festzumachen ist?
Wenn dann was ala visaton alto II.
Vielleicht auch was wo 3 verschiedene TT behandelt werden. Z.B. ein weicher PP, ein Papier/gfk etc. und was richtig hartes mit vielen resos oberhalb des Nutzbereiches ( seas AL war glaub so ein Kandidat)
An LarsNl sieht man schön die erste große Hürde.
Ich bin am anfang auch fast verzweifelt. 2 (fast)gleiche messungen hinzukriegen ist schon schwierig wenn man den ganzen Aufbau dazwischen abbaut.


Vorschlag zu einer Frequenzweichenentwicklungsanleitung für eine Mehrwegebox - rst1 - 15.11.2015

Moin,
am Ende könnte (sollte) natürlich irgendwie eine fertige Box stehen, klar, auf irgendwas arbeitet man da ja hin..
Aber eine der allerersten Hürden, nach der groben Form der Box (Stand oder Ständer) steht ja die Chassisauswahl. Und das stellt einen schon vor grosse Hürden. Ihr "fortgeschrittenen Amateure" habt das im Gefühl was passt, wir Anfänger tun uns da eher schwer.
Ich würde mir daher in verständlichen Worten, keine wissenschaftliche Abhandlung, wünschen zu erfahren warum genau diese Chassis gewählt wurden, nach welchen Parametern ich schauen muss wenn ich auf Webseiten Datenblätter studiere, welche Parameter sind wichtig, welche kann ich ignorieren, was sagt mir eine hohe Güte, was das Äquivalenzvolumen, wie interpretiere ich den Frequenzgang des TMT im Verhältnis zum HT so das die beiden zusammenpassen, etc.. Der Guide soll mir ja auch helfen was eigenes zu entwickeln, also das auf andere Lautsprecherchassis als bei der Demobox zu adaptieren.
Wenn ich diese Hürde genommen hab und die Chassis in eine Holzkiste eingebaut hab, dann kommt ja erst die Weiche und das messen.

Oder lieg ich da komplett falsch?


Vorschlag zu einer Frequenzweichenentwicklungsanleitung für eine Mehrwegebox - Peter Wind - 15.11.2015

@ Ralf

Du hast mir aus der Seele gesprochen... :prost:

Gruß
Peter