Themabewertung:
  • 2 Bewertung(en) - 4.5 im Durchschnitt
  • 1
  • 2
  • 3
  • 4
  • 5
Hypex UcD400-OEM
[quote=Tomax]Chris, warum hast du dich gegen das SMPS von Link1 entschieden?

Wenige Infos dazu findest du übrigens hier http://audiobits-hifi.blogspot.de/2017/0...audio.html


Den Link hatte ich nicht gefunden.

Warum ich mich dagegen entschieden habe ist recht einfach.

Nach dem Beitrag von Saarmichel habe ich nicht groß weiter geschaut und 2 von dem 600Watt SMPS geordert, als die in Deutschland verfügbar waren.
Beide haben unfefähr soviel gekostet wie eins von dem 800Watt SMPS - und da ich Monoblöcke aufbauen werde kam mir die Aussage von SM und der Preis sehr entgegen.
Es hat nichts mit der vermeindlichen Qualität des 800Watt SMPS zu tun - es kann durchaus sogar das bessere sein.
Zitieren

Hi,

ich hab mich auch mal ins UC400oem Abenteuer plus ebay SMPS gestürtzt. Zu dem Preis kann man wohl nicht meckern.

Ich habe meine SMPS noch nicht angeschlossen und nichts gemessen daran. Bei mir Leider null Doku dabei beim SMPS. Findet man da irgendwas irgendwo?

Nur um sicher zu gehen.
Eingangsseitig ist klar nur L + N Auflegen. PE ans Gehäuse.

Ausgangsseitig: sechs Klemmen ich nehme an 2 mal + 2 mal masse 2 mal -

Wozu ist die Kleine blaue Klemme? Das hab ich noch nicht raus. Ich vermute das ist der besagte Schutz??

Für Hilfe dankbar im Großen ich sein ;-)
Zitieren

wischem schrieb:Hi,

ich hab mich auch mal ins UC400oem Abenteuer plus ebay SMPS gestürtzt. Zu dem Preis kann man wohl nicht meckern.

Ich habe meine SMPS noch nicht angeschlossen und nichts gemessen daran. Bei mir Leider null Doku dabei beim SMPS. Findet man da irgendwas irgendwo?

Nur um sicher zu gehen.
Eingangsseitig ist klar nur L + N Auflegen. PE ans Gehäuse.

Ausgangsseitig: sechs Klemmen ich nehme an 2 mal + 2 mal masse 2 mal -

Wozu ist die Kleine blaue Klemme? Das hab ich noch nicht raus. Ich vermute das ist der besagte Schutz??

Für Hilfe dankbar im Großen ich sein ;-)


Richtig es sind immer 2Klemmen jeweils für + gnd und -
Zitieren

Hi sehe ich es richtig das an den kleinen blauen klemmen jeweils der Ausgang der hypex Module für die LS kommen also +

Gesendet von meinem Redmi Note 3 mit Tapatalk
Zitieren

Ja, sowas hatte ich mir auch zusammengereimt.
Verstehe als 0-1 Schubser die Schaltung dahinter leider nicht ganz.

"Misst" das einen Kurzschluß am Ausgang?
Zitieren

Ich meine Gleichspannung am Lautsprecher? Finde aber keine Doku dazu.

Gesendet von meinem Redmi Note 3 mit Tapatalk
Zitieren

Saarmichel schrieb:Hallo,

TIP2: Ideal als XLR- Kabel: https://www.thomann.de/de/sommer_cicada_sod14sw.htm

Durch die Masse-Beilauflitze kann man ganz einfach über das Kabel GND auf den Amp-ON Pin brücken.

Kann man nicht eh einfach die Schirmung "teilen" und damit die "An-Brücke" schlagen?
Das sollte mit jedem Kabel gehen. :-)
Zitieren

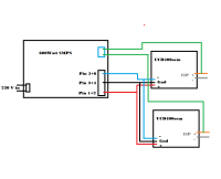
Ich habe mal einen "Anschlussplan" "gezeichnet".

Müsste so stimmen - wenn nicht bitte um Korrektur!!!


Angehängte Dateien Thumbnail(s)
   
Zitieren

Sieht gut aus so.

Im Sinne einer verlässlichen Erkennung von Gleichspannung, müsste aber wohl noch der LS- auf GND liegen.

Grüße
Jan
Zitieren

Dann müsste das ganze also so aussehen?

Somit wären die LS- beider Kanäle miteinander über Gnd verbunden.

Das Bild habe ich nun gelöscht - das erste eingestellte passt ja.
Zitieren

Chris1 schrieb:Dann müsste das ganze also so aussehen?

Somit wären die LS- beider Kanäle miteinander über Gnd verbunden.
Gibt die zusätzliche GND-Verbindung der LS nicht eine schöne Masse-Schleife? (Wenn die LS intern eh auf GND liegen)

So long...

-----------------
Gesendet von meinem OnePlus One mit Tapatalk
Zitieren

Das war der Grund warum ich in der ersten Zeichnung keine Verbindung zu Gnd eingezeichnet hatte.
Jan hat dann geschrieben "Im Sinne einer verlässlichen Erkennung von Gleichspannung, müsste aber wohl noch der LS- auf GND liegen", woraufhin ich das noch ergänzt habe.

Nun vielleicht meldet sich jemand der weiss wie es richtig ist und klärt uns auf. :doh:
Zitieren

News: Gerade frisch gemessen.
Der LS- ist am UCD schon auf Masse gebrückt (was im übrigen keine Selbstverständlichkeit ist). Im Umkehrschluss bedeutet das ja, dass das Netzteil zum Zwecke des LS-Schutzes beide Pole vorliegen hat, um eine Gleichspannung zu messen (GND und 2x LS+).
Also immer mit der Ruhe... :prost:

In der Zeichnung von Chris1 existiert diese ominöse schwarze Leitung vom LS- zu GND also ohnehin schon.

Problematisch wird diese Art der Beschaltung nur, wenn ihr Brückenverstärker einsetzt. Hier liegt der LS- KEINESWEGS auf Masse, sondern führt von GND isoliert selber aktiv Strom. Und nur über einen Pol lässt sich eben keine Gleichspannung detektieren. In unserem Falle mit dem UcD ergeben sich da keinerlei Probleme.
Zitieren

:thumbupBig Grinanke :prost:
Zitieren

Hallo zusammen,

habe ein Netzteil erhalten wo nicht alle Pins angelötet sind. Das gehört doch bestimmt nicht so:
[Bild: IMG_20171006_094300_LI.jpg]

Kann ich die einfach nachlöten oder soll das Ding umgetauscht werden?

Vielen Dank für eine Antwort.

Grüße Karsten
Zitieren

Hallo Karsten,
das soll mit Sicherheit nicht so sein.
Diese Frage solltest du eher dem Händler Stellen (mit Foto) bei dem du es erworben hast.
Wenn du selber daran herumlötest gehst du Garantie Verlust ein.
Ich bezweifel nicht das es dir nicht gelingt, aber es schließt nicht aus das es zu 100% in Ordnung ist.

Gruß Daniel
Mehr interessantes gibt's auf
https://audiofieber.weebly.com
Zitieren

Konnte mit dem Händler sprechen, er sagt dass die Pins nicht angelötet sein müssen, ich die aber anlöten kann.
Ok dann bleibt das so.
Zitieren

Longwood schrieb:Konnte mit dem Händler sprechen, er sagt dass die Pins nicht angelötet sein müssen, ich die aber anlöten kann.
Ok dann bleibt das so.
Was soll das denn? Was für Bauteile sind an dieser Stelle?
Mehr interessantes gibt's auf
https://audiofieber.weebly.com
Zitieren

Zu welchem Bauteil gehören die? Ist das andere "Ende" des Bauteils festgelötet?

Was für ein Händler ist das?
Zitieren

Sorry für die kurzen Antworten, ich war arbeiten.
So jetzt antworte ich ausführlicher.
Es geht um diesen kleinen Achtbeiner:
[Bild: IMG_20171006_222508.jpg]
der hier unten links:
[Bild: IMG_20171006_222705.jpg]

Der Händler ist along1986090 bei Ebay, er hat super schnell geantwortet. Scheint alles ok zu sein. Hat ein Profi noch eine Anmerkung?

LG Karsten
Zitieren



Möglicherweise verwandte Themen…
Thema Verfasser Antworten Ansichten Letzter Beitrag
  Hypex stellt neue NCx122MP und NCx252MP auf der High End in München vor capslock 8 3.109 20.05.2025, 08:50
Letzter Beitrag: kboe
  Erfahrung mit Hypex FA 502/503 - Lüftergeräusche? Jesse 11 4.182 24.03.2025, 13:20
Letzter Beitrag: Jesse
  Frage zu Hypex mit FIR chriss0212 1 1.237 25.01.2025, 20:08
Letzter Beitrag: chriss0212
  Shout out an Hypex! kboe 2 5.916 31.05.2024, 22:01
Letzter Beitrag: Gaga
  Hypex AS2.100D tot nach Firmwareupdate Chlang 17 6.921 02.04.2024, 08:14
Letzter Beitrag: Gaga
  Hypex Plate-Amps. Fragen an die Wissenden kboe 37 11.435 26.08.2023, 11:32
Letzter Beitrag: kboe
  Hypex Nilai500 svek 17 9.226 16.03.2023, 08:11
Letzter Beitrag: Kalle
  [Baubericht] Hypex Ucd 700 mit SMPS 1200 für ca. 1000€ in Rauch aufgegangen... kishu 10 11.911 14.12.2022, 21:02
Letzter Beitrag: kishu
  Hypex Update NCOREx BDE 2 2.668 22.04.2022, 21:17
Letzter Beitrag: Kalle
  Fernbedienung gesucht für Hypex Plateamps FAxxx kboe 10 3.231 05.03.2022, 21:47
Letzter Beitrag: kboe

Gehe zu:


Benutzer, die gerade dieses Thema anschauen:
1 Gast/Gäste

Deutsche Übersetzung: MyBB.de, Powered by MyBB, © 2002-2026 Melroy van den Berg.