Themabewertung:
  • 0 Bewertung(en) - 0 im Durchschnitt
  • 1
  • 2
  • 3
  • 4
  • 5
F.A.S.T. als kleine Standbox mit Visaton FRS8 und W130S
#21
Weil die Schallwand den Pegel dort Ansteigen lässt.
Wenn du den Tieftöner jetzt filterst, sieht du welcher apegel wirklich bleibt und auch wie der Filter wirkt. Ich würde es aber nicht linear bis in den Bass Abstimmen. Der Room gain und Wände geben ja nochmal Energie dazu.
Was sagt dein ohr?
Viele Grüße, Thomas

Es ist genug, wenn es genug ist.

Zitieren

#22
prinzmi schrieb:Das mit der Verringerung der Querschnittsfläche des BR Rohres ist mir klar. Ich hab mich nur gefragt, ob durch Vergrößerung des Querschnittes des IRR die Absenkung eventuell breitbandiger werden würde.
....

Nein, ein Rohr hat eine Resonanz. Breitbandiger bekommst Du es mit mehr Dämmmaterial im Rohr (Du verschlechterst quasi die Güte) aber damit lässt auch die Wirkung nach. Übrigens das gleiche Verhalten wie bei einem elektr. Schwingkreis (egal ob Saug- oder Sperrkreis) bei dem der Widerstand die Güte des Kreises bestimmt. Kleiner -> schmalbandiger und "wirksamer" (quasi "spitzer"), größer enspr. gegenteilig.

Edit: ich habe etwas den Eindruck, dass Du die Box für einen 13er, seeehr tief abgestimmt hast, damit verlierst Du Pegel im Bass zu Gunsten der unteren Grenzfrequenz. Aber wie "Bizarre" schon sagte - nix ist umsonst ... :-)
Es ist einfacher die Leute zu täuschen,
als sie davon zu überzeugen,
dass sie getäuscht wurden. (Mark Twain)

Audioviele Grüße,
Matthias
Zitieren

#23
tiefton schrieb:Weil die Schallwand den Pegel dort Ansteigen lässt.
Nur verstehe ich das nicht, denn bei einer Frequenz von 150Hz beträgt die Wellenlänge doch knapp 2,3m. Ich dachte die Schallwand wirkt sich erst aus, wenn sie von den Wellen "gesehen" wird.


Zitat:Nein, ein Rohr hat eine Resonanz. Breitbandiger bekommst Du es mit mehr Dämmmaterial im Rohr (Du verschlechterst quasi die Güte) aber damit lässt auch die Wirkung nach. Übrigens das gleiche Verhalten wie bei einem elektr. Schwingkreis (egal ob Saug- oder Sperrkreis) bei dem der Widerstand die Güte des Kreises bestimmt. Kleiner -> schmalbandiger und "wirksamer" (quasi "spitzer"), größer enspr. gegenteilig.
Ahhh! Danke!


Zitat:Edit: ich habe etwas den Eindruck, dass Du die Box für einen 13er, seeehr tief abgestimmt hast, damit verlierst Du Pegel im Bass zu Gunsten der unteren Grenzfrequenz. Aber wie "Bizarre" schon sagte - nix ist umsonst ... :-)
Naja, laut Simu war halt bei dem Volumen eine Abstimmfrequenz von ca. 44Hz das Beste und lt Visatonhomepage wird auch 44Hz bei dem Volumen empfohlen.
Die 44Hz habe ich, wenn ich das alles richtig verstanden habe, nicht so schlecht getroffen, oder?
[Bild: attachment.php?attachmentid=13488&stc=1&d=1489579073]

Wenn ihr allerdings der Meinung seid, dass es zu tief ist, dann könnte ich das Rohr noch kürzen.


Angehängte Dateien Thumbnail(s)
   
Zitieren

#24
Der Pegel steigt nicht an.
Du hast aber eine fernfeldmessung und die hat bzgl der Abstrahlenden Fläche andere Bedingungen wie die Nahfeldmessung.
In deiner Boxsim kann man den 'Sprung ' auch sehen.
Deshalb ist der gesamte Maßgebende Pegel im Bass so wichtig.
Aber ich würde das nicht ohne Filter/Weiche bewerten, die drehen gerade im Bereich der Impedanzspitzen ganz ordentlich am Pegel.
Viele Grüße, Thomas

Es ist genug, wenn es genug ist.

Zitieren

#25
tiefton schrieb:Der Pegel steigt nicht an.
Du hast aber eine fernfeldmessung und die hat bzgl der Abstrahlenden Fläche andere Bedingungen wie die Nahfeldmessung.
Die im Beitrag #22 gezeigte Grafik, um den es mir geht, ist aber eine Nahfeldmessung und keine Fernfeldmessung. Der Baffle Step wurde mit Arta korrigiert.
Zitieren

#26
prinzmi schrieb:...
Naja, laut Simu war halt bei dem Volumen eine Abstimmfrequenz von ca. 44Hz das Beste und lt Visatonhomepage wird auch 44Hz bei dem Volumen empfohlen.
Die 44Hz habe ich, wenn ich das alles richtig verstanden habe, nicht so schlecht getroffen, oder? ...

Das ist nur ein Gefühl, 40 Hz Port- Abstimmung für einen 13er ist schon 'n ziemliches Brett, mag aber durchaus passen. Das können aber andere, die mit diesem Chassis schon etwas gemacht haben, erheblich besser beurteilen als ich.

Mach Dich jetzt aber in der Theorie nicht verrückt, für mich sieht das Ganze nach wie vor ziemlich gut aus. Jetzt solltest Du für mein Dafürhalten mit einer sauberen Messung noch 'mal an die Weichensimu gehen.

Edit: Wie nah ist bei Dir eine Nahfeldmessung? Zw. Membran und Mikro sollten so 1-2 cm liegen. Bei der Fernfeldmessung solltest Du ein Abstand von 3 x Schallwandbreite + x haben.

Achja, den "Sprung" bei 150 Hz schreibe ich eher dem Zusammenfügen von Nah- und Fernfeldmessung zu.
Es ist einfacher die Leute zu täuschen,
als sie davon zu überzeugen,
dass sie getäuscht wurden. (Mark Twain)

Audioviele Grüße,
Matthias
Zitieren

#27
olnima schrieb:Edit: Wie nah ist bei Dir eine Nahfeldmessung? Zw. Membran und Mikro sollten so 1-2 cm liegen. Bei der Fernfeldmessung solltest Du ein Abstand von 3 x Schallwandbreite + x haben.

Achja, den "Sprung" bei 150 Hz schreibe ich eher dem Zusammenfügen von Nah- und Fernfeldmessung zu.

Nahfeld wird so ca. 0,5 - 1 cm vor der Membran gewesen sein. Fernfeld ca. 70cm.
Der Sprung ist aber auch bei der reinen Nahfeldmessung - die blaue Linie in Beitrag #22.


Zitat:Mach Dich jetzt aber in der Theorie nicht verrückt, für mich sieht das Ganze nach wie vor ziemlich gut aus. Jetzt solltest Du für mein Dafürhalten mit einer sauberen Messung noch 'mal an die Weichensimu gehen.
Ich habe heute mit den beiden Chassis Winkelmessungen gemacht und bin schon fleißig am simulieren.
Da bräuchte ich glaube ich sowieso wieder eure Hilfe. Big Grin

Eines kann ich nach dem ersten Probehören mit einer Testweiche jedenfalls sagen: Der Tiefbass war mit der Reflexöffnung am Boden lauter - aber das hat die Simulation auch vorher gesagt.

Da ich die Winkelmessungen von 0-180 Grad in 10 Grad Schritten gemacht habe, kann ich auch Sonogramme oder Polar Plots von den unbeschalteten Chassis posten - falls Interesse besteht
Zitieren

#28
Interesse - immer, weil alle Deine Schritte super dokumentiert und gründlich sind.

Edit: ...geändert, weil Quatsch geschrieben. Erst denken, dann posten ... ;-)
Es ist einfacher die Leute zu täuschen,
als sie davon zu überzeugen,
dass sie getäuscht wurden. (Mark Twain)

Audioviele Grüße,
Matthias
Zitieren

#29
Na gut, ihr wollt es ja so haben Big GrinBig Grin

Die Messentfernung war 70cm. Messhöhe war genau zwischen den beiden Chassis - natürlich im fertigen Gehäuse, aber unbeschaltet ... und was mir gerade beim Schreiben einfällt ist, dass es vielleicht für die Sonogramme bzw Polarplots besser gewesen wäre auf Achse zu messen. :denk:
Wie auch immer, ich habe nachgerechnet und durch die Messung zwischen den beiden Chassis ergibt sich eine Vertikale Abweichung von ca 5 Grad.
Grafiken sind ab 300Hz.

[Bild: attachment.php?attachmentid=13489&stc=1&d=1489651537]

[Bild: attachment.php?attachmentid=13490&stc=1&d=1489651537]

[Bild: attachment.php?attachmentid=13492&stc=1&d=1489651537]

[Bild: attachment.php?attachmentid=13491&stc=1&d=1489651537]


Angehängte Dateien Thumbnail(s)
               
Zitieren

#30
2 simulierte und gemessene Weichen.
Gemessen wurde wieder zwischen den beiden Chassis mit 70cm Entfernung.
"Optimiert" habe ich den Frequenzgang auf 10 Grad horizontal und nicht auf Achse. Gemessen wurde dann aber auf Achse.
Gleich die erste Frage: Macht das in meinem speziellen Fall Sinn?

Die Frequenzkurven sind recht ähnlich. Die Trennfrequenz ist wohl der Hauptunterschied.

Meine "Weiche 4":

[Bild: attachment.php?attachmentid=13494&stc=1&d=1489658892]

[Bild: attachment.php?attachmentid=13493&stc=1&d=1489658892]

[Bild: attachment.php?attachmentid=13495&stc=1&d=1489658892]



Meine "Weiche 7":

[Bild: attachment.php?attachmentid=13497&stc=1&d=1489659235]

[Bild: attachment.php?attachmentid=13496&stc=1&d=1489658892]

[Bild: attachment.php?attachmentid=13498&stc=1&d=1489658892]



Kritik, (Verbesserungs)Vorschläge, ... was auch immer. Alles willkommen!!


Angehängte Dateien Thumbnail(s)
                       

Zitieren

#31
... um Gottes Willen keine (!!!) Widerstände im Tieftonzweig (!!!), einzig ein kleiner Reihenwiderstand (<=1,5 Ohm oder sowas) in Serie zum Parallelkondensator kann(!!!) zum Modelieren der fallenden Flanke manchmal sinnvoll sein, aber bitte nichts, was den "Nutzpegel" verändert (und nebenher auch die Güte und damit Deine gesamte Gehäuseabstimmung) !!! Außerdem verlierst Du sinnloserweise Wirkungsgrad.

Edit Wenn Du auf 10° optimierst, solltest Du auch so messen. Auf welchen Winkel Du optimierst, hängt im Wesentlichen von Deiner Abhörsituation ab.
Es ist einfacher die Leute zu täuschen,
als sie davon zu überzeugen,
dass sie getäuscht wurden. (Mark Twain)

Audioviele Grüße,
Matthias
Zitieren

#32
Ok, wusste ich nicht. Aber wie senke ich dann den Pegel im Tieftonzweig? Der ist im Verhältnis zum FRS8 zu laut.
Zitieren

#33
...gar nicht, aber warum auch? In Deiner ersten Weiche von Seite 1 hat der Pegel doch auch gepasst, obwohl Du den FRS8 noch etwas eingebremst hast (1,5 Ohm in Serie). Und wie gesagt, wenn Du den FRS8 in diesem ersten Weichenentwurf im Übernahmebereich noch etwas mehr "aufbuckeln" lässt (mittels anderem Verhältnis von C und L), kannst Du ihn dort für mein Dafürhalten sogar noch etwas weiter absenken. Miss beide Chassis einmal unbeschaltet bei gleicher Mik.-Position und Du wirst sehen, dass vom Grund weg her der Pegel vom FRS8 ausreicht. Der Rest ist dann halt Jonglieren mit der Weiche.
Es ist einfacher die Leute zu täuschen,
als sie davon zu überzeugen,
dass sie getäuscht wurden. (Mark Twain)

Audioviele Grüße,
Matthias
Zitieren

#34
Ok ,danke.

Ist das besser? Würde die 3,3mH SP-Spule mit 0,6mm Draht reichen. Was anderes habe ich jetzt nämlich nicht zu Verfügung.

[Bild: attachment.php?attachmentid=13499&stc=1&d=1489666639]

[Bild: attachment.php?attachmentid=13500&stc=1&d=1489666639]


Angehängte Dateien Thumbnail(s)
       
Zitieren

#35
Da liegen doch immer noch 2,5 Ohm in Serie zum W130s ...
Es ist einfacher die Leute zu täuschen,
als sie davon zu überzeugen,
dass sie getäuscht wurden. (Mark Twain)

Audioviele Grüße,
Matthias
Zitieren

#36
Das ist der Widerstand von der Spule. Die SP Spule 0,6mm mit 3,3mH hat 2,5 Ohm. Den muss ich doch auch eintragen, oder etwa nicht?
Zitieren

#37
Achso, ja musst Du. Allerdings sind 2,5 Ohm zuviel. Bei dem Projekt würde ich Dir eine Rollenkernspule mit entspr. Wert empfehlen, dann bleibst Du weit unter 1 Ohm.
Es ist einfacher die Leute zu täuschen,
als sie davon zu überzeugen,
dass sie getäuscht wurden. (Mark Twain)

Audioviele Grüße,
Matthias
Zitieren

#38
Mhm, irgendwie bringe ich da nichts vernünftiges zu Stande. :denk:
Zitieren

#39
Hallo Prinzmi,

nicht entmutigen lassen, das wird schon.
Das Konzept ist gut durchdacht und bisher Top ausgeführt.

Habe dir mal einen Weichenvorschlag in Boxsim mit original Treibern gezwirbelt.

Das dürfte schon hinkommen.
Vom Rundstrahlverhalten in der Vertikalen noch nicht ganz optimal aber nah dran.
Leider optimiert dir Boxsim nicht auf 90 Grad Phasenversatz.
Das muss man händisch hinmogeln.

Einen anderen Ansatz hänge ich dir noch drangehängt als Vergleich.

Weitermachen, das schaut zu gut aus um die Flinte in's Korn zu werfen.

:danke::prost:

Grüsse Michi


Angehängte Dateien
.bpj   Prinzmi Fast.BPJ (Größe: 38,06 KB / Downloads: 237)
.bpj   Zwiebeltreter.BPJ (Größe: 44,72 KB / Downloads: 197)
Zitat von A.E.
Die Definition von Wahnsinn ist, immer wieder das Gleiche zu tun und andere Ergebnisse zu erwarten.
Zitieren

#40
prinzmi schrieb:Mhm, irgendwie bringe ich da nichts vernünftiges zu Stande. :denk:

Hi Smile,

ich glaube, im Moment hast Du Dich ein wenig "verrannt"...Wink
Auch denke ich, dass die wenigen Hz hin und her bei der Trennfrequenz nicht allzu viel bringen - da gefiel mir Dein erster Entwurf auf Seite 1 schon recht gut...

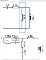
Von dem ausgehend, hatte ich (in BoxSim) mal mit 2,2 mH + 100 µF im Bass und 68µF + 0,82 mH für den Breiti auf 500 Hz-Trennung experimentiert - das könntest Du ja mal Gegenhören...
Das wird vermutlich nicht ganz linear sein, da ich ja mit der Datenbank gearbeitet habe, aber vielleicht hilft`s Dir zu beurteilen, welche Trennung besser klingt - tief oder hoch...

LG Micha
Zitieren



Möglicherweise verwandte Themen…
Thema Verfasser Antworten Ansichten Letzter Beitrag
  Sbelle Keramik - Visaton Labelle mit SB17cac und mehr josh_cpct 55 28.270 19.07.2024, 19:01
Letzter Beitrag: josh_cpct
  die kleine memorial... oder doch anders dy1026u 140 54.404 27.02.2024, 06:03
Letzter Beitrag: dy1026u
  erneuter Umbau einer Visaton Solitude zum Dreiwegerich; Mitteltonkalotte timo 74 17.347 19.02.2023, 15:53
Letzter Beitrag: timo
  4 Weger mit Gradient MDS12, MDS06 und Visaton DSM50FFL, DSM25FFL Atomar 14 4.108 07.01.2023, 20:50
Letzter Beitrag: Atomar
  Der kleine Umweg - Hoschibill's 425 hoschibill 88 28.698 01.01.2023, 16:51
Letzter Beitrag: SNT
  Kleine Hornbastelei ... Don Key 45 11.499 25.02.2021, 18:12
Letzter Beitrag: Don Key
  Update einer Visaton Pyramide III DSM25 DSM50 WSP26S Nils77 19 7.490 07.02.2021, 15:10
Letzter Beitrag: Nils77
  Visaton KT100V plus... dy1026u 24 8.714 18.12.2020, 09:32
Letzter Beitrag: Doppelsitzer
  Terrassenlautsprecher auf Basis Visaton FX 10 Koaxfan 11 3.891 09.06.2020, 22:28
Letzter Beitrag: waterburn
  Visaton Spaßbox wholefish 29 15.352 10.04.2020, 18:25
Letzter Beitrag: wholefish

Gehe zu:


Benutzer, die gerade dieses Thema anschauen:
1 Gast/Gäste

Deutsche Übersetzung: MyBB.de, Powered by MyBB, © 2002-2026 Melroy van den Berg.