Themabewertung:
  • 1 Bewertung(en) - 5 im Durchschnitt
  • 1
  • 2
  • 3
  • 4
  • 5
Erste Passivweichenentwicklung: 8/1-Satellit für den Betrieb mit Subwoofer(n)
#41
So, neue Gehäuse sind gebaut, diesmal nach diesem Entwurf, der sich vom alten darin unterscheidet, dass der Kanal keine eigenen Seitenwände mehr hat und dass jetzt MPX statt MDF zum Einsatz kam, was eine Anpassung der Wandstärken nötig machte:

[Bild: picture.php?albumid=1745&pictureid=31576]

In echt sieht das Teil jetzt so aus:

[Bild: picture.php?albumid=1745&pictureid=31574]

Nicht zu sehen sind der Griff auf der Rückseite, der BR-Kanal, der an der Unterseite endet und der Boxenflansch, ebenfalls an der Unterseite.

Die erste Impendanzmessung erfolgte mit komplett leerem Gehäuse:

[Bild: picture.php?albumid=1745&pictureid=31575]

Ich bin einigermaßen frohen Mutes, die Tuningfrequenz durch das Einbringen von Bedämpfungsmaterial auf so 80 Hz drücken zu können. Smile

Viele Grüße,
Michael
Zitieren

#42
So, jetzt habe ich mich mal ein bisschen mit der Bedämpfung befasst:

[Bild: picture.php?albumid=1745&pictureid=31581]

Im Tieftonabteil befindet sich an den Seiten, am Boden und an der dem Betrachter zugewandten Seite des BR-Kanalbrettchens 5 cm Noppenschaumstoff. Zwischen Kanal und TMT besteht quasi Sichtverbindung. Smile

[Bild: picture.php?albumid=1745&pictureid=31582]

Ins Hochtonabteil ist eine 5 cm Noppenschaummatte dergestalt reingedengelt, dass der Deckel, die Rückwand und die Gehäuseversteifung abgedeckt sind. Da rein habe ich eine zusammengerollte Bahn Ikea-Decke gestopft.

Jeweils vor und nach Einbringen des Dammmaterials habe ich eine Impendanzmessung vorgenommen:

[Bild: picture.php?albumid=1745&pictureid=31585]

Erfreulich ist unter anderem, dass die Tuningfrequenz tatsächlich auf gut 80 Hz gesunken ist. Allerdings taucht nun eine Störung bei etwas über 250 Hz auf, die in der Messung des ersten Prototypen nicht zu sehen war. Sie zeigt sich auch vom Dämmmaterial völlig unbeeindruckt. Was kann das sein? Confused

Die Innenhöhe beträgt 39 cm, die Innenbreite 23 cm und die Innentiefe 19 cm. Die Gesamtlänge des Kanals beträgt 13 cm. Da ist eigentlich nichts, was in den Abmessungen groß genug für so eine Störung wäre. zumal ja die Bedämpfung darauf Einfluss nehmen müsste, wenn die Ursache aus dieser Ecke käme.....

Die Unterschiede zum Prototypen sind:
  • Das neue Gehäuse ist aus Birke MPX statt aus MDF.
  • Es ist im Boden jeweils ein Ständerflansch montiert und hinten oben ein Griff, beides aus dem Adam-Hall-Sortiment.
  • Der Kanal hat keine "Seitenwände" mehr.
Für sachdienliche Hinweise wäre ich jedenfalls dankbar.

Viele Grüße,
Michael
Zitieren

#43
Ich war jetzt mal draußen im Garten und habe ein bisschen was akustisches gemessen:

[Bild: picture.php?albumid=1745&pictureid=31671]

Das ist das Ergebnis:

[Bild: picture.php?albumid=1745&pictureid=31672]

Die Messung ist zweikanalig und nicht pegelkalibriert. Ich habe letzteres zwar versucht, aber wenn ich mittels Pistonfon das Mikro pegelkalibriere und den Verstärker auf 2,83 Volt an 8 Ohm einstelle, wird das Setup massiv übersteuert. Das Problem ist sicher lösbar, aber da gebe ich mich mal später dran.

Hochtöner und Tieftöner wurden allerdings mit identischem Pegel gemessen. Vorher wurde eine Soundkartenkalibrierdatei erstellt und zusammen mit der FG-Kalibrierdatei des Mikrophons in REW eingebunden.

Ich finde, die Messung sieht recht plausibel aus, obwohl da noch nichts gefenstert wurde. Smile

Wie das mit dem Fenstern von Messungen in REW funktioniert, muss ich noch rausfinden.

Jetzt muss ich nur noch die Impendanzen nochmal mit REW messen, damit ich Textdateien daraus generieren kann, was mit der Demoversion von Limp ja soweit ich weiß nicht geht.

Dann kann das ganze Geraffel in ein geeignetes Weichensimulationstool gepackt werden.

Viele Grüße,
Michael
Zitieren

#44
Da ich auch recht "experimentierfreudig" bin, kann ich mich für solche "Leiterexperimente" begeistern. Allerdings da würde ich gleich nachsetzen und konsequenterweise prüfen, ob die Experimente auch tatsächlich effektiv sind. Daher wäre es für uns alle lehrreich, wenn Du die gleichen Messungen ein mal auf der Leiter und ein mal "bodenständig" auf einem Tisch oder Kiste durchführen könntest. Anschliessend beide Messungen zum Vergleich in REW einblenden. Dann sehen wir, ob das was bringt und ob der Mehraufwand gerechtfertigt ist.
Zitieren

#45
Ich schaue mal, ob ich morgen dazu komme, so einen Vergleich durchzuführen, und auch, ob das Wetter mitspielt. Heute hat es zwar nicht geregnet, es war aber recht windig. Deshalb will ich die Messungen ohnehin nochmal wiederholen.

Viele Grüße,
Michael
Zitieren

#46
Super und danke im voraus
Zitieren

#47
Leider hat das nicht geklappt mit dem Messen im Garten, es war zu windig.

Statt dessen habe ich mich mal mit dem Messen von Impendanzen mit REW befasst. Das Messkabel mit dem 100 Ohm Referenz-Widerstand, dass ich für Limp benutzt habe, konnte ich weiter verwenden.

Ich habe dann einfach mal einen noch vorrätigen 100 Ohm Widerstand gemessen und bin, nachdem immer alles Mögliche, nur nicht 100 Ohm angezeigt worden, mal darauf gekommen, mir noch ein Kalibrierkabel zu basteln, dass während der Kalibrierung den Messsignalausgang mit beiden Eingängen verbindet. Nach der Kalibrierung hatte ich einen schönen Strich bei ziemlich exakt 100 Ohm. Smile

Impendanzgänge von Hoch- und Tieftöner mitsamt der Möglichkeit, die auch in Form von Textdateien zu exportieren, gibt es nun also auch:

[Bild: picture.php?albumid=1745&pictureid=31752]

Aber warum sieht der Schrieb für den Hochtöner zuweilen so ausgefranst aus? Confused

Viele Grüße,
Michael

*edit*:
Ich habe die Messung nochmal wiederholt, diesmal mit etwas mehr Pegel. Nun sieht die Impendanzkurve des Tieftöners nicht mehr so zappelig aus und auch die des Hochtöners scheint etwas weniger ausgefranst zu sein.

[Bild: picture.php?albumid=1745&pictureid=31753]

*edit 2*:
Für Freunde der bunten Bildchen hier noch eins, dass Impendanz- und Frequenzgänge zusammen zeigt. Da bei meinem kleinen Leiterexperiment außer Leiterstufen (die hoffentlich nicht so viel ausmachen) keine Begrenzungsfläche näher als etwa 2 Meter an der Messumgebung dran war, habe ich die Messung nach 10 ms gefenstert. Ich hoffe mal, nicht allzu viel verkehrt gemacht zu haben, aber so sieht das schon weniger fitzelig aus, obwohl ich noch kein Smoothing reingehauen habe:

[Bild: picture.php?albumid=1745&pictureid=31754]
Zitieren

#48
Ich habe jetzt mal mit Boxsim gespielt. Es wurden die gemessenen Impendanzfrequenz- und Phasengänge sowie die gemessenen Amplitudenfrequenz- und Phasengänge importiert. Die Messungen sind wie gesagt zweikanalig gemessen und nach 10 ms gefenstert worden. Das Ergebnis meiner ersten Spielerei sieht so aus:

[Bild: picture.php?albumid=1745&pictureid=31786]

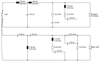
....und die Weiche dazu so:

[Bild: picture.php?albumid=1745&pictureid=31785]

Es ist das erste Mal, dass ich an einer Weiche rumeditiert habe, darum bitte ich um Nachsicht. :o

Trotzdem bin ich für Hinweise zur Verbesserung dankbar. Insbesondere frage ich mich, ob man nicht vielleicht auch mit einer weniger komplizierten Weiche zum Ziel kommen könnte.....Confused

Viele Grüße,
Michael
Zitieren

#49
Mach mal die obere DB Grenze auf 95 DB.
Teste mal nen 18db tiefpass ohne Imp Korrektur.
Du hast sehr viel Widerstand im Bass.
Sperrkreise hinter den tiefpass
Gruß Tobias
________________
Zitieren

#50
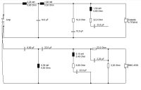
Neuer Versuch:

[Bild: picture.php?albumid=1745&pictureid=31791]

....und die zugehörige Weiche:

[Bild: picture.php?albumid=1745&pictureid=31790]

Immerhin konnte ich 5 Bauteile einsparen. Smile

Auch wenn die Messungen nicht pegelkalibriert waren und ich die Skalierung zwecks besserer Übersichtilichkeit nach Hinweis von Tobias geändert habe, erkennt man gut, dass der Wirkungsgrad jetzt höher ist. Allerdings ist die Trennfrequenz nun etwas höher gerutscht. Im Tieftonzweig wird zwar nicht mehr impendanzlinearisiert, dafür hat's dort jetzt einen Filter 4. Ordnung....:eek:

Was sagt ihr dazu?

Viele Grüße,
Michael

*edit*:
Noch eine Frage: da ich im HT-Bereich ein Horn verwende, liege ich da richtig, wenn ich annehme, dass der simulierte Energiefrequenzgang und die ebenfalls simulierten Frequenzgänge unter Winkel nur wenig Aussagekraft haben?
Zitieren

#51
Hi Michael,

:ok: besser :thumbup:

Die Glättung in Boxsim verschleiert manchmal auch Problemzonen.

Im Menü Datei/Projekteigenschaften/ kannst du die Anzahl der Frequenzen einstellen.
Fein ist 250 Punkte geht bis max 600 Punkte manuell.
Das entspricht dann eher dem was man gemessen und importiert hat je nach eigener Glättung.

Boxsim simuliert als Kolbenstrahler, im Leistungsfrequenzgang, wird da gerne 3-6 dB zu viel angezeigt zwischen 1kHz und 7kHz.
Ab 5 kHz strahlen die meisten Hochtöner auch selber nicht mehr kugelförmig.
Elektrisch kann man ganz gut kontrollieren wie man was verbiegt, aber für WG Frequenzweichensimu :denk: ???

Mit Arta kann man sich die Zielkurven einstellen und nachmodellieren.
Die Winkelfrequenzgänge summieren und ein schönes Sonogramm in vielen Darstellungsdiagrammen begutachten.

Rew ist eigentlich eher zum Raummessen gedacht.
Bin aber gespannt was du damit noch veranstaltest.

Wenn man einen Acht Zöller mit 90 Grad Abstrahlwinkel mit einem Hörnchen mit 120 Grad verheiratet kann es unter Winkel zu Problemen kommen.
Das Limmer 021(90x60) sollte eigentlich passen, lädt aber nicht so tief wie man es gerne hätte.

Ob und wie der TMT im Bündelungsbereich noch zu nutzen ist wird durch Winkelmessungen im beschalteten Zustand besser ersichtlich.

Zitat:Noch eine Frage: da ich im HT-Bereich ein Horn verwende, liege ich da richtig, wenn ich annehme, dass der simulierte Energiefrequenzgang und die ebenfalls simulierten Frequenzgänge unter Winkel nur wenig Aussagekraft haben?

Ich hoffe damit deine Frage beantwortet zu haben

Greets vom Namensvetter :prost:

Michi
Zitat von A.E.
Die Definition von Wahnsinn ist, immer wieder das Gleiche zu tun und andere Ergebnisse zu erwarten.
Zitieren

#52
Ich habe jetzt noch dies und jenes probiert, aber komme immer wieder auf die obige Schaltung zurück.

Wenn sich mal jemand dran versuchen will, hätte ich hier die Messergebnisse und hier die Boxsim-Datei.

Das folgende Bild zeigt nochmal das Simulationsergebnis, diesmal mit 600 Messpunkten:

[Bild: picture.php?albumid=1745&pictureid=31901]

Und fast vergessen: hier das gleiche nochmal, diesmal mit virtuell verpoltem Hochtöner:

[Bild: picture.php?albumid=1745&pictureid=31902]

Wenn niemand sagt, dass das aber nun total abwegig ist und man anders viel einfacher ans Ziel kommt, würde ich den Entwurf mal ausprobieren und hoffen, dass sich da nicht zu viel Optimierungspotential ergibt. :eek:Smile

Viele Grüße,
Michael


Angehängte Dateien
.bpj   Satellit neue Importdateien.BPJ (Größe: 83,56 KB / Downloads: 456)
.zip   Messungen.zip (Größe: 833,75 KB / Downloads: 551)
Zitieren

#53
Hallo Michael,

:ok:

passt doch, das Einzige was es zu mäkeln gäbe wäre die Überhöhung bei 1,5 kHz.

Momentan ist der Filter mit 90 Grad Phasenversatz, wenn man ohne Phaseninformation simuliert.

Die Frage wie und wo werden die LS dann betrieben ?

Wandnah kann man im Tiefpass vielleicht noch ein wenig offener gestalten.

Frei aufgestellt kann man die Trennung tiefer setzen.

Das geht dann Richtung LR4 mit 180 Grad Phasenversatz.

Noch eine Frage wie fächert das Horn im Hochton auf ?

Winkelmessungen wären cool.

Aufbauen, Hörbericht

:yahoo::danke::prost:

Grüsse Michi


Angehängte Dateien Thumbnail(s)
       
Zitat von A.E.
Die Definition von Wahnsinn ist, immer wieder das Gleiche zu tun und andere Ergebnisse zu erwarten.
Zitieren

#54
Hi Michael,

öhm wenn ich das jetzt richtig verstanden habe ... du hast die Chassis im eingebauten Zustand gemessen u. dann in Boxsim importiert ?:denk:

wenn ich das richtig sehe, du verwendest die Boxsim-funktion "gemeinsames Gehäuse verwenden" was man auf keinen Fall machen darf ... das verbiegt ja deine Messdaten

oder ?

Grüße Udo
Zitieren

#55
Moin,

Zitat:Wenn niemand sagt, dass das aber nun total abwegig ist und man anders viel einfacher ans Ziel kommt, würde ich den Entwurf mal ausprobieren und hoffen, dass sich da nicht zu viel Optimierungspotential ergibt.
total abwegig ist es nicht und viel einfacher kommt man auch nicht ans Ziel - aber......
Zitat:Winkelmessungen wären cool.
Das ist der Punkt!

Imho sagt der 0 Grad Frequenzgang, isoliert betrachtet, nicht sehr viel - und nur damit
zu simulieren empfinde ich als "leichtsinnig".Smile
Hinzu kommt das Boxsim mW. Horn/WG geladene HT unter Winkel / Energiefrequenzgang nicht korrekt simuliert.

Winkelmessungen vom TMT und HT unbeschaltet sind für eine saubere Entwicklung mMn. sehr wichtig.
Man sieht u.A. Bündelungsverhalten der Chassis und kann den Idealen Bereich für die Trennung
erkennen um ein vernünftiges Abstrahlverhalten zu erreichen.
Fehler aus den Chassis die sich durch die Winkel fortsetzen können von Kanten/Schallwandeffekten unterschieden werden etc.....

Bevor ich hier einen Roman schreibe zieh Dir diese Mess-Doku (speziell vom Top) von mir rein.Big Grin
http://www.fbruechert.de/daten/Nordpol-Messtechnik.pdf

LG

Karsten
Zitieren

#56
Ich habe noch ein bisschen an der Weiche gebastelt. Den Bereich um die Trennfrequenz konnte ich noch ein bisschen optimieren, indem ich an den Werten des Saugkreises für den TMT gespielt habe. Winkelmessungen, die ich mit dieser virtuellen Weiche bearbeiten würde, will ich noch machen, wenn was mehr Zeit ist und das Wetter mitmacht.

Ich habe da aber mal 'ne andere Frage. Dazu erstmal ein Bildchen:

[Bild: picture.php?albumid=1745&pictureid=31936]

Interessant sind hier nur die rote und die blaue Kurve. Rot zeigt den unbeschalteten TF0818, blau den beschalteten. Um den zweiten Bassreflex-Impendanzbuckel herum ist der beschaltete TF0818 etwas lauter, als der unbeschaltete. Für wie problematisch haltet ihr das?

Sollte ich den zweiten Bassreflex-Impendanzbuckel besser plätten?

Viele Grüße,
Michael
Zitieren

#57
Ich habe in Boxsim mal einen Saugkreis für den zweiten BR-Höcker entworfen, werde die Weiche aber erstmal ohne aufbauen. Teile sind bestellt. Allerdings habe ich überall Luftspulen vorgesehen, was im Tiefpass vielleicht nicht so eine brillante Idee war, auch wenn es dort welche mit 1 mm Drahtstärke sind.

Ich probiere das mal aus, aber vielleicht ersetze ich die Luftspulen im Tiefpass später durch niederohmigere Kernspulen. Das bringt scheinbar ein bisschen mehr Wirkungsgrad im Bassbereich und zerwürfelt mir wahrscheinlich auch die Gehäuseabstimmung nicht so arg. Mal sehen.....:o

Viele Grüße,
Michael
Zitieren

#58
Nicht dass ich hier noch zum Alleinunterhalter werde. :o

Wie dem auch sei: heute sind die bestellten Weichenbauteile angekommen und eine Weiche habe ich dann gleich mal zusammengelötet:

[Bild: picture.php?albumid=1745&pictureid=32049]

Wenn das Wetter morgen nicht zu mies ist, mache ich mal eine Messung (oder auch mehrere). Anhören tut es sich - wenngleich ja jetzt noch in Mono - schon sehr vielversprechend. Smile

Ich frage mich nur, wie ich das ganze Geraffel in die Box kriegen soll.....:eek:

Viele Grüße,
Michael
Zitieren

#59
Azrael schrieb:Ich frage mich nur, wie ich das ganze Geraffel in die Box kriegen soll.....:eek:

Viele Grüße,
Michael

Mit langen Kabeln zusammen löten, dann alles reinwerfenBig Grin

Nee, ich nehme ein dünnes Brett, halte das an den vorgesehenen Platz in der Box, bohre 2 kleine Löcher durch Brett und 5-10 mm in die Box.
Dann die Teile auf dem Brett ausrichten, fixieren (Schrauben, Kabelbinder, Heißkleber..), und löte alles zusammen.
Brett wieder rein, festschrauben und Terminal sowie die Treiber anschließen.
Fertig
Viel Erfolg
Gruß Tobias
________________
Zitieren

#60
Das freut mich, dass es gefällt. Smile

Ich habe jetzt mal ein paar Messungen gemacht. Ich habe versucht, sie pegelkalibriert durchzuführen, aber ich bin nicht ganz sicher, ob es geklappt hat. Dazu habe ich einen Pegelkalibrator benutzt, um REW zu verklickern, was 94 dB sind. Ich habe auch versucht, über einen am Verstärker angeschlossenen 8-Ohm-Widerstand 2,83 Volt einzustellen, aber ich bin mir nicht sicher, ob ich innerhalb von REW dafür auch die richtige Signalquelle genommen habe.

Jedenfalls habe ich versucht, jeweils möglichst genau 1 Meter Messentfernung einzuhalten und auch die Messwinkel werden wohl zumindest so einigermaßen stimmen.

Wenn das mit dem Pegelkalibrieren also geklappt haben sollte, würden die folgenden Messungen bedeuten, dass ich am Ende mit einem Wirkungsgrad von etwa 92 - 93 dB/2,83V/m rechnen kann, was ja schonmal nicht übel wäre. Smile

Leider bin ich davon abgesehen mit den sonstigen Ergebnissen nicht so richtig zufrieden, aber seht selbst:

[Bild: picture.php?albumid=1745&pictureid=32070]

Ihr seht die Einzelzweige und die Summe. Der HT ist - das fällt als erstes auf - zu laut, ich frage mich, ob vielleicht der Spannungsteiler nicht so richtig "will". Die Trennfrequenz liegt niedriger als in der Simulation, sie würde aber automatisch wieder steigen, wenn der HT im Pegel noch ein bisschen gedrückt werden würde, denke ich. Phasenprobleme deuten sich hier noch nicht an.

Bei der Summenkurve muss irgendwas bei der Messung wohl schief gegangen sein, denn diese drei Zacken zwischen etwa 8,5 und 15 kHz finden sich sonst nirgendwo.

[Bild: picture.php?albumid=1745&pictureid=32071]

Hier das gleiche nochmal, aber mit verpolgem HT. Hier ist merkwürdig, dass die Summenkurve teilweise über der des HT liegt, also doch Phasenprobleme? Sieht aber m.E.n. nicht gerade furchterregend aus.

[Bild: picture.php?albumid=1745&pictureid=32072]

Die Winkelmessungen (0 bis 90 Grad in 15-Grad-Schritten) sehen in meinen laienhaften Augen jedenfalls zumindest mal so aus, dass die Trennfrequenz mit den Bündelungsverhalten der beteiligen Treibern harmoniert.

Die aktuelle Weichenversion sieht so aus:

[Bild: picture.php?albumid=1745&pictureid=32073]

Da fehlt gegenüber der alten Version nur der 1 µF Kondensator im TMT-Tiefpass. Ansonsten ist die Weiche nur ein bisschen umgestellt worden.

Was meint ihr also dazu? Ist es möglicherweise damit getan, den Spannungsteiler noch ein bisschen anzupassen?

Viele Grüße,
Michael

*edit*:
Ich habe gerade in Boxsim mal probiert, was passiert, wenn ich den Parallelkondensator des Spannungsteilers aus dem Rennen nehme. Dabei kam etwas den Messergebnissen sehr ähnliches heraus. Vielleicht hab ich da auch eine mistige Lötstelle produziert oder es hat sich bei dem windigen Aufbau was losgerappelt. Ich schaue da morgen mal nach. Das wär' ja was.....:eek:
Zitieren



Möglicherweise verwandte Themen…
Thema Verfasser Antworten Ansichten Letzter Beitrag
  Interessantes, preiswertes Subwoofer Chassis >>> GRS 12SW-4HE ax3 30 10.690 29.10.2025, 17:16
Letzter Beitrag: Slaughthammer
  Subwoofer für das Schlafzimmer knollozx 11 2.229 03.10.2025, 05:35
Letzter Beitrag: Cabrio_User
  8" Subwoofer für DBA gesucht Sathim 83 22.687 10.04.2025, 13:40
Letzter Beitrag: Jesse
  Meine erste Simu. Bitte mal drüber schauen TomBear 13 2.297 25.01.2025, 11:41
Letzter Beitrag: TomBear
  Resteverwertung: Subwoofer mit Visaton TIW 200XS ggf. mit Passivmembran Daniel_P 0 2.179 16.09.2024, 09:37
Letzter Beitrag: Daniel_P
  Mittelhochtonhorn Erste Fragen stefanie 6 5.376 31.05.2024, 19:39
Letzter Beitrag: stefanie
  Subwoofer an der Decke? Atomar 4 1.803 08.03.2024, 11:26
Letzter Beitrag: Eggger
  Bassverbesserung mit Subwoofer und MiniDSP möglich? Vinylo 23 9.844 17.08.2023, 10:53
Letzter Beitrag: Kalle
  Frank entdeckt in seiner "Werkstatt für Lautsprechertechnik" die erste Wellenfront spendormania 5 4.810 14.04.2023, 06:15
Letzter Beitrag: JFA
  Chassisberatung Subwoofer "impulskompensiert" felix4389 5 2.794 16.01.2023, 17:57
Letzter Beitrag: felix4389

Gehe zu:


Benutzer, die gerade dieses Thema anschauen:
1 Gast/Gäste

Deutsche Übersetzung: MyBB.de, Powered by MyBB, © 2002-2026 Melroy van den Berg.