Themabewertung:
  • 1 Bewertung(en) - 5 im Durchschnitt
  • 1
  • 2
  • 3
  • 4
  • 5
Verstärkermodul mit DSP, 600W, 1-4Kanäle, low-budget, high-quality
Hallo Raphael,

darf ich Dich kurz Fragen wie das mit dem anschließen mit zwei oder drei Boards über den Expansionsheader genau funktioniert ? Wäre super wenn Du das nochmal näher erläutern könntest. Ich weiss das es mir noch nichts bringt wegen Fehlender Software Unterstützung, aber würde das gerne schon mal wissen wollen.

Danke Dir.
Grüße
Daniel
Zitieren

Hallo Raphael,

hier mal eine Lösung:

Ini Wifi Manager
http://esp32-server.de/ini/
da du die Möglichkeit zum Dateinem speichern eh schon in die Softwate eingebaut hast muß man die Datei nur editieren und hochladen.
Gut finde ich bei dem Paket auch die Lösung die .Bin Datein per esptool mit einer Batch Datei hochzuladen.
Dann braucht die Arduino IDE gar nicht installiert zu sein, wenn der User nichts an der Firmware selbst ändern will.

Zur Not könnte man ja auch an einen freien GPIO ein Kabel anlöten.

Falls du mal eine Rev 2 vom Board machst, könnte man auch über ein steckbares esp32 Modul nachdenken.
Gruß
Rainer
Zitieren

Im Prinzip habe ich das, was der Ini Wifi Manager macht schon eingebaut, nur eben über auverdionControl gelöst.
Mein Problem ist folgendes Szenario:
Ich gebe eine SSID und ein Passwort ein und aktiviere den Access Point. Jetzt kommt Aurora aus irgendwelchen Gründen in ein anderes WiFi. Dann kann sich Aurora nicht mehr anmelden und ich kann auch nicht mehr drauf zugreifen, um neu zu konfigurieren, der AP ist ja abgeschaltet.
Ich bräuchte also irgendeine Möglichkeit, den AP extern wieder zu aktivieren.
Vielleicht wäre es eine Möglichkeit beim Start zu prüfen, ob z.B. RX und TX kurzgeschlossen sind und dann in jedem Fall der AP gestartet wird. Quasi als Noteingang.
GPIOs sind nämlich keine mehr frei.

Wieso möchtest Du den ESP steckbar haben?
Zitieren

Hallo Raphael,

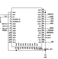
Pins am ESP32 sind noch genügend frei, nur icht auf die Platine verdratet.

[ATTACH=CONFIG]51746[/ATTACH]

Als Noteinstieg könnten auch die Stecker für Lüfter, Drehgeber oder irRemote verwendet werden.

zum steckbaren Modul.
alle GPIO sind verfügbar für Taster , Lampen ....
USB Schnittstelle on Board
Wartung und Ersatzteiltausch in den nächsten 50 Jahren.


Angehängte Dateien Thumbnail(s)
   
Gruß
Rainer
Zitieren

Die sind absichtlich nicht verdrahtet. Das sind alles Pins die zum ADC1 gehören. Diese Pins dürfen nicht verdrahtet werden, wenn WiFi benutzt wird.
Zitieren

Hallo Raphael,

ich dachte das wollte espressiv fixen. (Irgenwann letztes Jahr)

Du kannst mal testen:
Code:
void setup() {
    reg_b = READ_PERI_REG(SENS_SAR_READ_CTRL2_REG);
    WiFi.begin(SSID, PASSWORD)
    [...]
}
// and restore it just before analogRead:

int read_sensor() {
  WRITE_PERI_REG(SENS_SAR_READ_CTRL2_REG, read_ctl2);
  return analogRead(A0);
}
// It is not required to disconnect WiFi at any time.

Der Schnipsel war aber mit der esp-idf programiert.
Gruß
Rainer
Zitieren

Hey Leute,

Pessante beim Modushop ist bestellt, 2 x IcePower ASC, 2 x IcePower 200AC und IcePower 50ASX2 liegen bereit Smile.

Wer hat interesse an einer Sammelbestellung der Stecker? Ich würde mich kümmern!

Die Icepower Module können über ein Signal an und aus geschaltet werden, Einschaltverzögerung und "hard mute" wären dann über den ESP32 möglich, ich müsste aber z.B. auf den Lüfter und Temperatur Sensor verzichten oder?

Raphael du hattest Mal was von einem Display mit Touch geschrieben, wo soll das dann angeschlossen werden?

Ich hatte über digitale Potentiometer nachgedacht um die 32 bit Auflösung der DACs auch voll nutzen zu können. Habe dies bezüglich recherchiert und die Idee verworfen. Grund ist, das das menschliche Gehör eine maximale Auflösung von 22 Bit wahrnehmen kann "Generell geht man davon aus, dass das Amplituden-Auflösungsvermögen des menschlichen Gehörs über 1 Mio. Abstufungen zulässt, so dass es noch Lautstärkeunterschiede von 0,0001dB unterscheiden kann, was in etwa der Größenordnung eines 20-22Bit Digital-Systems entsprechen würde."(Quelle). Reduziert man die Ausgangspegel auf 1/1024 (10Bit) der maximal Ausgangsspannung bleiben also immer noch 22 Bit Auflösung über. Korrigiert mich bitte wenn meine Annahmen nicht stimmen.

Edit: Raphael, du hast geschrieben, das sowohl Schaltnetzteile als auch symmetrische verwendet werden können. Macht es Sinn ein symmetrisches aufzubauen oder wäre das Overkill? Bei einem +-5V Symmetrischen könnte ich auch gleich die Pi dran hängen. 2 Schaltnetzteile wären aber auch kein Problem.

Liebe Grüße

Finn
Zitieren

hallo Raphael,

du schreibst:
Zitat:Diese Pins dürfen nicht verdrahtet werden, wenn WiFi benutzt wird.

Wenn das Board aber nicht mit Wifi verbunden ist kann man diese Pins (ADC2) aber benutzen.
Solange man aber kein Wifi benutzt stehen diese zu Verfügung.

Allerdings ist es kein Problem GPIO Expander über I2C einzusetzen.
z.B. [SIZE=2]MCP23017 Serielles Schnittstellenmodul kostet ca 2 Euro fürr 16 Ein- oder Ausgänge.
Wenn ich den Schaltplan richtig gelesen habe kommen die dann auf X102 [SIZE=3][SIZE=2]SCL
[/SIZE]Pin13 SDA Pin 11 Vss Pin 2,4,6,8,10,14 [/SIZE]
[/SIZE]
[SIZE=2]Aber woher bekomme ich VDD? Auf Pin 1 liegt ja die Eingangspannung (7V) oder sollte man die 3,3 V vom ESP anzapfen?[/SIZE]
Gruß
Rainer
Zitieren

Finnito schrieb:
Raphael du hattest Mal was von einem Display mit Touch geschrieben, wo soll das dann angeschlossen werden?

Expansion Port.


Finnito schrieb:

Edit: Raphael, du hast geschrieben, das sowohl Schaltnetzteile als auch symmetrische verwendet werden können. Macht es Sinn ein symmetrisches aufzubauen oder wäre das Overkill? Bei einem +-5V Symmetrischen könnte ich auch gleich die Pi dran hängen. 2 Schaltnetzteile wären aber auch kein Problem.

Ähm, jein. Symmetrische Spannungsversorgung wird nicht benötigt. Einmal idealerweise 7-7,5V und fertig.
Nicht zu verwechseln mit manchen SNTs, die auf Sekundärseite keinen Masseanschluss haben, sondern nur zwei Klemmen mit V+ und V- beschriftet. Zwischen diesen würde dann nur die Nennspannung anliegen. Wenn diese 5V ist, funktioniert es nicht.
Meine Äußerung bezog sich darauf, wenn ich doch ein symmetrisches Netzreil habe, dass dann drei Anschlüsse auf Sekundärseite hat, dann lässt man die negative Spannungsklemme unbeschaltet. Aber nur wenn es auch tatsächlich einen echten Masseanschluss gibt. Aber Achtung: Der Masseanschluss darf nicht mit der Erde der Primärseite verwechselt werden. Genaues Studium der Anleitung zum Netzteil ist Pflicht!

Raphael
Zitieren

Rainer schrieb:[SIZE=2]Aber woher bekomme ich VDD? Auf Pin 1 liegt ja die Eingangspannung (7V) oder sollte man die 3,3 V vom ESP anzapfen?[/SIZE]

Ich habe das bei den AddOns immer so gemacht, dass ich noch einen kleine LDO auf die Platine gesetzt habe. Dann hat man auch nicht das Problem, dass man einen der Spannungsregler auf dem Board überlastet. Gut ein kleiner GPIO-Expander wird da nichts machen, aber grundsätzlich gilt: Die Versorgungsspannung des ESP sollte man nicht zur Versorgung andere Chips anzapfen. Der ESP zieht beim Init des WiFi-Moduls kurzzeitig viel Strom. Wenn der LDO das nicht liefern kann, bricht die Spannungsversorgung ein und der ESP bootet neu und versucht wieder, WiFI zu initialiseren. Das führt zu einer Endlosschleife.

Raphael
Zitieren

Hallo,

ausgehend von dem 8 Kanal Plugin für SigmaStudio.
Wenn ich ein eigenes Setup mache, insgesamt 3 Eingangskanäle, nur über die Analogen Eingänge (evtl. je zwei gebrückt) , was brauche ich dann aus dem 8 Kanal Plugin bezogen auf den Eingang.
Muss ich das ganze, das ich eh nicht benutze mit drinn lassen oder kann ich direkt vom ADC In auf meine Filter usw. gehen ?
Also, kann ich Input Select usw. löschen ?

Gruß

Markus
Zitieren

Finnito schrieb:Wer hat interesse an einer Sammelbestellung der Stecker? Ich würde mich kümmern!

Hallo Finn, ich wäre bei einer Sammelbestellung dabei :ok:
Zitieren

Hallo Raphael,
mal was allgemeines zum Auverdion-shop:

Bekommt man eine Versandbestätigung per Email zugeschickt?

VG
Chris
Zitieren

Finnito schrieb:Hey Leute,
Wer hat interesse an einer Sammelbestellung der Stecker? Ich würde mich kümmern!
Finn

Hallo Finn,
zwei Sätze Stecker für das Aurora-Board würde ich Dir gerne abnehmen. Sind hier sämtliche Stecker für das Board enthalten?
Gruß, Götz
Zitieren

Hallo,

ich wäre bei einer Sammelbestellung auch dabei, bräuchte einen Komplettsatz für ein Modul.

VG
Ludger
Zitieren

Ich habe auch noch eine Frage zu den Addon´s

Wenn ich drei oder mehr DSP´s habe, und dazu verschiedene Addon´s (2 x C und 1 x D), wie konfiguriere ich dann auverdion Control ? Kann ich jeden einzelnen DSP dann ein Addon zuweißen ?
Grüße
Daniel
Zitieren

Da Du jeden DSP einzeln mit auverdionControl konfigurieren musst, heisst die Anwort: Ja, Du musst für jeden DSP festlegen ob und welches AddOn angeschlossen ist.

@pillepalle123: Davon gehe ich mal aus, Jedenfalls habe ich den Haken gesetzt, sobald ich eine Bestellung als versandt markiere, eine email rauszuschicken. Hast Du keine bekommen? Schreib mir doch mal eine email mit Deiner Ordernummer, dann gucke ich, was da Sache ist.

Übrigens, es geschehen ja noch Zeichen und Wunder: Die USB-Kabel sind endlich angekommen! Jetzt kann ich am Wochenende auch endlich die Bestellungen mit AddOn A abarbeiten.

Raphael
Zitieren

sokrates618 schrieb:Hallo Finn,
zwei Sätze Stecker für das Aurora-Board würde ich Dir gerne abnehmen. Sind hier sämtliche Stecker für das Board enthalten?
Gruß, Götz

Ja, ohne Stecker für den Programmer dafür mit konfektionierter USB B Buchse.

Edit: So habe Mal eine Übersicht angehängt, sind insgesamt 15€ für ein Steckersatz. Wenn wir 13 Perosnen sein sollten entfällt der Versand bei digikey, dann sind es 13,2 € pro Satz. Ich würde aber gerne auch direkt einen Anschluss für optisches SPDIF dazu nehmen, was wäre da zu empfgehlen?

Geld würde ich vorher einkassieren und dann bestellen. Die angegebenen Hersteller Lieferzeit bei digikey ist nicht reel oder? Dann würde ich lieber woanders bestellen.

Insgesamt sind wir jetzt bei 10 Sätzen, ich würde noch die Woche warten und hoffen, das wir dann bei 13 Sätzen sind.

Liebe Grüße

Finn


Angehängte Dateien
.pdf   Freedsp Stecker.pdf (Größe: 229,12 KB / Downloads: 439)
Zitieren

Raphael,

kannst du ne ungefähre aussage machen wann Addon C verfügbar sein wird ?

Danke.
Grüße
Daniel
Zitieren

Also bei der Stecker Sammelbestellung wäre ich auch dabei, brauche 3 Sets.
Zitieren



Möglicherweise verwandte Themen…
Thema Verfasser Antworten Ansichten Letzter Beitrag
  Sokrates Mk II, aka high-end PreamPi 2pi 143 164.832 18.03.2024, 15:23
Letzter Beitrag: Rusty P
  low budget pre amp bg20 14 6.645 18.02.2015, 16:12
Letzter Beitrag: bg20

Gehe zu:


Benutzer, die gerade dieses Thema anschauen:
2 Gast/Gäste

Deutsche Übersetzung: MyBB.de, Powered by MyBB, © 2002-2026 Melroy van den Berg.