Themabewertung:
  • 1 Bewertung(en) - 5 im Durchschnitt
  • 1
  • 2
  • 3
  • 4
  • 5
DXTAL Referenz Kompaktlautsprecher
#1
Nach dem Umzug hatte ich das Problem dass nichts so richtig klingen wollte. Ja, im Nahfeld schon, das war kein Problem. Aber Lautsprecher vorne frei im Raum und ich auf der Couch und aus ist es mit dem guten Klang. Alles wird dumpf und leblos, auch wenn es messtechnisch gut aussieht.

Viel herumprobieren hat nichts genützt bis sich eines Tages herausgestellt hat dass manche Lautsprecher bei denen auch das Abstrahlverhalten passt sehr wohl gut klingen (LYC, Disco-M, DXT-MON).
Dabei hat mir die breitere Abstrahlung der kleineren DXT-MON am Besten gefallen und neben einer original DXT-Mon (in Arbeit) möchte ich auch einen eigenen ähnlichen Lautsprecher bauen und abstimmen um für mich selbst herauszufinden woran es liegt und wie man es macht nach dem Motto "wenn man es reproduzieren kann hat man es wirklich verstanden".
Zitieren

#2
*Pflichtenheft*

Was erwarte ich mir also von meinem Referenzlautsprecher:

1. Spaß beim Hören, neutrale Stimmen, tendentiell kräftiger Bass und ein "frisches" Klangbild
2. möglichst gleichmäßiger Frequenzgang und neutrale Wiedergabe
3. möglichst gleichmäßiges Abstrahlverhalten (CD) bei
4. relativ breiter Abstrahlung (also nicht Horn und großer TMT)
5. Sollte sich noch halbwegs einfach bewegen lassen weil die Lautsprecher im Heimkinozimmer vor den Kino Frontlautsprechern stehen und beim Filmschaun weichen müssen.
6. Muss ohne Subwoofer den Bassbereich alleine stemmen (20m² Raum freistehend)
7. Muss mäßig laut gehen (Also meine Nachbarn vom Schlafen abhalten können aber nicht deren Nachbarn)
8. Muss halbwegs einfach zu bauen sein weil ich bin zwar nicht handwerklich unbegabt aber faul
9. Muss halbwegs hübsch zum ansehen sein (unsymmetrische Anordnung finde ich z.B. nicht so hübsch, sehr klobige LSP auch nicht).

Worauf kann ich verzichten?
Erzielbare Lautstärke und Wirkungsgrad. Für richtig laut hab ich andere Lautsprecher.
Ganz tiefen Bass brauche ich auch nicht weil ich eine starke 34Hz Mode im Raum habe die an der Hörposition ~11dB dazugibt.
Wenn der Lautsprecher also einen 35Hz -10dB Punkt hat reicht mir das also aus, mehr Tiefgang ist sogar kontraproduktiv.
Nachbaubarkeit. Soll schon gegeben sein aber es ist ein Lautsprecher für MICH Big Grin

Diese Kriterien werden zum Beispiel von einer LYC oder Disco-M erfüllt.
Mir hat aber die noch etwas breitere Abstrahlung der kleineren DXT-Mon im Vergleich besser gefallen, bei (theoretisch) gleichem Achsfrequenzgang gibt es da mehr Raumreflexionen im Mittel und Hochtonbereich die aus meiner Sicht und in meinem stärker bedämpften Raum dem Klang zuträglich sind.

Es sollte also ein LSP werden der Klanglich ähnlich neutral ist wie die DXT-MON aber
- einen etwas Bassbetonter
- noch etwas "frischer"
- leichte Zugeständnisse ans Budget aufweist ohne klanglich zu sehr zurück zu bleiben (günstigerer TMT, BR statt Passivmembran).

lg Ralf
Zitieren

#3
[ATTACH=CONFIG]43479[/ATTACH][ATTACH=CONFIG]43480[/ATTACH][ATTACH=CONFIG]43481[/ATTACH][ATTACH=CONFIG]43483[/ATTACH][ATTACH=CONFIG]43482[/ATTACH]


Angehängte Dateien Thumbnail(s)
                   
Zitieren

#4
Tja, wenn man eine Duo-DXT und eine Tafal über Nacht alleine im selben Raum lässt, kommt sowas raus...
...mit den breiten Fasen und den Chassis dürfte das Ergebnis richtig gut werden, wenn man die Weiche in den Griff bekommt (oder aktiviert).
Zitieren

#5
Ja, das mit der Weiche war gar nicht so einfach.
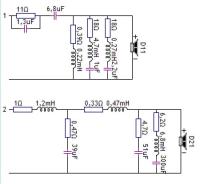
Ich muss gestehen dass ich mir einerseits gleich vorgenommen hatte das passiv zu lösen und andererseits alles im Klang abzubilden was ich gerne haben möchte - so wie ich es aktiv mit Equalizern machen würde. Entsprechend aufwendig ist auch die Weiche geworden die im Moment auch noch extern aufgebaut ist zum schnelleren umstecken:
[ATTACH=CONFIG]43487[/ATTACH][ATTACH=CONFIG]43488[/ATTACH]
23 Teile sind nicht wenig...
D11 ist übrigens der Hochtöner und D21 der Tiefmitteltöner.
Im Fall von Spulen sind die Serienwiderstände im Schaltplan der Spulenwiderstand + ein eventueller extra Ohmscher Widerstand.
Diese Weiche spielt bei mir im Moment.
Der hohe Widerstand in der 1. TMT Spule von 1 Ohm ist übrigens wirklich Absicht, er ergibt sich aus dem Innenwiderstand der Spule von ~0,55 Ohm und einem zusätzlichen 0,39 Ohm Widerstand und einem eingerechneten Übergangswiderstand.

Mit 0,39 Ohm Widerstand sinkt der Bereich unter ~500Hz sehr breit um bis zu 0,8dB und damit klingt der Lautsprecher etwas befreiter und frischer. Ohne diesem Widerstand wird es "runder". Ist geschmackssache und vom Raum abhängig.

Wie sieht das dann aus (Simulation mit Vituixcad aus Reflexionsfreien Messungen in 70cm Abstand, 5ms Fensterung und ab ~200Hz gültig, den Abfall darunter gibt es so in Wirklichkeit NICHT, die tiefen Frequenzen werden durch die zeitliche Fensterung abgeschnitten)

[ATTACH=CONFIG]43490[/ATTACH][ATTACH=CONFIG]43496[/ATTACH]
Abgebildet ist das horizontale Abstrahlverhalten. Als Referenzwinkel habe ich nicht 0° sondern 15° gewählt da mir das sinnvoller erscheint und es unter 0° mehr Unregelmäßigkeiten gibt. Man sieht dass der untere Mittelton und Grundton etwas abgesenkt ist, alles in allem verläuft der Frequenzgang auf 15° aber in einem +-1dB Schlauch. Der Bereich 500Hz bis 1kHz ist etwas angehoben weil es sich sonst langweilig anhört (im Energiefrequenzgang fehlt sonst etwas weil der AL130 hier schon bündelt) Was man leider noch sieht - die 75° Messung (gelb) vom TMT ist verzappelt, das hab ich mit vielen Versuchen nicht besser hinbekommen.

[ATTACH=CONFIG]43491[/ATTACH]

oben: F-Gang 15° sowie der Energiefrequenzgang oben und das Bündelungsmaß unten.

[ATTACH=CONFIG]43493[/ATTACH][ATTACH=CONFIG]43494[/ATTACH]

oben: Die Phasenlage im Übernahmebereich passt auch über weite Bereiche excellent. Entsprechend tief ist auch die Auslöschung bei Verpolung.

So sieht dann noch die Spannung an den Lautsprechern aus (also so "verbiegt" die Weiche den F-Gang):

[ATTACH=CONFIG]43495[/ATTACH]

Und ja, natürlich gehören auch noch echte Messungen am fertigen lebenden Objekt dazu, vielleicht ist mir ja beim Messen oder simulieren ein Fehler unterlaufen und die Simulationen stimmen mit der Wirklichkeit gar nicht überein. Soll schon mal vorgekommen sein... Big Grin


Angehängte Dateien Thumbnail(s)
                       
               
Zitieren

#6
Wie füge ich eigentlich ein Bild in "groß" ein Confused ich erzeuge immer nur die Vorschaubildche die man anklicken muss Sad
Zitieren

#7
albondiga schrieb:Tja, wenn man eine Duo-DXT und eine Tafal über Nacht alleine im selben Raum lässt, kommt sowas raus...

Ich hab ja eine DXT-MON in dem Raum (aktuell ausgeborgt aber ich bau auch eine) und eine TAFAL hatte ich auch mal. Leider haben sich die beiden nie kennengelernt Wink
Zitieren

#8
Ich hab jetzt testweise die DXTAL durch die Wohnung geschleppt und in verschiedenen Räumen und Positionen ausprobiert.

Richtig perfekt funktioniert Sie nur im Raum und an der Position in der ich abgestimmt habe (welch Wunder)...

++ Stark bedämpfter Raum mit viel Wandabstand
+ Normal bedämpfter Raum mit viel Wandabstand
+ Auf einem großen Schreibtisch*
- Schwach bedämpfter Raum in akustisch schlechter Position (war einen Versuch wert aber hier klingen alle LSP schlecht)
- An Positionen die den Bass zusätzlich verstärken (sehr wandnah, in Ecken...)

*hier klingt die DXTAL nochmal besser wenn man den Serienwiderstand zur 1. TMT Spule entfernt wodurch ~1dB mehr Mitten hinzukommen.

Insgesamt würde ich wahrscheinlich für jede Hörposition und jeden Raum die Weiche nochmal anpassen wenn ich ein optimales Ergebnis erzielen möchte.
Da macht es durchaus Sinn eine Raumkorrektur oder einen DSP einzuschalten und das zeigt gut die Limitationen der Passivtechnik.

lg Ralf
Zitieren

#9
Update: ich bin mittlerweile draufgekommen dass meine Messungen nicht ganz stimmen weil die Kalibrierung des Umik-1 etwas fehlerhaft ist.

Hauptsächlich wird zu viel Hochton angezeigt, bei 10kHz sind es ~1,3dB zu viel und bei 20kHz sogar ~3dB.

Damit ergibt sich tatsächlich im Hochton unter 0° kaum mehr eine Überhöhung bei 7-9kHz und bei 15° stellt sich ein ruhiger und ganz leicht fallender Verlauf ein und nicht ein leicht steigender wie die Grafiken suggerieren. Akustisch passt es aber.

lg Ralf
Zitieren

#10
Anbei nun tatsächliche Messungen mit einem richtig kalibrierten Behringer ECM8000, in 1m Entfernung und bei ~85dB sowie nach 5 ms gefenstert (ab~200Hz gültig). 6ms Fensterung ginge auch aber sieht fast gleich aus Wink

Die Verzerrungen sind auch bei 85dB und 0 Grad gemessen worden, sieht auch bei 15° fast gleich aus. Ob das im Bass stimmt weiß ich nicht weil hier ja auch reflexionen usw. drin sein können aber zumindest würde es tendentiell Sinn ergeben dass dort wo der Tieftöner richtig arbeiten muss auch Verzerrungen entstehen (also oberhalb der BR Abstimmfrequenz von ~50Hz).
[ATTACH=CONFIG]43888[/ATTACH][ATTACH=CONFIG]43889[/ATTACH]

lg Ralf


Angehängte Dateien Thumbnail(s)
       
Zitieren

#11
Hallo Ralf,

es gab noch nicht viel Feedback in deinem Thread. Ich lese auf jeden Fall mit sehr viel Interesse mit. Vielen Dank, dass Du uns über deinen Fortschritt in dem Projekt auf dem Laufenden hältst :-)

VG, Peter
Zitieren

#12
Hallo DesLumos,
vielen Dank für die tolle Entwicklung. Die finde ich sehr spannend. Irgendwie lag genau diese Chassiskombination in der Luft! Die Treiber passen sehr gut zueinander und versprechen eine hochwertige Box ohne Phantasiepreis.
Sehr informativ die vielen Bilder.
Etwas knapp kommt bei deiner Erläuterung die Frequenzweiche weg. Sehr eigenartige Bauteilewerte. Üblich sind für die Bassspule doch so circa 2 mH. Wenn ich aber mit Boxsim den AL simuliere, kommt tatsächlich ein ähnlicher Frequenzgang heraus. Muss also wohl passen.
Was bewirken die drei (!) Saugkreise und der zusätzliche Sperrkreis in der Hochtönerweiche?
Grüße
hockulri
Zitieren

#13
Sorry,
habe mal wieder zu schnell geschrieben.
Sind ja nur zwei Saugkreise.
Der "Sperrkreis" ist ja auch nur ein überbrückter Widerstand zur Pegelreduzierung.
Noch einmal Grüße
Ulrich
Zitieren

#14
Hallo Ullirch,

AL130 und DXT sind eine wirklich super Kombi, aus (wirklich rein) optischen Gründen hätte ich halt noch lieber einen schwarzen Tiefmitteltöner gehabt, ich wollte halt unbedingt was mit dem AL machen.

Der erste Saugkreis beim HT mit der 4,7mH Spule nimmt 1 db schmalbandig bei ~2,5kHz weg. Hat mir auf dem Frequenzschrieb optisch nicht gefallen auch wenn es akustisch sicher nicht schrecklich ist. Das ist eher für das gute Gewissen Big Grin Außerdem hab ich die Teile sowieso herumliegen... Man kann auch weniger extreme Werte nehmen - 16 Ohm, 2,2mH und 2,2 Mikrofarad tun es auch fast gleich.

Der 2. Sperrkreis senkt breitbandig die Höhen ab ~4kHz um 1-2 dB. Die Weiche kann mit sehr ähnlichem akustischen Ergebnis auch ganz anders aussehen, das war halt die Variante die mir am Besten gefallen hat akustisch auch wenn zu 10 der 20 anderen Varianten nicht viel um ist.

Bezüglich der Basspule hast du Recht - üblich sind ~2mH bei 8 Ohm wobei du aber die 2. Spule mit 0,47mH auch dazuzählen musst und damit sind wir wieder bei ~1,7mH. Nachdem es sich aber um ein 24dB Weiche handelt gibt es die Spule und Kondensator Abfolge 2x. Das hat den riesen Vorteil dass man mit den Kondensatorwerten und den Widerständen nicht nur die Steilheit der Trennung varriieren kann sondern fast noch wichtiger den Bereich vor der Trennung sehr detailliert anpassen kann. Damit kann man auch den ~700Hz Peak entschärfen der sich sonst zwangsweise ergibt (bei fast jeder Box in der Breite, hat mit dem Gehäuse zu tun). Bei einer 12dB Weiche braucht man dann stattdessen einen Saugkreis (siehe Little Yellow Cab Doku). Das ist nicht notwendigerweise besser oder schlechter aber ich mag das. Auch bei der Hochtönerweiche hätte sich die Möglichkeit ergeben mit einer 24dB Weiche viele Bereiche anzupassen aber ich wollte diese schöne 12dB Flanke die der Hochtöner von ganz alleine macht nutzen (und noch 12dB drauf geben für die 24).

Der Tieftöner hat dann noch einen Saugkreis im Grundton/OberBassbereich um ein bisschen das Bauchige wegzubekommen. Hört sich damit wesentlich klarer an finde ich und weniger belegt. Wenn man mehr Bass haben will so wie ich in dem Fall ist das Problem dass man mit dem Bass auch meistens den Grundton lauter machen muss und das ist mein Weg das wieder weg zu bekommen Smile Dann gibt es noch den Zusatzwiderstand vor dem Tieftöner was auch eigentlich ungewöhnlich ist aber das hab ich ja schon beschrieben Wink

lg Ralf
Zitieren

#15
Hallo DesLumos,
vielen Dank für die ausführliche Erläuterung deiner Weichenschaltung. Das hat mir vieles klarer gemacht. Schließlich handelt es sich ja nicht unbedingt um lehrbuchmäßige Filter. Ich bin überzeugt, dass auch der eine oder die andere den Text interessiert gelesen hat, auch wenn hier nicht ultraviele Kommentare stehen.
Grüße
Ulrich
Zitieren

#16
Hallo Ralf,

ich hole diesen Thread mal wieder hervor, da ich am Überlegen bin, mir ebenfalls eine kleine Box mit dem AL130 und dem SEAS DXT zu bauen - allerdings ohne Fasen und höher getrennt, ausserdem mit der SEAS Passivmembran, bitte ich Dich, doch mal etwas über das Gehäuse zu schreiben...
Bei mir sollen es 8L werden; dann braucht die Passivmembran kein weiteres Gewicht - lt. SEAS-Abstimmtabelle...
Die Gedanken sind frei, wer kann sie erraten, sie fliehen vorbei, wie nächtliche Schatten.
Kein Mensch kann sie wissen, kein Jäger erschießen. Es bleibet dabei: Die Gedanken sind frei.

Liebe Grüße Willi
Zitieren

#17
Hallo Willi,

die Passivmembran hat sicher den Vorteil dass du die Abstimmung nachträglich noch anpassen kannst und mit dem Reflexrohr nicht so aufpassen musst wo hin und ob du wo anstehst oder den Luftstrom behinderst.
Ich glaube allerdings nicht dass sich eine gute Abstimmung mit 8 Litern realisieren lässt. Aktiv geht das sicher aber passiv bin ich inzwischen der Meinung dass ich eigentlich eine etwas größere Box gebraucht hätte als ich Sie gebaut hab.

Zur Erklärung: Ich hab im Moment eine 10L Box mit 50Hz Tuning Frequenz (gemessen über Impedanzmessung). Das ist mit dem Gesamt-Vorwiderstand durch die Spulen in Serie in der Frequenzweiche aber zu viel und führt insgesamt dazu dass der Oberbass etwas zu betont ist.
Diese Betonung im Oberbass/Grundton überlagert dann Mitteltondetails und die Box wirkt etwas belegt. Das sind nur kleine Tendenzen aber mich stört das.

Man kann jetzt alles über dem Bassbereich lauter machen, dann ist der Oberbass nicht mehr betont aber dafür der tiefere Bass zu schwach was ich auch nicht mag ODER man nimmt mit einem teuren Saugkreis der schlecht zu dimensionieren ist genau im Oberbass was weg (meine bisherige Variante) ODER man nimmt besonders teure Spulen mit wenig Innenwiderstand (dann kann man gleich einen anderen Tiefmitteltöner nehmen der besser passt) ODER man macht das Gehäuse einfach minimal größer was die sauberste Lösung wäre.

Alles abgewogen würde ich das passive Gehäuse jetzt einfach etwas größer machen (12L etwa). Wenn du es mit weniger angehst bekommst du dann passiv Probleme mit der Abstimmung und bräuchtest einen Tieftöner der in kleineren Volumina funktioniert oder musst halt Abstriche in der Klangqualität hinnehmen.

Beachte also dass in der Abstimmung wie der Treiber auf Volumen und Passivmembran reagiert auch eben die Weiche eingeht.

Meine Gehäuse sind 21cm Breit, 32cm hoch und 27cm tief wobei alles aus 19mm MDF besteht und die Front aufgedoppelt ist. In der Mitte der Höhe geht von hinten bis zur Mitte der Box ein kleines Teilerbrettchen das wie eine 8 ausgeschnitten ist und das Gehäuse versteift. Würde ich das Gehäuse nochmal machen so würde ich es etwas höher bauen (nach unten verlängern) um eben etwas mehr Volumen unterzubekommen.
Der DXT ist von der Oberkante 8cm entfernt und der AL130 21,5cm (jeweils mittig auf der Front und Mittelpunkt von der Ausfräsung gemessen. Das BR Rohr ist zentral hinter dem DXT Hochtöner und 14cm lang (2x 5cm Durchmesser Trompetenrohr gekürzt). Ursprünglich war auf dem DXT Hochtöner auch ein kleiner Kegel geplant der dann das Bassreflexrohr sozusagen weiter verlängert/langsamer öffnet aber den habe ich dann entfernt weil die entstehende tiefere Anstimmung eben auch ein größeres Gehäuse braucht sonst wird der Bass zu wenig.

Alles sehr kompliziert...

lg Ralf

lg Ralf
Hochtöner

lg Ralf
Zitieren

#18
Hallo,
Danke Ralf, für die ausführliche Erklärung!
Ich komme auf die 8 Liter, weil es bei Peak LSV Gehäuse in 30 x 20 x 25 cm gibt, für schmales Geld
Gegen den zu lauten Grundton Bereich sehe ich einen Saugkreis vor, so jedenfalls lt der ersten Simulation mit Boxsim.
Ich werde demnächst ein eigenes Thema dazu aufmachen....
Die Gedanken sind frei, wer kann sie erraten, sie fliehen vorbei, wie nächtliche Schatten.
Kein Mensch kann sie wissen, kein Jäger erschießen. Es bleibet dabei: Die Gedanken sind frei.

Liebe Grüße Willi
Zitieren

#19
DesLumos schrieb:Wie füge ich eigentlich ein Bild in "groß" ein Confused ich erzeuge immer nur die Vorschaubildche die man anklicken muss Sad

Hallo,
ein interessantes Thema, bin auch stiller Mitleser. Wegen der Frage, wenn du eine Bild eingefügt hast, mach einen Doppelklick auf dem Bild. Dann erscheint das:

[ATTACH=CONFIG]47956[/ATTACH]

Habe das vorhin in der Testecke entdeckt. Mit einem kleinem Bild, eher einem Symbol waren kaum Unterschiede zu sehen, aber mit dem Bildschirmausschnitt wunderbar. Da wird es bei Fotos wahrscheinlich noch mehr vergrößern.


Angehängte Dateien Thumbnail(s)
   
Gruß
Thomas

"Wer der Herde folgt, sieht nur Ärsche"_ frei nach Hannes Jaenicke
Zitieren

#20
Vielen Dank Thomas für den Hinweis mit dem Bild Smile

@ Willi, Peak LSV hat auch etwas größere Gehäuse sehr günstig Smile
Es sollte auch funktionieren wie du dir das gedacht hast aber es ist halt ein großer Kompromiss.

Was ich mit Kompromiss meine: Einerseits ist die Impedanz im Bereich 100 Hz dann mit Sperrkreis sehr gering (2,xx Ohm kann da schon rauskommen bei einem eigentlich 8 Ohm Bass Sad).
Weiters (und das hat mich mehr gestört) wirkt der Saugkreis nach oben hin sehr breit und nimmt auch dort was weg wo du es nicht willst UND man braucht recht große Spulen und Kondensatoren - bei 18-30 mH bist du da bald mal. Mit kleineren Spulen wirkt der Saugkreis noch breiter oder weiter oben. Boxsim sollte das eigentlich ganz gut simulieren und sogesehen weißt du wahrscheinlich eh was dich erwartet. Messen kann man den Bereich Bass und Grundton ja sehr schwer im Raum weil da eben immer der Raum mitspielt und die Position.

lg Ralf
Zitieren



Möglicherweise verwandte Themen…
Thema Verfasser Antworten Ansichten Letzter Beitrag
  Projektvorstellung SiK6.5 - Kompaktlautsprecher mit 6,5 Zoll Sica Koax pcmurx 16 19.885 19.01.2024, 17:28
Letzter Beitrag: linux1972
  Elle S - Kompaktlautsprecher mit SB13PFCR25-4-COAX Roul 6 2.957 13.09.2022, 19:53
Letzter Beitrag: Christoph Gebhard
  Boomshakalaka - Kompaktlautsprecher mit Bass EMP 42 15.983 07.01.2019, 12:30
Letzter Beitrag: juschmidt
  Harwood Referenz Cinema Projekt mit Atmos Upfire Lautsprechern Wuselbi 3 3.381 08.04.2016, 16:40
Letzter Beitrag: Gabrie
  Kompaktlautsprecher mit SPH 176 und Harwood AM22 PK2300 156 44.541 19.09.2015, 06:28
Letzter Beitrag: PK2300
  hoschibills Referenz hoschibill 120 35.127 10.10.2013, 18:48
Letzter Beitrag: hoschibill
  DIY Referenz mit Raumanpassung Latenight 10 11.084 25.09.2012, 14:26
Letzter Beitrag: Latenight

Gehe zu:


Benutzer, die gerade dieses Thema anschauen:
1 Gast/Gäste

Deutsche Übersetzung: MyBB.de, Powered by MyBB, © 2002-2026 Melroy van den Berg.