Themabewertung:
  • 0 Bewertung(en) - 0 im Durchschnitt
  • 1
  • 2
  • 3
  • 4
  • 5
Elektor Mini-Crescendo schwingt oder so
#1
Hi...
Ich hab die Endstufen Mini-Crescendo nochmal gebaut. Leider hab ich ein Problem. Der Ruhestrom ließ sich prima einstellen. Sobald die Endstufen aber etwas leisten müssen, wird ein Ausgangswiderstand richtig heiß.
[ATTACH=CONFIG]43542[/ATTACH]
Ich habe die Treibertransen gewechselt. Vorher MJE340/350, nun original BF 470/469. Bringt nix...wird leiser. Am Poti befindet sich ein 47nF Kondensator parallel. Versuchsweise hab ich zwischen Drain und Source 27pf gelötet und zwischen Gate und Source 330 pF. Hilft nix. Die Widerstände vor der Endstufe sind keine Drahtwiderstände. Kohleschicht hätt ich gern gehabt, Carbon hab ich verbauen müssen.
Leider hab ich kein Ozzi und kann damit auch gar nicht mehr umgehen.

Vielleicht hat ja jemand eine Idee. Ich würde auch irgenwo hinfahren, falls ein User mir helfen könnte...ich wohne in Do...Umkreis so 150 KM wäre machbar...


Gruß
Pedda


Angehängte Dateien Thumbnail(s)
   
Zitieren

#2
Hallo Pedda,

mir ist aufgefallen die Zuordnungen die Du an den FET geschrieben hast ist nicht korrekt.

Es müsste wie folgt sein (Zuordnung zu den Ziffern):
1: Source
2: Drain
3: Gate


Wenn Du mit der fehlerhaften Zuordnung "...zwischen Drain und Source 27pf gelötet und zwischen Gate und Source 330 pF" wäre das aber trotzdem korrekt. Smile


Miss bitte einmal den Widerstand nach ob der noch OK ist, oder eventuell beim Betrieb ohne die zusätzlichen Kondensatoren schon Schaden genommen hat und hochohmig geworden ist.


Hast Du Bilder vom Aufbau? Bestückung- und Lötseite?


Gruß


Nico
Zitieren

#3
Hi...
Danke für den Hinweis. Ich habe es geändert [ATTACH=CONFIG]43552[/ATTACH]

Leider war das Ergebnis mit den Zusatzkondensatoren eine Zeitverzögerung. Der Widerstand wurde trotzdem heiß. Daher hab ich die Teile wieder ausgelötet. Ich stelle gleich mal Bilder ein. Hab mir gestern noch Gedanken gemacht. Meine Lautsprecherabgriffe + - gehen von der Platine. Heißt, ich habe einen gemeinsamen O Bezugspunkt auf der Plaine. Das ist der Tatsache geschuldet, dass ich ein SNT verwende und keinen Trafo mit Siebung.


Angehängte Dateien Thumbnail(s)
   
Zitieren

#4
so...hab den Widerstand mal gemessen und getauscht. Neu 9,88 Ohm...angekokelt 9,62 Ohm. Keine so dolle Abweichung. Den Kondensator am Poti hab ich auf 1 µf hochgestzt. Auf die Tipps hin aus dem diyaudio Forum,
hab ich versuchsweise einen 150 pf Kondensator zwischen Gate und Source (nach 220 Ohm und Außengehäuse des J50) geschaltet. Außerdem habe ich im Eingang einen Widerstand (2,2 K) und Kondensator geändert (1nf).
Jetzt 6,8 K und 330 p. Das ist eher stochern im Nebel...Confused Test steht noch aus...

Aber hier mal Bilder...[ATTACH=CONFIG]43553[/ATTACH][ATTACH=CONFIG]43554[/ATTACH][ATTACH=CONFIG]43555[/ATTACH][ATTACH=CONFIG]43556[/ATTACH]

Pedda


Angehängte Dateien Thumbnail(s)
               
Zitieren

#5
Die Tipps sind aus den Foren Diyaudio und Hifi-Forum....
Ich hatte mal den Mini-Crescendo. Nach einem Blitzeinschlag, schwang da auch eine Seite. Damals hab ich das Teil in die Tonne getreten. Will ich jetzt nicht machen, der Klang ist einfach zu gut....

Aber zu den Tipps

6,8 k /330pf to input
MJE 350/340 anstelle BF-Typen
150 pf Gate/Source J50
47 nf parallel zu Poti

Hifi-Forum die erwähnten 27p/270-330p an 2SK 134....leider nüscht
1µf parallel zum Poti
Zitieren

#6
Urg...
Bisher waren alle ausprobierten Tipps fürn Ar....Sad
Zitieren

#7
Hallo Pedda,

ist das Problem auf beiden Kanälen gleich vorhanden?
Passen die ganzen Spannungen mit den Angaben im Plan überein?
Sind die beiden R17/R18 absichtlich "nur" 4,6K?
Wie steht es um R3 wenn das Problem da ist? Bleibt der kühl oder erwärmt der sich?


Unabhängig davon: Ich würde auf original zurückbauen;
+ zusätzlich an T11 27/33pF an Drain und Gate + 270/330pF zwischen Gate und Source.
+ 1uF über dem Poti
+ Layout der Gate-Widerstände R23/R24 würde ich ändern. Die Leiterbahn auf Seite der Treiber kannst Du weiter verwenden; von da jedoch direkt diagonal in Richtung des jeweiligen Gate Pins. Körper des Widerstandes mit so wenig wie möglich Leiterlänge direkt an den Gate-Pin. Den überflüssigen Rest der originalen Leiterbahn abtrennen und runterkratzen.

Wenn es das nicht bringt würde ich so noch einmal ohne die zusätzlich 0V Verbindung testen und die Lautsprecher tatsächlich direkt am Netzteil abschließen.

Gruß

Nico
Zitieren

#8
Hi..
Jap...beide Kanäle verhalten sich gleich. R3 passiert nichts. Hat nur 1/4 Watt und bleibt kühl. R17/18 sind 4,7 K 1Watt. So ist es im Plan.
Also hab ich R23/24 mal den direkten Weg nehmen lassen und die überflüssige Bahn durchtrennt.
Vor dem SNT ist ein Massepunkt entstanden. Heißt....Ground geht auf einen Knotenpunkt. Davon geht Ground Platine und Ground Speaker ab. Wie im Lehrbuch...wenns hilft. Die Schleife über die Platine ist weg..

Heute hab ich keinen Bock mehr...Rolleyes
Zitieren

#9
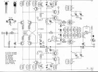
Hallo Pedda,

nach welchem Schaltplan ist die Endstufe dimensioniert?

Nach dem ?
[ATTACH=CONFIG]43577[/ATTACH]

Da würde ich so einiges ändern Rolleyes

Sind die Emitterwiderstände von T1-4 bei dir tatsächlich 150 Ohm und nicht nur 15? Das würde mit ziemlicher Sicherheit zu deinem geschilderten Problem führen.

Gruß Patrick


Angehängte Dateien Thumbnail(s)
   
スピーカ ist japanisch und heißt Lautsprecher
Zitieren

#10
Hi Patrick,

es ist der kleine Bruder [ATTACH=CONFIG]43579[/ATTACH]

Die 50 Watt-Version. Die würd mir auch reichen. Jedenfalls hab ich den Tipp mit 33/330 pf D+G/G+S am 2SK134/135 jetzt schon öfter gelesen. Ich hab mal noch Teile bestellt. Die Widerstände gehen mir aus Smile und von den pf Kondensatoren hab ich auch nicht reichlich...Smile
Nachdem ich den Zwerg heute 10x rein und rausgeschraubt hab...bin ich durch. Hat ja nix geholfen....der olle Zobelwiderstand wird heiß...
Die Widerstände sind tatsächlich 150 Ohm. So ist das im Plan und auch in der Liste.

Dafür läuft der "Dicke" GB150D " aber anderes Thema


Angehängte Dateien Thumbnail(s)
   
Zitieren

#11
Hallo Pedda,

könnte mit Oszi und kleiner 150km dienen, habe aber die nächsten zwei Wochen keine Zeit.
(Komme gerade von einem Wolkenbrucheinsatz bei den Nachbarn mit vollgelaufenen Keller)

Wenn ich dein Problem in Beitag #1 verstanden habe raucht dir der Widerstand R5 aus Schaltplan in #10 ab.

Mein Gedanken dazu:
1.)
R2/C3 hat fg von 72kHz C3 auf 10nF ändern um Fehler in der Quelle auszuschließen.
Hatte ich persönlich schon einmal: ein schwingende Vorstufe.

2.)
An T11/12 (aus #10) je einen Kondensator von Gate nach Source schließen. Grenzfrequenz von ~ 10kHz; also etwa 6,8 - 10 nF. Damit schließt du eine (eventuelle) Schwingneigung der Ausgangs-Fets aus, bzw. es wird in den höhrbaren Bereich verlegt. Auch der dicke Kondensator über das Poti P1 im µF-Bereich (in einen der vorherigen Beiträgen) ist da hilfreich.

Gruß
Thomas
Zitieren

#12
_Nico_ schrieb:+ Layout der Gate-Widerstände R23/R24 würde ich ändern. Die Leiterbahn auf Seite der Treiber kannst Du weiter verwenden; von da jedoch direkt diagonal in Richtung des jeweiligen Gate Pins. Körper des Widerstandes mit so wenig wie möglich Leiterlänge direkt an den Gate-Pin. Den überflüssigen Rest der originalen Leiterbahn abtrennen und runterkratzen.
Wenn ich das richtig verstehe, sollen die Widerstände überbrückt werden.
Dies ist keine gute Idee!!!
Die beiden Widerstände bilden mit der Gate/Source Kapazität einen Tiefpass.
Wenn der Widerstand überbrückt wird, kann/wird die Schwingneigung der Ausgangstransistoren zunehmen.

Gruß
Thomas
Zitieren

#13
Hallo Thomas,
ich danke schon mal für das Angebot. Find ich supernett...

Keine Angst...die Gate-Widerstände sind nicht raus, haben nur den direkten Weg gefunden, quasi quer. Das Stückchen Leiterbahn, welches vorher zum Gate lief, wurde durchtrennt, da die Widerstände direkt aufliegen.
C3 ändern probier ich aus. Geh ich auf 10nF. Müßte ich sogar hier haben.
Ich hatte ja mal 330pf geschaltet, jedenfalls beim 2SK134. Brachte nix. Daher kann ich versuchsweise mal 10 nF anschalten. 100 nf waren wohl zuviel...da wurden die Endtöpfe warm...Confused Das hatte ich probiert.
Also schalte ich mal 10 nf an beide Mosfets...

Danke
Zitieren

#14
Tja...Zwangspause. Hab leider doch noch Teile bestellen müssen...ich werde berichten.
Zitieren

#15
Hallo Pedda,
du benutzt als Netzteil ja ein SNT.
Die Störungen können auch darüber herkommen.

Lösung wäre so etwas:
[ATTACH=CONFIG]43583[/ATTACH]
Auch in die negative Versorgung!!!

Dimensionierung:
Widerstand niederohmig so etwa 10 Ohm, was deine Bauteilekiste so hat.
Kondensator: abhängig von der Schaltfrequenz des SNTs. Kein Elko!

Gruß
Thomas


Angehängte Dateien Thumbnail(s)
   
Zitieren

#16
Hallo Thomas,

danke für den Tipp. Das hab ich bei Connex kopiert ..The LLC Series Resonant Converter also run at variable frequency, depending on the load value, typically in range of 110KHz to 250KHz
Dann bin ich mit meinem Latein am Ende.
Nachdem was ich so gefunden habe sollte ein Wima 0,1 µF reichen ?

Wieviel Watt muß der Widerstand denn haben ? 2 Watt hab ich eh bestellt.

Pedda
Zitieren

#17
Versuchs doch mal mit einem 220pf parallel zum R6 (33k). Ich hatte gaanz früher auch die Minicrescendo Endstufen und hatte glücklicherweise keine Probleme damit. Allerdings hatte ich das Orginallayout der Leiterplatte verwendet. Klanglich fand ich den Verstärker ausgezeichnet, also verlier nicht nir Nerven und schmeiss ihn bloß nicht weg!

Gruss von Sven
Zitieren

#18
Hallo Pedda,
die Connex-Angabe sagt, das das SNT (je nach Last) mit einer variablen Taktfrequenz fährt. (Schlimmster Fall sind für den Tiefpass die 110kHz)


Durch den zusätzlichen (roten) Widerstand in Beitrag #15 (+ Schaltplan in #10) gehen folgende Ströme:

1.) R15 (1,2V/82Ohm) → 15mA
2.) D1 ((50-3,9)V/4700Ohm) → 10mA
3.) T1/T2 (3,3V/2700Ohm) → 1mA
Also in Summe etwa 26mA.
Verlustleistung in einem 10 Ohm-Widerstand wäre 10 Ohm * 26 mA * 26 mA = 0,7 mW
(Ich denke das du keinen so kleinen Widerstand im Sortiment hast) ;-)


Wegen Kondensator 0,1µF
Bildet mit dem 10 Ohm-Widerstand eine Grenzfrequenz von 1/(10 Ohm * 0,1 µF * 2 *Pi) etwa 160 kHz. (Das liegt im Frequenzbereich des SNTs.)
Würde einen größeren Widerstand nehmen oder zwei Kondensatoren parallel schalten.


Vorschlag von Sven #17
Auch richtig die Verstärkung ab einer Frequenz zu reduzieren, den dies reduziert auch die Schwingneigung.
Die Grenzfrequenz liegt mit 1/(220pF * 33kOhm * 2 * Pi) bei 22kHz.
Wäre mir zu nahe am Nutzbereich des Verstärkers. Würde es eher mit 100 – 150 pf probieren, den die können dann drin bleiben.


Gruß
Thomas
Zitieren

#19
Hi Sven..

jap, der Klang ist genial...leider im Moment nicht lange...Rolleyes aber keine Sorge...ich werde ihn nicht wegwerfen. Ich kann, dank Eurer Tipps, ja noch eine Menge ausprobieren.
Die Platinen sind übrigens vom Originallayout. Blöderweise nicht in 70µ sondern 35µ. Das stand nämlich erstmal nirgendwo. Hab ich erst nachträglich gelesen. Daher hab ich etwas höher verzint im Leistungsbereich.
Ich habe noch alte Elektorbücher. Viel nachgebaut habe ich nicht. Damal den Mini-Crescendo...lief erst ohne Probleme. Dann hatte ich den C-Mos-Preamp, Supra...sonst nur Kleinkram.
Das verschrauben von Class-D-Modulen ist doch einfacher Smile

@Thomas

Dir auch herzlichen Dank. Ich lerne doch immer dazu. Ich hab noch 1 Watt 10 Ohm hier. Mit 100 nF kann ich Leute bewerfen...Rest habe ich bestellt. Bei meinen 10 nF bin ich mir nicht sicher von der Spannung her. Sind auch zu wenig. Ich werde an einer Platine versuchen und den Kühlkörper irgendwie Ausklappen oder einen Kühlkörper mit Schiene nehmen. Dann kann ich die Platine auch mal drehen. Bei meiner Konstruktion ist es eher nervig. Ich muß das Teil immer erst ausschrauben.

150 pf hab ich...Smile

Hätt ich das vorher gewußt, hätt ich mich mal mit Kondensatoren eingedeckt Smile

Vielleicht finde ich morgen Zeit, das umzusetzen wo Teile vorhanden sind. Ich stell dann Bilder ein.

Gruß
Pedda
Zitieren

#20
Hi..
Hat mir ja doch keine Ruhe gelassen. Ich hab jetzt folgende Änderungen durchgeführt. Leiterbahnen habe ich geschnitten (an den kleinen Elkos C8/C9) und dann jeweils einen 10 Ohm/1Watt Widerstand eingelötet, der nun zwischen +- 50 Volt und dem Rest liegt. Ich habe jeweils kleine Brücken gelegt, die das Layout nicht stören sollten. An zwei Punkten habe ich dann 2x 100 nF parallel gelötet und eine Verbindung zum 0 der Platine hergestellt.
Nach R3. Da wird der 0 ja aufgesplittet.
Am Poti ist 1 µf parallel. 150 pF nun parallel zu R6, wie Sven es ja vorschlug.

Damit ich das Ding nicht immer aus dem Gehäuse nehmen muß, habe ich einen Kühler angeflanscht. Dauerbelasung muß ja nicht...Die Leitungen vom SMPS verlängert. Gemeinsamen Massepunkt beibehalten...

[ATTACH=CONFIG]43592[/ATTACH][ATTACH=CONFIG]43593[/ATTACH]


Schönes WE
Pedda


Angehängte Dateien Thumbnail(s)
       
Zitieren



Möglicherweise verwandte Themen…
Thema Verfasser Antworten Ansichten Letzter Beitrag
  Nelson Pass Mini oder ähnlich... tiefton 13 5.480 02.11.2024, 10:21
Letzter Beitrag: ArLo62
  8-Kanal-Quellenumschalter oder -Vorverstärker T. Schmidt 7 6.487 16.06.2024, 03:17
Letzter Beitrag: Franky
  Mini-Crescendo im neuen Gewand Kleinhorn 12 8.272 27.03.2024, 10:36
Letzter Beitrag: Kleinhorn
  Elektor Fortissimo-100 gesperrter_benutzer_ct 15 8.519 14.10.2022, 16:45
Letzter Beitrag: Kalle
  Umbau XTZ SA-1 für aktive 2 oder 2.5 Wege Design Brad Majors 8 4.384 23.03.2022, 23:29
Letzter Beitrag: Brad Majors
  DAC von AUDIOPHONICS RASPDAC MINI frage zu Klangqualität Raspberry Pi 4 & DAC ES9038Q LongLong00 12 9.016 04.01.2021, 15:30
Letzter Beitrag: LongLong00
  Beocreate - Dänische Delikatesse oder nur Spielzeug? JazzJack 9 12.286 07.07.2018, 12:43
Letzter Beitrag: Ausgeschiedener Benutzer
  Hat schon wer erfahrung mit Preamp-Modul mit PGA2311 und oder mit DRV134 Single Ended kleinerBastler 25 13.076 20.09.2016, 17:45
Letzter Beitrag: kleinerBastler
  Suche Mini Mono Verstärker Modul für W2-803SM Tommy 6 4.044 01.02.2015, 19:47
Letzter Beitrag: Tommy
  Ukw-Tuner Bausatz oder Fertig-Platine ? kasbc 16 16.801 13.01.2011, 11:54
Letzter Beitrag: kasbc

Gehe zu:


Benutzer, die gerade dieses Thema anschauen:
1 Gast/Gäste

Deutsche Übersetzung: MyBB.de, Powered by MyBB, © 2002-2026 Melroy van den Berg.