Themabewertung:
  • 0 Bewertung(en) - 0 im Durchschnitt
  • 1
  • 2
  • 3
  • 4
  • 5
Widerstand zwecklos?
#1
Hallo liebes Forum,


seit langer Zeit widme ich mich einmal wieder einem alten Verstärker, genauer gesagt, dessen Netzteil.
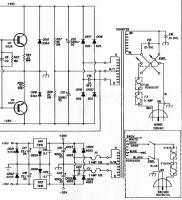
Eigentlich sollte ein simpler Tausch der Kondensatoren vorgenommen werden, was jedoch währenddessen dazu führte, dass mir zwischenzeitlich der LM 340 durchgebrannt ist. Die folgende Messung zeigte mir, dass an dessen Eingang plötzlich die vollen 42V angelegen haben, das hat ihn also gehimmelt.

[ATTACH=CONFIG]55325[/ATTACH]

Er bekommt ja eigentlich von der unteren Sekundärwicklung, anschließender Gleichrichtung und Glättung "nur" die 28 V verpasst und regelt diese dann auf 15 V runter. Die 42 V kommen also von "oben" über den 1,5kOhm Widerstand (der übrigens heile ist). Beim Durchtesten habe ich mich gefragt, wozu dieser Widerstand überhaupt zweckmäßig ist?
Löte ich diesen Widerstand ersatzlos aus, bekommt der Eingang des LM 340 wider die 28 V.

Kann mich jemand dazu aufklären? Über Tipps und Hilfe bin ich dankbar!

Viele Grüße und bleibt gesund!

Thomas


Angehängte Dateien Thumbnail(s)
   
Zitieren

#2
Hallo Namensvetter,
mein 5 Cent zu dem Thema:
t.wagner schrieb:Löte ich diesen Widerstand ersatzlos aus, bekommt der Eingang des LM 340 wider die 28 V.
Den Widerstand hätte ich auch entfernt und mir keine Sorgen mehr gemacht.
Der LM340 hält laut Datenblatt auch nur max. 35 Volt aus!

Die beiden Netzteil sind über die Masse verbunden, der Widerling macht nur Probleme.

Gruß
Thomas
Zitieren

#3
Hallo Thomas!
Was ist das für ein Gerät?
Gruß
Arnim
Gruß
Arnim

Ein rein verstandesmäßiges Weltbild ganz ohne Mystik ist ein Unding. Erwin Schrödinger.
Zitieren

#4
ArLo62 schrieb:Hallo Thomas!
Was ist das für ein Gerät?
Gruß
Arnim

Moin Arnim,

das ist ein alter Peavey Vertärker, für Gitarre und Bass.

Den Widerstand halte ich auch für übrig, jedoch kommen mir Zweifel beispielsweise ob er einen Zweck während des Ein- oder Ausschaltens hat...
Zitieren

#5
...in Gitarre-Verstärkern gibt es eben gern mal Überraschungen.
Möglicher Hintergrund für diesen (eigentlich überflüssigen) Widerstand
ist der Gedanke, dass die 42 V brummärmer sind, und damit die
Restwelligkeit am Ausgang vom LM 340 reduziert werden sollConfused.

Ich habe vor kurzem mal einen VOX AC 50 überholt (mache ich sonst nicht),
da gibt es eine Sicherung vom Minus des Brückengleichrichters zur Masse.
Das ist sicherungstechnisch sehr einfach, fördert aber den Brumm. Habe ich
in den Pluszweig verlegt. Brumm erheblich leiser.

Ich würde mir das an dem Peavy auch (vom Brummen her) erst mal anhören,
vielleicht ist das (oben vermutete) wirklich der Hintergrund. Bei intaktem LM 340
denke ich, ist die Spannung mit dem 1,5 kOhm am Eingang auch nicht 42 V.
Kann mich aber auch irren.
Beste Grüße, bleibt gesund.Smile
Zitieren

#6
Besten Dank schon einnmal an Euch alle!

Ich werde mal einen neuen LM340 besorgen und ohne diesen Widerstand testen, ob es Brumm gibt.
Meine Gedanken gingen noch in die Richtung, ob der Widerstand beim Ausschalten des Amps ein Knall in den Boxen verhindern soll, indem die Spannung bei Zusammenbrechen des Magnetfeldes dort abgeleitet wird??? So eine Art Vorläufer eines Varistors...

In diesem Zusammenhang ist mir aufgefallen, dass der Trafo primärseitig auf 120V, 220V und 240V geschaltet werden kann (mehrere Abgriffe). Zurzeit ist er auf 220V verdrahtet (das Gerät kommt aus den 80er Jahren).
Ich denke, es würde auch Sinn machen, dies mal auf den 240V Abgriff zu legen, da hier mittlerweile ja gerne mal 235V im Netz vorhanden sind. Oder spricht was dagegen?

Danke nochmals und VG,

Thomas
Zitieren

#7
...spricht absolut nichts gegen die 240V-Schaltstellung,
das ist auf jeden Fall die sicherste Variante.
Netzbetreiber sind auch schon mal (kurzzeitig) mit 10% Überspannung dabeiSad.
Dafür bauen seriöse Hersteller (wie auch gegen Blitzeinschlag)
einen Varistor in ihre Geräte....

Deine Vermutung auf "Plop"-Unterdrückung kann durchaus zutreffen.
Sehr interessanter Aspekt.
Zitieren

#8
Hallo Thomas!
t.wagner schrieb:...ob er einen Zweck während des Ein- oder Ausschaltens hat...
Die Idee habe ich auch. Man muss sich überlegen was genau beim Ein-/ Ausschalten passiert. Ich verstehe nur nicht wieso das nur in einem Ast der Spannungsversorgung passiert.

Gruß
Arnim
Gruß
Arnim

Ein rein verstandesmäßiges Weltbild ganz ohne Mystik ist ein Unding. Erwin Schrödinger.
Zitieren

#9
Ich stimme auch für die Idee mit der "Knallunterdrückung". Kann sein, dass dieser WIderstand hilft, beim Ausschalten einen Teil des Preamps ein Bisschen länger in Betrieb zu halten als die Endstufe.

Gruss

Charles
Zitieren

#10
Hallo Charles!
:prost:
Gruß
Arnim
Gruß
Arnim

Ein rein verstandesmäßiges Weltbild ganz ohne Mystik ist ein Unding. Erwin Schrödinger.
Zitieren

#11
Ich habe noch einen Schaltplan eines ähnlichen Peavey Modells gefunden. Die Netzteilbaugruppe scheint sich wohl immer aus den gleichen Bauteilwerten zusammenzusetzen.
Hier ist allerdings der o(h)minöse 1,5kOhm Widerstand nicht mehr verzeichnet. Ansonsten, so behaupte ich mal, sind die Netzteile identisch aufgebaut.

[ATTACH=CONFIG]55326[/ATTACH]

Ich tendiere stark dazu, den Widerstand ersatzlos zu entfernen und (bei Ausschalt-PLOPP) einen Varistor einzusetzen. An welche Stelle wäre ein Varistor zu setzen? Direkt parallel zur Primärspule?

Vielen Dank nochmals - Ihr helft mir alle sehr weiter!

LG, Thomas


Angehängte Dateien Thumbnail(s)
   
Zitieren

#12
Hallo Thomas!
Man kann das Netzteil schlecht losgelöst von der Gesamtschaltung sehen. Versuche es einfach ohne Widerstand.
Einen Varistor als Strombegrenzung primärseitig beim Einschalten wenn du das meinst.
Ploppen kommt ja meist durch das Laden der Elkos beim Einschalten. Das wird vermutlich nur durch Zeit-RC-Glied und Relais in den Griff zu kriegen sein.
So ganz verstanden habe ich auch nicht wie eine funktionierende Schaltung durch Kondensatorwechsel himmelt. Hast Du da größere Elkos reingepackt?
Gruß
Arnim
Gruß
Arnim

Ein rein verstandesmäßiges Weltbild ganz ohne Mystik ist ein Unding. Erwin Schrödinger.
Zitieren

#13
ArLo62 schrieb:Hallo Thomas!
So ganz verstanden habe ich auch nicht wie eine funktionierende Schaltung durch Kondensatorwechsel himmelt. Hast Du da größere Elkos reingepackt?
Gruß
Arnim

Die gewechselten Elkos entsprechen den Werten der vorherigen Elkos, nur die Spannungsfestigkeit war damals wohl bei 35V, nun bei 40V. Aber das sollte wohl nichts ausmachen.
Einzig die großen 5000uF Elkos auf der 42V Seite hatte ich bereits von 3 Jahren mal gewechselt und in Ermangelung des exakten Wertes auf 6800uF vergrößert.

Also, Zwischenfazit: Ich besorge einen neuen LM340, lasse den Widerstand weg, teste den Verstärker, wenn es ein Ausschalt-Plopp gibt, setze ich noch einen Varistor parallel zur Primärwicklung des Trafos.
Sobald ich Ergebnisse habe, melde ich mich wieder!

Allerbesten Dank Euch Allen!

LG, Thomas
Zitieren

#14
Hallo Thomas!
Der Varistor parallel zur Primärwicklung dient nur als Überspannungsschutz.
Für die Einschaltstrombegrenzung braucht man einen NTC und ein Relais. Wird aber trotzdem ploppen da sich die Elkos immer noch sehr schnell vollpumpen.
Guckst Du: https://www.wikiwand.com/de/Sanftanlauf
Gruß
Arnim
Gruß
Arnim

Ein rein verstandesmäßiges Weltbild ganz ohne Mystik ist ein Unding. Erwin Schrödinger.
Zitieren

#15
Ein/Ausschaltplop hilft nur ein Relais (oder eine andere Unterbrecherlösung was zeitverzögert ein und superschnell ausschaltet.
Eine Varistor hilft, wie mein Vorredner schon beschieben hat, da gar nicht.

Und wegen durchgebrannten LM340:
Grenzspannung max. 35 Volt.
Mit den 42 Volt aus Schaltplan in #1 ergeben sich da (42 - 35)V /1500 Ohm = 4,66mA.
Im Datenblatt vom LM340 ist leider keine Angabe zur typischen Stromaufnahme zu finden, nur max. = 8mA.
Der kann nur gestorben sein, wenn die Restschaltung nicht mehr dran war. Ansonst ist der mit/ohne Widerstand nicht zerstörbar.

Gruß
Thomas
Zitieren

#16
bei meinen Bemerkungen #7 hatte ich einen kleinen Absatz, das betraf da
zwei "Baustellen". Charles hat das in #9 im Prinzip schon fast geklärt.

Das deckt sich mit meiner Verstärker-Entwicklung, bei der ich für die
Plop-Unterdrückung beim Einschalten nur den Eingang der Endstufe für
500ms kurzschließe, und es gibt keinen Blub oder ähnliches am Lautsprecher,
dasselbe beim Ausschalten, da wird dasselbe veranstaltet.

Es gibt natürlich unterschiedliche Konzepte bei Endstufen. Sind Lautsprecher
direkt (ohne Cs) an gleichspannungsgekoppelte Endstufen angeschlossen,
ist meist eine verzögerte Zuschaltung der Lautsprecher über Relais nicht
umgänglich.

Ich denke noch immer, dass bei dem Peavey-amp der Widerstand den Plop
verhindern soll, dank Charles` Beitrag stärkt das meine Vermutung.

Klar hat ein Varistor an der Primärseite des Trafos überhaupt nichts damit zu tun.
Solche Teile begrenzen die Spannung meist bei 250V, K gibt an, welchen Strom
sie dabei "abkönnen".
SadVielleicht hat ein "Blitzchen" deinen LM 304 mal zerstört:mad:
Zitieren

#17
Moin Thomas, was ich nichr so ganz verstehe - wenn der OP über die Wupper gegangen ist - wie kannst Du die Schaltung / den Schaltungsteil denn überhaupt sinnvoll messen? Klar liegt am unteren Anschluß des 1,5k-Widerstandes die vollen 42V an, hängt er doch ohne den OP, mit dessen Eingang er quasi einen Spannungsteiler bildet, kpl. "in der Luft", es fließt kein Strom über ihn ab, so dass die vollen 42V über ihm abfallen MÜSSEN(!). Oder habe ich da etwas falsch verstanden ?
Es ist einfacher die Leute zu täuschen,
als sie davon zu überzeugen,
dass sie getäuscht wurden. (Mark Twain)

Audioviele Grüße,
Matthias
Zitieren

#18
...nö, nichts falsch verstanden.
Alles o.k. Nur, wenn der LM 340 weg (offen) ist, gibt es eine
Spannungsteilung. Die Dioden CR 20 und CR 21 sind niederohmiger
als der 1,5kOhm-Widerstand, ansonsten würden die 42 V ja auch
den Elko C 28 "sprengen", der ist für max. 35 V ausgelegt.
Es dominiert also die kleinere Spannung, die nur ganz wenig
erhöht würde. Könnte man auch rechnen, ist aber heute zu heißWink.
Zitieren

#19
Verstehe ich aber auch nicht, denn lt. Thomas (Wagner) liegen die 42V doch am Pluspol von C28 an. Oder wie, wo und unter welchen Bedingungen hat er die gemessen ?
Und soooo schnell stirbt ein Elko bei 20% Überspannung nun auch nicht.

Edit: und nach meinem Dafürhalten machen die Dioden CR20, CR21 bei U-Kathode > U-Annode einfach zu.
Es ist einfacher die Leute zu täuschen,
als sie davon zu überzeugen,
dass sie getäuscht wurden. (Mark Twain)

Audioviele Grüße,
Matthias
Zitieren

#20
Wirst wohl richtig liegen, Matthias !
Es sei denn, es liegt ein Messfehler vor.
Normal hat eine Gleichspannungsversorgung einen sehr
geringen Innenwiderstand, der sich von den 9,3mA, die
sich über den 1k5 ergeben, nicht beeindrucken lässt.
Ansonsten müsste der Brückengleichrichter auch einen
Fehler haben.

Manchmal bin ich einfach zu schnell mit meinen
Beurteilungen. Jetzt interessiert mich das aber so, dass ich
um einen Probeaufbau wohl nicht herumkomme.
Aber nicht, um recht zu haben, bin kritikempfänglich,
anders käme man ja nicht vorwärts (alles Einbahnstraßen)Smile
Zitieren



Gehe zu:


Benutzer, die gerade dieses Thema anschauen:
1 Gast/Gäste

Deutsche Übersetzung: MyBB.de, Powered by MyBB, © 2002-2026 Melroy van den Berg.