Themabewertung:
  • 0 Bewertung(en) - 0 im Durchschnitt
  • 1
  • 2
  • 3
  • 4
  • 5
Bowers & Wilkins AS6 Subwoofer defekt. Muting transistor?
#1
Hallo zusammen,
Habe einen alten Bowers & Wilkins AS6 Subwoofer in Betrieb, der von jetzt auf gleich seinen Dienst quittiert hat. Jetzt frage ich mich, ob ich die große fehlersuche im verstärkermodul gehen soll oder einfach das verstärkermodul z.b. durch ein hypex DS 2.0 austauschen soll. Was meint ihr? Ist die Qualität des der beiden Verstärker Module vergleichbar?

Ich habe mir schon einmal die Schaltpläne bzw das Service Manual für den AS6 besorgt. Da reden wird auf den Meeting Transistor hingewiesen, das in dem Fall, dass dieser aktiv ist, ein Kondensator ausgetauscht werden soll.

Das Subwoofer ist quasi tot. Spielt also keine Musik mehr. Allerdings kann man beobachten, dass, wenn man ihn einschaltet der Treiber in eine Richtung zieht und die Membran ausgelenkt hält. Ist das ein Fehler, der durch einen aktivierten muting Transistor ausgelöst wird? Der Fehler besteht auch, wenn man die Vorverstärker Einheit von der Endstufe abtrennt.
Der Muting Transistor ist ein 2sc2785. Nicht ganz einfach zu bekommen. Gibt es dafür einen sinnvollen Alternativen Transistor, den man bedenkenlos einsetzen kann? Habe dazu folgende Alternativen gefunden.2SA1175. scheint auch nicht viel einfacher zu besorgen zu sein
bin gespannt auf eure Tipps oder Antworten bezüglich der Qualität der Verstärker Module.
Viele Grüße
Zitieren

#2
Moin,
ich kann dir bei deinem Problem nicht direkt weiterhelfen, jedoch wirst du deinen Transistor bei Ebay ohne Probleme finden können.
Zitieren

#3
Nolie schrieb:Moin,
ich kann dir bei deinem Problem nicht direkt weiterhelfen, jedoch wirst du deinen Transistor bei Ebay ohne Probleme finden können.

Stimmt leider nicht so ganz. Nur Ware aus China, Griechenland und UK.
Zitieren

#4
Hi...
Ich verstehe das anders. Der 2SA1175 ist der Gegenspieler, nicht der Ersatz. Das ist ein PNP. Der 2SC aber ein NPN.
NPN 60Volt, 100mA, 0,25Watt, 250MHz TO92
Vielleicht mal Google quälen. Vorsicht....anderes Pinout möglich.
Ob 60 Volt anliegen weiß ich nicht. Ansonsten BC550 oder ähnlich, die 250MHZ erreichen der aber nicht. Auch hier keine Idee, ob notwendig...

Pedda
Hier wird nix gewußt...
Zitieren

#5
Du hast jetzt keinen guten Lauf mit den Subwooferendstufen ? Confused
Wenn ich mir die Kondensatorspg anschaue...da ist anscheinend nix über 50 Volt. Daher kann man einen der o g Transen mal ausprobieren.
Oder der Vogel 2SC945P Pinout scheint gleich zu sein...
[URL="https://www.ebay.de/itm/5-x-2SC945P-NPN-Silicon-Transistor-250mW-20mA-50V-100-Philips-TO-92-5pcs/150915481818?hash=item23234380da:g:CQkAAOSwFD1c1wHB"]https://www.ebay.de/itm/5-x-2SC945P-NPN-Silicon-Transistor-250mW-20mA-50V-100-Philips-TO-92-5pcs/150915481818?hash=item23234380da:g:CQkAAOSwFD1c1wHB



[/URL]
Hier wird nix gewußt...
Zitieren

#6
Hilfreich wäre eine Vergleichstabelle, hab ich aber nich...
Desweiteren ein Auszug vom Schaltplan...wenn Du ihn schon hast.
Es gibt einen Reparaturversuch bezüglich eines Kondensators. Daher wohl DC am Ausgang...
Hier wird nix gewußt...
Zitieren

#7
Hab noch ein bisschen gelesen...bei dem Transistor handelt es sich um einen speziellen Muting Typ. Wird wohl einen Grund dafür geben. Mit einem anderen Transistor wird es auch funktionieren, weil der nicht direkt im Signalweg liegt.
Alles ohne Gewähr...
Ausprobieren kann man das.
Hier wird nix gewußt...
Zitieren

#8
Kleinhorn schrieb:Hi...
Ich verstehe das anders. Der 2SA1175 ist der Gegenspieler, nicht der Ersatz. Das ist ein PNP. Der 2SC aber ein NPN.
NPN 60Volt, 100mA, 0,25Watt, 250MHz TO92
Vielleicht mal Google quälen. Vorsicht....anderes Pinout möglich.
Ob 60 Volt anliegen weiß ich nicht. Ansonsten BC556/557/558/559/560, die 250MHZ erreichen die aber nicht. Auch hier keine Idee, ob notwendig...

Pedda

Stimmt, das ist der komplementäre.

nach VergleichsTabelle wären diese hier einigermaßen kompatibel.

[h=2]Cross-Reference Search Result (Equivalent Transistors)[/h][TABLE="class: sort"]
[TR]
[TD="class: curcol, bgcolor: #999999, align: center"]↓ Type[/TD]
[TD="align: center"]Code[/TD]
[TD="align: center"] Mat[/TD]
[TD="align: center"] Struct[/TD]
[TD="align: center"] Pc[/TD]
[TD="align: center"] Vcb[/TD]
[TD="align: center"] Vce[/TD]
[TD="align: center"] Veb[/TD]
[TD="align: center"] Ic[/TD]
[TD="align: center"] Tj[/TD]
[TD="align: center"] Ft[/TD]
[TD="align: center"] Cc[/TD]
[TD="align: center"] Hfe[/TD]
[TD="align: center"] Caps[/TD]
[/TR]
[TR]
[TD]2SC2785[/TD]
[TD] [/TD]
[TD] Si[/TD]
[TD] NPN[/TD]
[TD] 0.25[/TD]
[TD] 60[/TD]
[TD] 50[/TD]
[TD] 5[/TD]
[TD] 0.1[/TD]
[TD] 125[/TD]
[TD] 300[/TD]
[TD] 3[/TD]
[TD] 200[/TD]
[TD] SOT33[/TD]
[/TR]
[TR]
[TD]2SD1458[/TD]
[TD] [/TD]
[TD] Si[/TD]
[TD] NPN[/TD]
[TD] 1[/TD]
[TD] 60[/TD]
[TD] [/TD]
[TD] [/TD]
[TD] 0.7[/TD]
[TD] 150[/TD]
[TD] [/TD]
[TD] [/TD]
[TD] 1500[/TD]
[TD] SOT33[/TD]
[/TR]
[TR]
[TD]2SD1579[/TD]
[TD] [/TD]
[TD] Si[/TD]
[TD] NPN[/TD]
[TD] 1[/TD]
[TD] 150[/TD]
[TD] [/TD]
[TD] [/TD]
[TD] 1.5[/TD]
[TD] 150[/TD]
[TD] [/TD]
[TD] [/TD]
[TD] 2500[/TD]
[TD] SOT33[/TD]
[/TR]
[TR]
[TD]2SD1659[/TD]
[TD] [/TD]
[TD] Si[/TD]
[TD] NPN[/TD]
[TD] 1[/TD]
[TD] 150[/TD]
[TD] [/TD]
[TD] [/TD]
[TD] 1.5[/TD]
[TD] 175[/TD]
[TD] [/TD]
[TD] [/TD]
[TD] 10000[/TD]
[TD] SOT33[/TD]
[/TR]
[TR]
[TD]2SD1660[/TD]
[TD] [/TD]
[TD] Si[/TD]
[TD] NPN[/TD]
[TD] 1[/TD]
[TD] 100[/TD]
[TD] [/TD]
[TD] [/TD]
[TD] 1.5[/TD]
[TD] 175[/TD]
[TD] [/TD]
[TD] [/TD]
[TD] 10000[/TD]
[TD] SOT33[/TD]
[/TR]
[TR]
[TD]2SD1697[/TD]
[TD] [/TD]
[TD] Si[/TD]
[TD] NPN[/TD]
[TD] 1[/TD]
[TD] 100[/TD]
[TD] [/TD]
[TD] [/TD]
[TD] 0.8[/TD]
[TD] 150[/TD]
[TD] [/TD]
[TD] [/TD]
[TD] 10000[/TD]
[TD] SOT33[/TD]
[/TR]
[TR]
[TD]2SD1700[/TD]
[TD] [/TD]
[TD] Si[/TD]
[TD] NPN[/TD]
[TD] 1[/TD]
[TD] 60[/TD]
[TD] [/TD]
[TD] [/TD]
[TD] 0.8[/TD]
[TD] 150[/TD]
[TD] [/TD]
[TD] [/TD]
[TD] 10000[/TD]
[TD] SOT33[/TD]
[/TR]
[TR]
[TD]2SD1779[/TD]
[TD] [/TD]
[TD] Si[/TD]
[TD] NPN[/TD]
[TD] 1[/TD]
[TD] 60[/TD]
[TD] [/TD]
[TD] [/TD]
[TD] 2[/TD]
[TD] 150[/TD]
[TD] [/TD]
[TD] [/TD]
[TD] 1500[/TD]
[TD] SOT33[/TD]
[/TR]
[TR]
[TD]2SD1780[/TD]
[TD] [/TD]
[TD] Si[/TD]
[TD] NPN[/TD]
[TD] 1[/TD]
[TD] 60[/TD]
[TD] [/TD]
[TD] [/TD]
[TD] 2[/TD]
[TD] 150[/TD]
[TD] [/TD]
[TD] [/TD]
[TD] 1500[/TD]
[TD] SOT33[/TD]
[/TR]
[TR]
[TD]2SD1867[/TD]
[TD] [/TD]
[TD] Si[/TD]
[TD] NPN[/TD]
[TD] 1[/TD]
[TD] 100[/TD]
[TD] [/TD]
[TD] [/TD]
[TD] 1.5[/TD]
[TD] 150[/TD]
[TD] [/TD]
[TD] [/TD]
[TD] 10000[/TD]
[TD] SOT33[/TD]
[/TR]
[TR]
[TD]2SD1939[/TD]
[TD] [/TD]
[TD] Si[/TD]
[TD] NPN[/TD]
[TD] 0.75[/TD]
[TD] 150[/TD]
[TD] 60[/TD]
[TD] [/TD]
[TD] 1.5[/TD]
[TD] 150[/TD]
[TD] [/TD]
[TD] [/TD]
[TD] 6000[/TD]
[TD] SOT33[/TD]
[/TR]
[TR]
[TD]2SD2067[/TD]
[TD] [/TD]
[TD] Si[/TD]
[TD] NPN[/TD]
[TD] 1[/TD]
[TD] 120[/TD]
[TD] [/TD]
[TD] [/TD]
[TD] 2[/TD]
[TD] 150[/TD]
[TD] [/TD]
[TD] [/TD]
[TD] 18000[/TD]
[TD] SOT33[/TD]
[/TR]
[TR]
[TD]2SD2116[/TD]
[TD] [/TD]
[TD] Si[/TD]
[TD] NPN[/TD]
[TD] 1[/TD]
[TD] 80[/TD]
[TD] [/TD]
[TD] [/TD]
[TD] 0.7[/TD]
[TD] 150[/TD]
[TD] [/TD]
[TD] [/TD]
[TD] 10000[/TD]
[TD] SOT33[/TD]
[/TR]
[TR]
[TD]2SD2117[/TD]
[TD] [/TD]
[TD] Si[/TD]
[TD] NPN[/TD]
[TD] 1[/TD]
[TD] 80[/TD]
[TD] [/TD]
[TD] [/TD]
[TD] 1.5[/TD]
[TD] 150[/TD]
[TD] [/TD]
[TD] [/TD]
[TD] 6000[/TD]
[TD] SOT33

[/TD]
[/TR]
[/TABLE]
Zitieren

#9
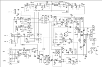
[ATTACH=CONFIG]58340[/ATTACH]


[ATTACH=CONFIG]58341[/ATTACH]


Angehängte Dateien Thumbnail(s)
               
Zitieren

#10
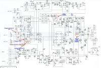
Was ist denn C609 für ein Kondensator?
Das Symbol habe ich noch nicht gesehen.
Scheint ja kein normaler Kondensator zu sein oder soll das einer mit Polung sein? und z. B. C611 ein NP Kondensator?

Danke.
Zitieren

#11
Kleinhorn schrieb:Du hast jetzt keinen guten Lauf mit den Subwooferendstufen ? Confused
Wenn ich mir die Kondensatorspg anschaue...da ist anscheinend nix über 50 Volt. Daher kann man einen der o g Transen mal ausprobieren.
Oder der Vogel 2SC945P Pinout scheint gleich zu sein...
[URL="https://www.ebay.de/itm/5-x-2SC945P-NPN-Silicon-Transistor-250mW-20mA-50V-100-Philips-TO-92-5pcs/150915481818?hash=item23234380da:g:CQkAAOSwFD1c1wHB"]https://www.ebay.de/itm/5-x-2SC945P-NPN-Silicon-Transistor-250mW-20mA-50V-100-Philips-TO-92-5pcs/150915481818?hash=item23234380da:g:CQkAAOSwFD1c1wHB



[/URL]

Tell me about it....
echt gerade nicht gut.....
2 Subwooferendstufen abgeraucht.
Zitieren

#12
Die Cross Reference sagt BC546.
Der kostet nix und den gibts sogar beim blauen C.
FT 150-300 MHz, sollte reichen Big Grin
Bei den Füßchen nochmal schauen ob es passt.
Gruß
Arnim
Gruß
Arnim

Ein rein verstandesmäßiges Weltbild ganz ohne Mystik ist ein Unding. Erwin Schrödinger.
Zitieren

#13
Bei Deiner Liste sind aber andere dabei, nicht nur TO92.
Der C609 ist ein 1µF 50Volt gepolt. Nix ungewöhnliches...
Das Bild, das ich gefunden hatte war aber auf einen fetten Elko bezogen. Hoffentlich war es auch der gleiche Amp...Big Grin
Was ist NP ? Nonpolar ? Hier heißt das Bipolar...Smile
Wenn der BC546 passt kannst Du den nehmen...ich hab das auch mit ner Vergleichsliste versucht, kam nur Schrott dabei raus...
Pinout mußt Du beachten...
Hier wird nix gewußt...
Zitieren

#14
Kleinhorn schrieb:Bei Deiner Liste sind aber andere dabei, nicht nur TO92.
Der C609 ist ein 1µF 50Volt gepolt. Nix ungewöhnliches...
Das Bild, das ich gefunden hatte war aber auf einen fetten Elko bezogen. Hoffentlich war es auch der gleiche Amp...Big Grin
Was ist NP ? Nonpolar ? Hier heißt das Bipolar...Smile
Wenn der BC546 passt kannst Du den nehmen...ich hab das auch mit ner Vergleichsliste versucht, kam nur Schrott dabei raus...
Pinout mußt Du beachten...

NP ....alles klar nenne dann nur noch bipolar.

bzgl. Pinout passte der BC 546 dann leider nicht.
siehe screenshots

[ATTACH=CONFIG]58358[/ATTACH]


[ATTACH=CONFIG]58359[/ATTACH]


Angehängte Dateien Thumbnail(s)
       
Zitieren

#15
Das kann doch nicht sein oder?Confused
Ihr seid doch dass Bastler, hä? Dann wird das so gedreht das das Ding da rein passt bzw. die Beinchen gebogen. Ist doch kein Ding. Ggf. bisschen abgemachte Isolierung vom Draht um die Beinchen damit die sich nicht berühren. Kein Ding... Mann wenn das ne Bremsleitung wär.
Grtz
Arnim
Gruß
Arnim

Ein rein verstandesmäßiges Weltbild ganz ohne Mystik ist ein Unding. Erwin Schrödinger.
Zitieren

#16
Gibts bei Bremsleitungen nen Pinout ? Big Grin

Armin hat recht. Das Pinout beim Transistor hat nichts mit der Funktion zu tun, sondern die Reihenfolge ist zu beachten. Wenn eine Platine designed wird, ist das "richtige" Pinout berücksichtigt. Tauscht man nun, muß man nur die Beinchen so drehen, dass es zum ursprünglichen Pinout passt.....falls eben die Reihenfolge anders ist.
Bei Ic's geht sowas nicht wirklich...da muß es passen, sonst müßte man die Platine ändern. Machbar aber doof...sehr aufwendig und kein Erfolgsgarantie, da hinterher vielleicht was schwingt.

Soweit der Exkurs..Wink
Hier wird nix gewußt...
Zitieren

#17
Kann man so oder so draufstecken Big Grin
Das mit den Beinchrn ist aber easy.
Gruß
Arnim

Ein rein verstandesmäßiges Weltbild ganz ohne Mystik ist ein Unding. Erwin Schrödinger.
Zitieren

#18
Ist mir schon klar und mache ich auch so.
Wollte nur betonen, das es nicht in den original Layout geht sondern eben nur modifiziert.
Nichts für ungut. Lieben Dank für die Hilfe soweit.
Was haltet ihr von der hypex Alternative?
Vergleichbar? Vielleicht sicher besser?
Genug Leistung hat die Alternative aus jeden Fall.
Zitieren

#19
Was erhoffst Du Dir davon?
Je nachdem ist dann das Chassis verbrannt.
Dann reparier das mit low cost. Die Kombination ist erprobt. Und dann guck was hier so passiert. Kannst dann in Ruhe einen neuen Sub bauen.
Gruß
Arnim
Gruß
Arnim

Ein rein verstandesmäßiges Weltbild ganz ohne Mystik ist ein Unding. Erwin Schrödinger.
Zitieren

#20
Zitat:Das Subwoofer ist quasi tot. Spielt also keine Musik mehr. Allerdings kann man beobachten, dass, wenn man ihn einschaltet der Treiber in eine Richtung zieht und die Membran ausgelenkt hält. Ist das ein Fehler, der durch einen aktivierten muting Transistor ausgelöst wird? Der Fehler besteht auch, wenn man die Vorverstärker Einheit von der Endstufe abtrennt.

Dieses Verhalten deutet auf eine defekte Endstufe. Da wird der Muting Transistor nichts dafürkönnen, ob defekt oder i.O. Den Transistor kannst Du übrigens grob mit einem Ohmmeter testen (viele Multimeter haben sogar eine Transistor Testfunktion).
Ich würde mal als erstes die Endstufe ohne LS dran testen. Z.B. ob DC am Ausgang ist (was dem Woofer definitiv nicht gut tut) und ob da auch ein Signal rauskommt wenn man eines hineingibt.

Gruss

Charles
Zitieren



Möglicherweise verwandte Themen…
Thema Verfasser Antworten Ansichten Letzter Beitrag
  Marantz/Denon und Bowers & Wilkens vor dem Aus? capslock 40 8.936 26.09.2025, 18:30
Letzter Beitrag: Audiovirus
  Transistor Matching Kleinhorn 0 1.482 25.03.2025, 18:04
Letzter Beitrag: Kleinhorn
  Bi-Amping / Röhre Transistor HG.Lahr 13 2.458 02.11.2024, 15:11
Letzter Beitrag: Jesse
  Subwoofer Verstärker mit einem SolidStateRelais ausschalten...Problem misux 9 2.753 31.08.2022, 05:02
Letzter Beitrag: misux
  Behringer UCA202 defekt? MrFlorian 3 1.528 26.04.2022, 10:56
Letzter Beitrag: MrFlorian
  Anschluss eines Leistungsverstärkers für Subwoofer/Bässe an einen Lautsprecherausgang Chlang 23 8.305 07.04.2022, 21:05
Letzter Beitrag: Chlang
  TAMP500/300 defekt, Fehlersuche, Vorschlag neue Hardware SureOnWheels 11 2.710 12.06.2021, 15:18
Letzter Beitrag: SureOnWheels
  Mivoc AM 80 Subwoofer modul defekt taepoong 28 10.206 24.01.2021, 15:35
Letzter Beitrag: taepoong
  Sparsamer Verstärker für Subwoofer gesucht Zonk 28 6.612 08.06.2020, 13:00
Letzter Beitrag: Zonk
  AL200-2.1 NT Digital Verstärker Class-D Verstärker Endstufe Subwoofer Modul 200W Tommes 0 1.154 19.04.2020, 16:59
Letzter Beitrag: Tommes

Gehe zu:


Benutzer, die gerade dieses Thema anschauen:
1 Gast/Gäste

Deutsche Übersetzung: MyBB.de, Powered by MyBB, © 2002-2026 Melroy van den Berg.