08.02.2023, 17:01
Nachdem Olaf seinen Sandhaufen in den Ring geworfen hat, näheres zu meinen Aufbauten (sind ja auch beides geklaute Konstrukte :cool: ):
1. Monster-Varianten
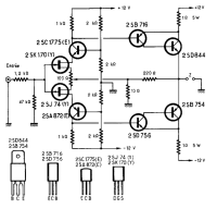
Das Teil stammt von Jean Hiraga aus 1979 und beschallt den gut geheizten Raum (Class A) mit etwa 8W.
[ATTACH=CONFIG]69477[/ATTACH]
Mein erstes Monster habe ich 1984 gebaut
[ATTACH=CONFIG]69476[/ATTACH]
Wurde auf der HighEnd gezeigt und dann in der Audio verrissen, konnte halt einen ineffizienten Canton-Prügel nicht zu Live-Pegeln bewegen ...
Viele Jahre später kam dann eine etwas kondensierte Version unter meine Pentatons
[ATTACH=CONFIG]69479[/ATTACH]
und dann irgendwann die aktuelle schwäbische Variante "s´monschterle" mit einem CRC-Netzteil aus jeweils 120 Pollin-Billig-Elkos 4.700µF/16V parallel. Hinten kommen da so +-13,5V raus.
[ATTACH=CONFIG]69482[/ATTACH]
Alle diese Endstufen sind mit den Original-Transen aufgebaut. An effizienten Lautsprechern ohne Impedanzschweinereien sind die Dinger super !
2. Der schwarze Teufel
Der Black Devil kommt aus einer Elrad von anno 1988 und hat mich schon ewig gereizt. Vor einiger Zeit hat dann Pollin die Endtransen verramscht und dann war es halt soweit.
[ATTACH=CONFIG]69480[/ATTACH][ATTACH=CONFIG]69481[/ATTACH]
bzw. Quelle https://www.oocities.org/quhno/black-devil/index.html
Nachdem der Klaus Hornburg letzten Oktober meine diversen "Dreher" aufgezeigt hat, ist jetzt alles korrekt verbaut und eine Endstufe ist noch abzugleichen.
[ATTACH=CONFIG]69483[/ATTACH][ATTACH=CONFIG]69484[/ATTACH][ATTACH=CONFIG]69485[/ATTACH]
Allen (Monoblock-) Kisten ist der Aufbau auf Siebdruckplatte und ein verzögert geschaltetes Relais im Ausgang gemein (und ein kleines12V-Netzteil dazu). Lochblech-Hauben muss ich noch machen (ich habe noch nie eine Endstufe mit Deckel gebaut, weiss jemand wie das geht :D ?).
So, und jetzt bleiben die Fragen: Welche oder beide ? Wo ? und Wann ?
1. Monster-Varianten
Das Teil stammt von Jean Hiraga aus 1979 und beschallt den gut geheizten Raum (Class A) mit etwa 8W.
[ATTACH=CONFIG]69477[/ATTACH]
Mein erstes Monster habe ich 1984 gebaut
[ATTACH=CONFIG]69476[/ATTACH]
Wurde auf der HighEnd gezeigt und dann in der Audio verrissen, konnte halt einen ineffizienten Canton-Prügel nicht zu Live-Pegeln bewegen ...
Viele Jahre später kam dann eine etwas kondensierte Version unter meine Pentatons
[ATTACH=CONFIG]69479[/ATTACH]
und dann irgendwann die aktuelle schwäbische Variante "s´monschterle" mit einem CRC-Netzteil aus jeweils 120 Pollin-Billig-Elkos 4.700µF/16V parallel. Hinten kommen da so +-13,5V raus.
[ATTACH=CONFIG]69482[/ATTACH]
Alle diese Endstufen sind mit den Original-Transen aufgebaut. An effizienten Lautsprechern ohne Impedanzschweinereien sind die Dinger super !
2. Der schwarze Teufel
Der Black Devil kommt aus einer Elrad von anno 1988 und hat mich schon ewig gereizt. Vor einiger Zeit hat dann Pollin die Endtransen verramscht und dann war es halt soweit.
[ATTACH=CONFIG]69480[/ATTACH][ATTACH=CONFIG]69481[/ATTACH]
bzw. Quelle https://www.oocities.org/quhno/black-devil/index.html
Nachdem der Klaus Hornburg letzten Oktober meine diversen "Dreher" aufgezeigt hat, ist jetzt alles korrekt verbaut und eine Endstufe ist noch abzugleichen.
[ATTACH=CONFIG]69483[/ATTACH][ATTACH=CONFIG]69484[/ATTACH][ATTACH=CONFIG]69485[/ATTACH]
Allen (Monoblock-) Kisten ist der Aufbau auf Siebdruckplatte und ein verzögert geschaltetes Relais im Ausgang gemein (und ein kleines12V-Netzteil dazu). Lochblech-Hauben muss ich noch machen (ich habe noch nie eine Endstufe mit Deckel gebaut, weiss jemand wie das geht :D ?).
So, und jetzt bleiben die Fragen: Welche oder beide ? Wo ? und Wann ?
Gruß Klaus
Meinen tut der, der zum Wissen zu faul und zum Glauben zu schwach ist (Lisa Eckart)
Meinen tut der, der zum Wissen zu faul und zum Glauben zu schwach ist (Lisa Eckart)

