Hy zusammen,
nach längerer Zeit will ich einmal wieder etwas neues für den Schreibtisch bauen.
Mir sind diese 3" BB dafür in die Finger gekommen.
Kennt die jemand oder hat sogar schon etwas damit gemacht?
Wenn man stark reinzoomt, kann man die TSP erahnen. Denen zufolge würde ich den eher als Mitteltöner bzw. als obenrum spielende Hälfte eines FAST-Lautsprechers sehen, wobei da etwas mehr Kennschaldruck wohl nicht schlecht wäre.
Die Impedanzkurve sieht irgendwie nach Impedanzkontrolle aus. Kann das sein? :denk:
hier kann man die TSP besser erkennen - werden davon leider nicht wirklich besser.
loch in die schranktür schneiden? :built: :devil:
man kann dem lütten zwar ein gehäuse bauen (z.b. ne TML mit 7ltr oder eine auf 1,05m gekürzte needle), aber ne ausgewogene simu bekommt man m.m. mit dem chassis in keinem gehäuse hin.
"Wer die Wahrheit sagt, braucht ein schnelles Pferd" (chinesisches Sprichwort)
die betonung zwischen 100 und 200hz beim screenshot im ersten post zeigt sich bei praktisch allen simulationen. am rechner ließe sich das mit equalizerAPO einigermaßen glattbügeln.
von den simulierten gehäusen scheint sich mir das bei der gekürzten needle in noch halbwegs hinnehmbare regionen zu bewegen, wenngleich recht unruhig im bassbereich.
bleibt noch die frage nach der qualität des mittel-hochtonbereich...
mein persönliches zwischenfazit:
sofern vom geforderten pegel möglich, ein geschlossenes gehäuse mit 3-4ltr aufbauen und mittels equalizerAPO entzerren.
wenn mehr pegel im bass gewünscht ist, die TQWT aufbauen (und sich dessen bewusst sein, daß der bass nicht perfekt ist).
ein FAST lohnt sich in meinen augen nicht wirklich, denn für den finanziellen einsatz hätte man auch nen gut beleumundeten BB oder koax, der auch etwas bass kann, kaufen können - zumal sich eine passive trennung des kleinen als nicht ganz trivial herausstellen wird...
"Wer die Wahrheit sagt, braucht ein schnelles Pferd" (chinesisches Sprichwort)
Hy zusammen,
vielen Dank für euer Feedback. 👍
Im Moment lasse ich die kleinen einfach nur einmal im "professionellen" Test Karton mit ca. 4 Litern gefüllt mit Watte laufen und Höre zu.
Der Klang ist durchaus angenehm mit feinen Höhen und guter Auflösung. So etwas wie Bass ist sogar auch vorhanden. Auffällig ist das der Klang nach ca.2 Stunden deutlich "weicher", runder wurde.
Geplant habe ich damit so etwas wie ein kleines Horn für den Schreibtisch.
14.10.2024, 16:38 (Dieser Beitrag wurde zuletzt bearbeitet: 14.10.2024, 16:48 von Roul.)
So denn die TSP im Datenblatt stimmen, ist damit kaum was anzufangen. Ich sage "kaum" - eigentlich ist das Dingen Kernschrott. Es sei denn, man denkt vllt noch über ein FAST nach. Selbst dann würde ich mir das gut überlegen. Das Teil sieht im Messchrieb durch die Range von 120 dB linearer aus, als es ist. Die Peaks / Dips sind mit 5 dB hoch und runter nicht gerade klein. Wie sehen denn die TSP in der Realität aus?
Viele Grüße,
Rouven
Roul-DIY // Der Akustische Untergrund // Lautsprecherbau-Community
Darum mein Hinweis, sowas besser als MHT-EInheit in einem FAST oder als Mitteltöner zu verwenden, wenngleich der Kennschalldruck auch nicht sonderlisch ermutigend scheint.
In meinen Augen ist das kein sonderlich brauchbarer Treiber, aber auch nicht vollkommen unnütz.
Am Ende bleibt: hätte ich Spass, daraus mal was zu frickeln?
Eher nicht so, was zumindest mich betrifft. :dont_know:
14.10.2024, 19:53 (Dieser Beitrag wurde zuletzt bearbeitet: 14.10.2024, 20:01 von Zippo.)
Hy Rouven, ob die TSP stimmen oder auch nicht(ich glaube aber eher nicht) kann ich dir nicht sagen da ich sie noch nicht messen lassen habe, aber das kommt noch. 😉
Das ist aber auch unwichtig für mich da ich das Hobby wohl anders betreibe.
Ich "spiele" mit dem Chassis bis es für mich "richtig" klingt und lasse dann das Endergebnis messen. Bis jetzt übrigens mit Erfolg.
Aktuell habe ich erfolgreich nach langen Versuchsreihen das Eigenleben des Kartons unterdrückt und den Bass optimiert!
[ATTACH=CONFIG]75813[/ATTACH]
Eigentlich wäre das der Ideale Beitrag zu der vergangenen Challenge "alles Pappe" gewesen.
Egal was die TSP sagen kann ich über die Chassis inzwischen sagen das sie eine gute Auflösung und fein akzentuierte Höhen gepaart mit einem für die größe ausgeprägtem Bass haben. Die Idee einer gekürzten Needle könnte also durchaus die richtige sein.
Auch wenn meine Lautsprecher nach DAU Maßstab ohne Messung und Simulation nur "gewürfelt" sind hätte ich da eine Idee. Im November soll es ja in TBB ein Treffen geben, ich bringe die "Little Skunk" und die Aiyima mit und stelle mich den kritischen Ohren wenn ich darf.
Bist du dabei?
15.10.2024, 08:20 (Dieser Beitrag wurde zuletzt bearbeitet: 15.10.2024, 12:35 von Roul.)
Ohne TSP kein passendes Gehäuse. Einfach so drauf los frickeln kann man schon machen. Man kann natürlich auch versuchen nach Gehör abzustimmen. Am Ende ist es aber nur eine Bastelei und man lässt massiv viel Potenzial liegen.
Ein BB mit einer Fs von >120Hz macht keinen Bass. Das kann man vielleicht erahnen. Zudem fehlt hier mindestens 1, wenn nicht 2 Sperrkreise um a) den Baffle Step zu kompensieren und b) den aufmüpfigen Hochton in den Griff zu bekommen. Das Fehlen des ersten sorgt dafür, dass der "Bass" dann auch noch 6dB leiser ist, als der ganze Rest.
Versteh mich nicht falsch: natürlich darf es auch Spaßprojekte geben. Aber so ein bisschen was aus dem vorhandenen Material rausholen sollte schon der Mindestanspruch sein. Einfach irgendwelche Chassis in irgendwelche "Gehäuse" spaxen - da ist nicht mal Mühe dabei. Du verbringst sehr viel Zeit damit, die Pappschachteln auszurichten, zu beruhigen (mit deinen Worten "lange Versuchsreihen"), zu optimieren. Diese Zeit wäre besser in Literatur und Messungen investiert. Um TSP zu messen muss man nicht mal 5€ in die Hand nehmen und wäre sofort in der Lage, zumindest ein passendes Gehäuse zu schneidern. Wenngleich das bei den bisher bekannten TSP ohnehin ein Thema wird. Was aber nicht heißt, dass man es nicht zumindest versuchen sollte. Das alles hat mit "DAU-Maßstab" wenig zu tun. Jeder, der einigermaßen vernünftig entwickelt und zumindest ein bisschen Anspruch hat, wird das so sehen. Entschuldige das Abweichen vom Kuschelkurs, aber: das was du hier machst, ist Müll. Du scheinst mir ein wenig Beratungsresistent zu sein, wenn ich mir den Verlauf hier im Thread ansehe und an unsere Konversation an anderer Stelle denke.
So: genug "rumgemeckert". Sieh es bitte mehr als Input denn Meckern des Meckerns Willen. :prost:
Zum Treffen: da mache ich mir noch Gedanken. TBB wäre keine Weltreise, allerdings ist es mit fixen Zusagen bei mir nicht immer ganz so einfach
Viele Grüße,
Rouven
Roul-DIY // Der Akustische Untergrund // Lautsprecherbau-Community
Du hast meiner Meinung nach sachlich mit fast allem recht (Kernschrott find ich etwas wacklig.... die wenigsten 3 Zöller BBs habe viel bessere TSPs und die Frage ist, was man damit machen will).
Andererseits habe ich auch so angefangen .... ist allerdings 40zig Jahre her und ich hatte eine längere Pause dazwischen. Trotzdem ....Kinder müssen spielen um erstmal Spass an der Sache zu bekommen. Dann kommen kleine Erfolge, die in den eigenen Augen natürlich viel größer sind. Und damit vielleicht dann auch die Motivation sich doch etwas eingehender mit den Hintergründen und der Physik zu beschäftigen. Und das ist heute dank Computer und Internet viel einfacher. Man sollte so hoffnungsvollen Nachwuchs nicht frühzeitig vergraulen .
Wenn der Post von jemandem wäre, der sich gerade frisch mit Lautsprechern beschäftigt, würde ich fast dazu tendieren, dir Recht zu geben. Aber: das ist nicht der erste Lautsprecher und auch wird das Hobby nicht erst seit gestern betrieben.
Selbst wenn dies der Fall wäre, würde ich diese oder ähnlich deutlichen Worte finden. Was bringt einem ein weichgespültes "joa, kann man schon machen. Ist vielleicht nicht ideal... bla"? Das führt nur dazu, dass man sich dann doch nicht mit der Materie auseinandersetzt, weil es ja so auch geht. Wenn etwas Mist ist, dann muss man das auch so betiteln dürfen - egal wie viel Erfahrung (oder auch nicht) jemand mitbringt.
Nur so unter uns .... TSPs sind nicht unwichtig, aber deren Bedeutung wird gelegentlich auch ein bischen überschätzt. In einem Pappgehäuse ....das sicherlich auch teilweise als "passive Membran" funktioniert, kann viel passieren. Auch ob man einen Lautsprecher (längliches Gehäuse) stehend oder liegend auf einem Tisch betreibt macht einen ziemlichen Unterschied. Und was ich immer besonders komisch finde ist, wenn man anhand von TSPs tagelang über 1-2db oder 2-5 Hz mehr oder weniger nachdenkt, aber Raumakustik und Aufstellung später in der Realität aussen vorlässt. Und ohne da mal selbst was zu messen versteht man wenig und nur durch rumprobieren klingt es halt mal besser oder mal schlechter ...."wenn der Hahn kräht auf dem Mist ändert sich das Wetter oder es bleibt wie es ist" ..... . Nein, ich bin auch nicht für immer nur weichgespült, aber wer nur spielen will, der soll halt nur spielen.
Die Messungen von dem BB find ich so schlecht nicht. Der Impedanzverlauf ist ziemlich glatt und der Frequenzgang ist erstmal auch recht gutmütig. In erster Näherung scheint hier der Verkäufer ehrliche Messungen geliefert zu haben. Ob er wirklich was taugt werden wir so wohl nicht erfahren. Gut aussehen tut er erstmal. Beim Styling hat man sich halt an edleren und bekannteren Vorbildern "orientiert".
Naja, gekauft hätte ich ihn nicht, aber Kernschrott ?
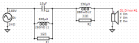
Ich habe den BB unter Berücksichtigung von Baffle Step und Gehäuseabstimmung mal virtuell in 4 Liter CB gepackt (B=140 mm, H=220 mm).
Hier das Ergebnis mit / ohne Weiche:
ich möchte höflich aber bestimmt auf unsere Forenregeln hinweisen:
Zitat:1. Höflichkeit:
In nicht wenigen Foren wird gelegentlich ein unfreundlicher bis rüder Umgangston „gepflegt“, bzw. beklagt. Dies soll auf DIY-Hifi-Forum.eu anders gehandhabt werden.
Gleichgültig, was jemand anderes schreibt, es gibt keinen Grund, ausfallend zu werden. Schließlich kann im Eifer einer Diskussion ein unbedachter Satz schnell beleidigend wirken, auch wenn er gar nicht so gemeint war. Deshalb frag einfach freundlich nach, wie es wirklich gemeint war. Beleidigungen, persönliche Angriffe, Verspottung etc. werden auf DIY-Hifi-Forum.eu nicht geduldet und führen zum Ausschluss aus der Gemeinschaft.
(Hervorhebung durch mich).
Es geht nicht darum, dass man hier seine Meinung nicht in klaren Worten ausdrücken sollte - völlig ok. Aber die Formulierung...
Zitat:Entschuldige das Abweichen vom Kuschelkurs, aber: das was du hier machst, ist Müll.
...ist unnötig offensiv und auch keine Abweichung vom Kuschelkurs, sondern von den Forenregeln. Und kann zu Recht als beleidigend empfunden werden.
Es hätte vollkommen ausgereicht zu sagen '...ist aus meiner Sicht Müll...' oder ähnlich. Ansonsten bist Du ja sehr klar und nachvollziebar, warum Du die Herangehensweise von Zippo missbilligst.
Es ist gut, dass es in unserem Forum unterschiedlich Herangehensweisen an's Thema Lautsprecherbau gibt. Es darf auch klar gesagt werden, wenn man andere Ansätze falsch findet. Bitte haltet euch dabei in der Art der Formulierungen und der Kultur des Streitens an die Forenregeln.
16.10.2024, 09:11 (Dieser Beitrag wurde zuletzt bearbeitet: 16.10.2024, 09:37 von Roul.)
Da sich alles um meine Aussage, dass das Dingen "Kernschrott" sei dreht, möchte ich aufzeigen, warum ich das so sehe:
Der BB hat für den Stand-Alone-Betrieb unbrauchbare TSP und verhält sich obenrum nicht besonders gut, um es mal milde auszudrücken. Newmir ist der Meinung, dass der FG "gutmütig" sei - das sehe ich allerdings ein wenig anders. Meiner Meinung nach erweckt nur die Skalierung von 120 dB diesen Eindruck. Mit einer Range von 120dB sieht es im ersten Moment auf dem Papier natürlich so aus, als liefe der BB einigermaßen glatt. Um das zu untermauern, habe ich den veröffentlichten Messschrieb getraced und auf die sonst übliche Range von 50 dB skaliert - die Maße der Schallwand habe ich jetzt mal genau so gewählt, wie Heinrich:
[ATTACH=CONFIG]75822[/ATTACH]
Hier ist das Gehäuse natürlich nicht berücksichtigt - es geht um den Teil ab 1 kHz. Schön zu sehen ist (auch mit Beschaltung) ein relativ breitbandiger Dip, etwa 5dB tief. So zeigt es auch die Simu von Heinrich. Unter Winkeln wird es nicht besser. "Ausgewogen" sieht für mich anders aus. Es wäre möglich, das mit einer sehr viel aufwändigeren Beschaltung einigermaßen in den Griff bekommen und die Dips zumindest schmalbandiger gestalten, um sowas wie Ausgewogenheit herzustellen. Lohnt sich aber bei einem BB zum Paarpreis von 32€ nicht so richtig. Natürlich kann man das kostengünstig auch mit einer Software wie EqualizerAPO erreichen. Für beides bräuchte man aber verlässliche Messungen. Der FG und eben die TSP sind der Grund dafür, dass ich das Teil als "Kernschrott" bezeichnet habe.
Dann kommt noch dazu, dass der veröffentlichte Frequenzgang und die TSP möglicherweise gar nicht zu dem hier vorgestellten BB gehören. Schaut man beim schnellen Ali mal in den Shop von Aiyima stellt man fest, dass sowol FG als auch TSP bei mehreren Produkten dieselben sind, was die Zuverlässigkeit der Angaben in Frage stellt.
@newmir: TSP sind sicher nicht alles, Auch wird das Pappgehäuse ordentlich mitschwingen. Das was da aber als "Bass" rauskommt, spielt sich im Bereich von 100-150 Hz ab. Wie man an Heinrichs Simu auch sehr schön sehen kann, liegt der Pegelunterschied zwischen Tief- und Mittel-/Hochton unbeschaltet zwischen 8 und 10 dB. Heißt: es gibt keinen echten Bass - schon bedingt durch die Parameter des Breitis - und dann eben durch den Pegelunterschied. Natürlich hilft es, dass die Dinger auf einer Tischplatte liegen und somit der untere Bereich (200Hz und tiefer) einen einigermaßen großen Boost erfahren dürfte. Die Aussage, dass die BB "eine gute Auflösung und fein akzentuierte Höhen" liefern, ist schlicht der Tatsache geschuldet, dass dieser Bereich im Vergleich zum Rest einfach viel zu laut ist. Dass sie "mit einem für die Größe ausgeprägten Bass" aufwarten - naja... habe ich erklärt, warum ich an der Aussage Zweifel habe. Mit Hinweis auf den vorherigen Absatz allerdings könnte es natürlich sein, dass das Datenblatt nicht zu dem BB gehört und damit auch jede bisher erstellte Simulation für die Katz ist.
Ich werde mich da nicht weiter reinhängen. Es ist schade zu sehen, dass sich des in den weiten Welten des WWW für jeden frei verfügbaren Fachwissens nicht bedient bzw. sogar Hinweise ignoriert werden. Selbst dann, wenn man deutlichere Worte findet. Der Grund, warum ich das überhaupt kommentiert habe ist einfach: ich war der Hoffnung, dass der Input hilfreich sein könnte und dass ein solcher in einem HiFi-Forum, in dem HiFi - also die hohe Klangtreue - im Vordergrund steht, angenommen wird.
Viele Grüße,
Rouven
Roul-DIY // Der Akustische Untergrund // Lautsprecherbau-Community
Trotz allem was es an Wissen im www gibt - es ist gut, seine eigenen Erfahrungen zu machen und das ist hier der Fall.
Der Rest ist Anspruch und den darf jeder selber formulieren. Es gab Tipss, Infos, Unterstützung, Ideen - und nun darf jeder damit machen was er mag.
Das wäre dann der Fall, wenn man die Hinweise und Tipps ernst nehmen und diesen auch nachgehen würde, um einen Vergleich zwischen "ich papp mal eben was zusammen" und "so sieht der mögliche Idealzustand aus" ziehen zu können.
Wie eine Impedanzmessung und in der Folge auch eine Messung der TSP durchgeführt werden kann, ist im oben verlinkten Dokument ab Ende Seite 5 beschrieben. Und das ist in der Tat nicht schwer oder teuer. Selbst das Basteln einer kleinen Messbox würde sich lohnen, sobald man mehr als nur ein Mal elektrische Messungen durchführen möchte. So hat man auch direkt ein Tool zur Hand, um die Serienkonsistenz von Chassis festzustellen oder aber auch mal die Werte verschiedener Bauteile zu überprüfen, da man das Kabel oder die Box auch als RLC-Meter nutzen kann.
Viele Grüße,
Rouven
Roul-DIY // Der Akustische Untergrund // Lautsprecherbau-Community
Mal rein theoretisch
Wenn man den Treiber in eine Horn/Transmissionline-Konstruktion stecken würde, bei der die Halsfläche sehr gering ist, müsste auch solch ein Treiber Bass abliefern können. Man schaue sich z.B. eine Tuba an...
Aber ich sehe den Treiber auch eher als FAST geeignet. Auch spricht von meiner Seite nichts gegen den Einsatz eines Equalizer. Letztlich haben auch die verschiedenen Aufnahmen schon diverse Filter gesehen.
Wie wäre es z. B. mit einem Open Baffle? Du besorgst dir noch einen 12"-Treiber und schraubst alles in eine Holzwand. Das ist sicher die kostengünstigste und vom Aufbau leichteste Lösung, die auch klanglich überraschen könnte.