Themabewertung:
  • 0 Bewertung(en) - 0 im Durchschnitt
  • 1
  • 2
  • 3
  • 4
  • 5
Tang Band Horn W8-1772
#1
Hallo zusammen,

habe hier ein schönes Horn das soll als zwei Wege realissiert werden, der Hochtöner ist der Monacor RBT-95SR Magnetostat.

Die Weiche habe ich in VituixCAD simuliert und dann nochmal in REW gemessen.

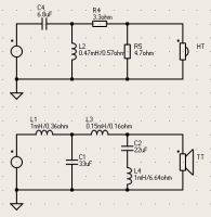
1.) Hier das VituixCAD Modell

[ATTACH=CONFIG]75889[/ATTACH]

2.) REW Impedanzmessung der Weiche

[ATTACH=CONFIG]75890[/ATTACH]

3.) Der Gesamt SPL des LS

[ATTACH=CONFIG]75891[/ATTACH]

4.) Nur der BB mit Tiefpass

[ATTACH=CONFIG]75892[/ATTACH]

5.) Nur der HT mit Hochpass,

[ATTACH=CONFIG]75893[/ATTACH]

6.) Overlay vom Gesamt SPL u. den Einzel Casis mit dem jeweiligen Filter

[ATTACH=CONFIG]75894[/ATTACH]

Bei 9KHz habe ich eine überhöhung wie kann diese am besten abmildern ?

Grüße
toosh


Angehängte Dateien Thumbnail(s)
                       

Zitieren

#2
Sozialista schrieb:Hallo zusammen,

habe hier ein schönes Horn das soll als zwei Wege realissiert werden, der Hochtöner ist der Monacor RBT-95SR Magnetostat.

Die Weiche habe ich in VituixCAD simuliert und dann nochmal in REW gemessen.

1.) Hier das VituixCAD Modell

[ATTACH=CONFIG]75889[/ATTACH]


6.) Overlay vom Gesamt SPL u. den Einzel Casis mit dem jeweiligen Filter

[ATTACH=CONFIG]75894[/ATTACH]

Bei 9KHz habe ich eine überhöhung wie kann diese am besten abmildern ?

Hi
bei 8 bus 12kHz laufen TT und HT sehr lange parallel ... das addiert sich dann.
Entweder TT früher rausnehmen, oder HT höher trennen.

So ab 14kHz paßt die Phase nicht - da hat die Summe weniger Schalldruck als der HT, eine Auslöschung - das sieht man schon in der Simu.

Da würde ich den TT erstmal etwas tiefer trennen.
Den HT höher trennen hieße auch, kleineren Kondensator und dann wird der HT schnell zu leise. Und gefühlt dürfte der auch steiler getrennt werden.

Schau mal in Timmermanns Cobrahorn - der hat doch auch einen 8" BB mit einem HT verheiratet. Vielelicht kannst Du Di da was abgucken.
Beste Grüße Smile
Jörn

what the bleep do we ... - listen to ?
Zitieren

#3
Und irgendwie scheinen die Sperrkreise des BB zu fehlen.
Der Pegelanstieg ab 300 Hz wird den LS wohl etwas "dünn" klingen lassen ?
Zitieren

#4
Hallo zusammen,
danke für die Rückmeldungen!

@Joern
Ich versuch mal die Trennung weiter auseinander zu ziehen!
Dieses Phasenproblem bei 14kHz wie kann ich das in den Griff bekommen?

Ja ich hatte schon geschaut nach Cobra Horn aber leider nix gefunden bezüglich der Weiche.................

@Sepp
Was würde dir vorschweben an Speerkreis ?
Ist ein Ticken zu Dünn ja stimmt................

Grüße
Zitieren

#5
Sozialista schrieb:H
Dieses Phasenproblem bei 14kHz wie kann ich das in den Griff bekommen?

In meinem Projekt "ohne Alles" habe ich irgendwann auch 18db-filter genommen - was in Bezug auch Belastbarkeits etc gar nicht nötig gewesen wäre - aber für die Pahse gut war.
Schaus Dir mal an.
Beste Grüße Smile
Jörn

what the bleep do we ... - listen to ?
Zitieren

#6
Hi Joern,

hast du das 18db Filter dann für beide zweige angewendet oder nur den HT ?
Zitieren

#7
Sozialista schrieb:... @Sepp
Was würde dir vorschweben an Speerkreis ?
Ist ein Ticken zu Dünn ja stimmt................Grüße

Laut K&T 2011-1 hat das TB Horn 2 Sperrkreise um den BB zu Linearisieren.
Das wäre mein Startpunkt um dann mit weiteren Filtern den HT einzubinden.
Zitieren

#8
Nehmt es mir nicht übel, aber das ist Unfug.
Niemals so hoch trennen. Eigentlich bei 2 Wege niemals über 3 kHz, außer bei Koaxen.
Der Breitband marschiert locker Richtung 20 kHz, wir hören bis ca. 13 kHz... vielleicht 14 kHz...
CD wird "verletzt"...
Die Räumlichkeit verliehrt...
Lösung: einen Hochtöner diffus anordnen, also nach hinten/ oben etc.
Wenn der Hochtöner nach hinten diffus strahlt, bleibt die gute Räumlichkeit plus dieser helle Hochton Glanz kommt hinzu.
Es gibt eine Ausführung von Linkwitz bei der AES zu dem Thema.
Das Ding von Monacor ist dafür aber zu leise dafür...

Gruss,
Nick
Shop: www.oaudio.de www.redcatt.de
REDCATT Tang Band OmnesAudio miniDSP
Distribution, Lautsprecher Entwicklung, Chassis Entwicklung, Produktion.
Zitieren

#9
Guten zusammen!

Also ich habe mal die Trennung weiter auseinander gezogen und einen Speerkreis eingebracht.....schaut mal:

[ATTACH=CONFIG]75910[/ATTACH]

REW Messung dazu kommt noch...............

Hört sich garnicht schlecht an, diese Überhöhung ist abgemildert. Ist def. suaberer als die Variante vorher..................

@Nick
Danke für den Tipp!
Ich befürchte fast auch der Monacor eher nicht der perfekte Spielpartner für das Tang Band Horn ist..........................Aber dennoch habe ich das Gefühl den um -2db absenken zu müssen der ist doch schon ganz schön present....

Grüße


Angehängte Dateien Thumbnail(s)
       
Zitieren

#10
Nur diese Phasen Senke kriege ich nicht in Griff und die Imp.Korrektur ist auch eher noch subotimal.....

Wenn ich den HT verpole kriege ich das Ergebnis:

[ATTACH=CONFIG]75911[/ATTACH]


Angehängte Dateien Thumbnail(s)
   
Zitieren

#11
Sozialista schrieb:Nur diese Phasen Senke kriege ich nicht in Griff und die Imp.Korrektur ist auch eher noch subotimal.....

Wenn ich den HT verpole kriege ich das Ergebnis:

Welchen Vorteil hat diese Kombi gegenüber dem "nackten Original" ?
Beste Grüße Smile
Jörn

what the bleep do we ... - listen to ?
Zitieren

#12
Guten nach einigem hören,

eher nicht so gut!
Stimmen zu Hell und leicht aufdringlich der Sound....................

Habe mich an der Stelle etwas verrant.....jemand eine Idee ??

Grüße
Zitieren

#13
Stell doch mal deine Messungen, Vituxcad Project Datei zum Download zur Verfügung.
Dann könnte man da ein wenig rumspielen und mögliche Richtungen aufzeigen ....
Zitieren

#14
Vor einiger Zeit habe ich etwas mit dem SP-205/8 rumgespielt. Ich fand ihn etwas schlapp/matt. Dann habe ich ein Piezohorn ab 10kHz dran gehängt, also BB ohne Tiefpass und Piezo mit Hochpass (und mechanischer Modifizierung) dazu geschaltet.
Das klang in meinen Ohren tatsächlich um einiges Besser. Durch das Horn des Piezos war die Abstrahlcharakteristik kein Problem.

Ach ja, man kann einen digitalen Equalizer benutzen, um störende Frequenzbereiche auszumachen. Ich z. B. verwende auch einen Equalizer mit verschiedenen Presets für verschiedenes Musikmaterial.
スピーカ ist japanisch und heißt Lautsprecher
Zitieren

#15
Moin zusammen,

ich habe gestern Abend nochmal versucht den Fostex FT-90H mit dem W8-1772 zu paaren............................Schwierig!!!!

Mit einer 18db Varainte wie Joern sagte sah es eineigermaßen ansprechend aus..............................Wie es klingt weiß ich nicht..............................

- Kann es sein das der BB W8-1772 ziemlich zickig ist was die Inplementierung des HT angeht ?
- Ich kriege keine Trennung bei 5Khz hin das sieht immer nicht so gut aus? -> Liegt das einfach am HT oder dem SPL des BB ?

-Die Messungen von W8-1772 und Monacor RBT 95 SR stelle ich später rein...................In dem Ordner sind dann auch die REW Messungen......................

Cheers in die Runde
Zitieren

#16
Sozialista schrieb:ich habe gestern Abend nochmal versucht den Fostex FT-90H mit dem W8-1772 zu paaren............................Schwierig!!!!

Naja
er gehört zu den modernen Volbereichstönern, die auch sehr gut ohne Extra-Hochtöner auskommen.

Das war früher anders - da schafften die Breitbänder mit Glück 10kHz - da "mußte" quasi was obendrüber.
Auch die Superhochtöner liefen nicht so weit runter - einige Fostex-HT-Hörner heute ja auch nicht - wenn die unter 7-8kHz kamen, waren die gut.
d.h. es gab nur wenig "Überlappung" zwischen den Treibern. ein einfacher Kondensator - man könnte fast sagen "Schutzkondensator"- reichte, um das Ding fluffig zu bekommen.

Jetzt versuchst Du Dich an einem 2-Weger mit extrem hoher Trennfrequenz. Also da, wo die Impedanz des BB auch langsam steigt, die Phase dreht und kleine Resos noch mehr an Phase & SPL drehen, auch wenn die gut bedämpft sind.
Das ist dann sehr sportlich.

Im Netz kursieren doch fast unendlich viele Projekt mit dem 1772 -schau Dir da doch was ab.
Quais als Solotreiber - da hat sich ein Sperrkreis plus Saugkreis ( oder ein 2.Sperrkreis) dann bewährt.
Falls HT gewünscht, eben indirekt oben oder hinten.
Beste Grüße Smile
Jörn

what the bleep do we ... - listen to ?
Zitieren

#17
Also ich hatte das Tang Band Horn vor vielen Jahren schon mal gehabt von BPA.............als Bausatz.

Habe das auch so gehört ohne Hochtöner mit der Smooth und der Fresh Varainte............Mir hat das eher nicht so mega gefallen.....................Das mit dem Hochtöner mit laufen lassen usw. hatte ich auch probiert, ist nicht mein fall leider,
wäre mir auch lieber das es anders wäre..........

Ich habe zulezt ein Fostex Horn als zwei Wege realisiert mit dem FT-90H als HT.................Das hat echt prima gefunzt und klingt auch richtig gut.....................

Das Tang Band Horn würde ich gerne als zwei Wege Konzept ausführen falls dies Technisch möglich ist................Momentan sieht das für mich so aus der BB da etwas zickig ist..................????

Cheers
Zitieren

#18
Sozialista schrieb:Also ich hatte das Tang
Ich habe zulezt ein Fostex Horn als zwei Wege realisiert mit dem FT-90H als HT.................Das hat echt prima gefunzt und klingt auch richtig gut.....................

Meinst Du da dies Projekt ?
Wenn ich das richtig sehe, trennst Du da bei 4-5kHz - das ist ja schon dicht dran an Nicks Vorschlag aus #8

Das TB-Horn kenn ich nicht. EIne Hornkehle 1772 von Olli, diverse BR's und eine TQWT hab ich gehört - da kriegt man "Solo" was ansprechendes hin.
Und ich möchte wetten, dass es irgendwo in dieser Welt auch schon mal einen Zweiweger gab.... Wink

Holly hat hier mal was mit dem Sica-8" BB und einem AMT (?) vorgestellt, erinnere ich mich.

Es gibt also schon solche 8"-BB - 2-Wege Projekte, aus denen man sich was abgucken kann.
Beste Grüße Smile
Jörn

what the bleep do we ... - listen to ?
Zitieren

#19
Moin Moin zusammen,

habe nochmals den SPL neu gemessen.

Die Merging Prozedur in Vituix Cad..............Hier nochmal eine 18db Varainte...............

Was hält ihr davon:
[ATTACH=CONFIG]75932[/ATTACH]

Hier die Messungen zum Download:

https://files.fm/u/3ajvvaf86t


Momentan sehe ich die einzigste Fehlerquelle im Merging tool von VituixCAD.

Die Nahfeld und Fernfeldmessungen des BB machen an der Stelle zicken..........................

Grüße


Angehängte Dateien Thumbnail(s)
   
Zitieren

#20
Ich hab den thread jetzt 2 mal überflogen.
Was stört denn klanglich?
Wenn ich die Messungen anschaue, dann steigt der Frequenzgang von 70 Hz -10 kHz um 8 dB an.
Das muss doch irgendwie dünn klingen???
am Ziel
Zitieren



Möglicherweise verwandte Themen…
Thema Verfasser Antworten Ansichten Letzter Beitrag
  Zwei-eiige Zwillinge auf dem Horn-Gnadenhof High5 2 1.970 20.04.2025, 21:34
Letzter Beitrag: SNT
  Midbass Horn Hannes 1977 41 9.330 25.09.2024, 19:22
Letzter Beitrag: kboe
  Potentes Doppel 8" PA-Top - Wahl der Hochtontreiber+Horn-Kombi MK_Sounds 9 7.161 19.08.2024, 19:04
Letzter Beitrag: ansch
  wenn schon Horn High5 2 1.810 15.11.2023, 08:30
Letzter Beitrag: SimonSambuca
  Blues Brothers – Selbstbau Horn mit Onken Bass Köter 82 28.827 04.09.2023, 17:05
Letzter Beitrag: herr_der_ringe
  TBdry - Tang Band W3-871SC in 3-Liter BR-Box hockulri 75 22.989 16.08.2023, 19:57
Letzter Beitrag: hockulri
  JBL 4627,5 - Zweiweger mit JBL 2344 Horn, BMS 4550 Treiber und Beyma 12WR400 TMT Koaxfan 24 6.288 10.04.2022, 08:31
Letzter Beitrag: fosti
  "Little Skunk", 4" BB Horn Zippo 20 9.053 12.12.2021, 17:05
Letzter Beitrag: Zippo
  Moni-DXT (Seas DXT + Tang Band W4 1720) Sathim 91 44.841 20.07.2020, 18:09
Letzter Beitrag: Azrael
  open baffle Horn D'Appolito Idee teilaktiv plus Bass-Ripol dy1026u 9 3.817 29.04.2020, 18:26
Letzter Beitrag: dy1026u

Gehe zu:


Benutzer, die gerade dieses Thema anschauen:
1 Gast/Gäste

Deutsche Übersetzung: MyBB.de, Powered by MyBB, © 2002-2026 Melroy van den Berg.