23.01.2015, 18:24
Hallo,
hier hörte ich von der Möglichkeit, vor Abletecverstärkern den IC DRV134 einzusetzen. Habe ein ALC0180, das dann auch zur Speisung der beiden ICs herhalten soll.
Im Anhang habe ich kurz skizziert, was ich dazu bisher ermitteln konnte. Nun frage ich mich, was die anwesenden Fachkundigen für C1/C2 sowie C3/C4 empfehlen würden. Ich fand Hinweise von 0,1uF bis 1uF sowie 10uF bis 1000uF, wobei der ALC0180 hier ein Limit setzt. Das Datenblatt nennt eine maximale kapazitive Last von 330uF für den Hilfsspannungsausgang.
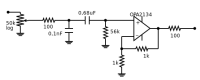
Zusätzlich würde ich gern einen Lautstärkeregler vor dem DRV134 ergänzen. In den Layout Guidelines des Datenblatts finde ich jedoch folgenden Hinweis: "The DRV134 input should be driven by a low impedance source such as an op amp or buffer." Poti direkt davor scheint also keine gute Idee zu sein.
Auch im Anhang findet sich eine Idee dazu, die ich hier entdeckte. In der konkreten Anwendung benötige ich etwas Verstärkung, habe exemplarisch den Faktor 2 angesetzt. Zusätzlich gibts ja laut Datenblatt nochmal 6dB aus dem DRV134.
Paßt das zusammen? Kann man sowas sinnvoll auf Streifenraster aufbauen, ohne danach stets Meeresrauschen im Ohr zu haben?
Freue mich über Meinungen,
Grüße,
Barrie
hier hörte ich von der Möglichkeit, vor Abletecverstärkern den IC DRV134 einzusetzen. Habe ein ALC0180, das dann auch zur Speisung der beiden ICs herhalten soll.
Im Anhang habe ich kurz skizziert, was ich dazu bisher ermitteln konnte. Nun frage ich mich, was die anwesenden Fachkundigen für C1/C2 sowie C3/C4 empfehlen würden. Ich fand Hinweise von 0,1uF bis 1uF sowie 10uF bis 1000uF, wobei der ALC0180 hier ein Limit setzt. Das Datenblatt nennt eine maximale kapazitive Last von 330uF für den Hilfsspannungsausgang.
Zusätzlich würde ich gern einen Lautstärkeregler vor dem DRV134 ergänzen. In den Layout Guidelines des Datenblatts finde ich jedoch folgenden Hinweis: "The DRV134 input should be driven by a low impedance source such as an op amp or buffer." Poti direkt davor scheint also keine gute Idee zu sein.
Auch im Anhang findet sich eine Idee dazu, die ich hier entdeckte. In der konkreten Anwendung benötige ich etwas Verstärkung, habe exemplarisch den Faktor 2 angesetzt. Zusätzlich gibts ja laut Datenblatt nochmal 6dB aus dem DRV134.
Paßt das zusammen? Kann man sowas sinnvoll auf Streifenraster aufbauen, ohne danach stets Meeresrauschen im Ohr zu haben?
Freue mich über Meinungen,
Grüße,
Barrie

