Themabewertung:
  • 1 Bewertung(en) - 5 im Durchschnitt
  • 1
  • 2
  • 3
  • 4
  • 5
Passiver Grimm LS1 Klon?
#61
Moin Matthias,

ja, bei dem Excel ist das auch richtig. Bei einer 3" Lotte wäre es aber schon schade.

Viele Grüße,
Christoph
Zitieren

#62
Einen viel zu lauten Hochtöner passiv mit einem MT / TMT zu verheiraten kann problematisch sein, weil man oftmals nicht 10dB Wirkungsgrad ohne Fehlanpassung vernichten kann, zumindest ging mir das bei meinen Versuchen so. Bei der LS1 gibt's mMn. keinen der Nachteile, da der Wirkungsgrad einigermaßen passt.

Bei 3 Wegen hätte ich also überhaupt keine Bauchschmerzen den MHT-Teil passiv "fertig" zu entwickeln und dann aktiv den Bass dazu zu nehmen. Zumal es da wirklich sehr sinnvoll ist, Anpassungen vornehmen zu können. Dank Tools wie VituixCad ist das Entwickeln von Passivweichen ja auch wirklich deutlich einfacher geworden.

Spannend wird es bei 15" + Horn über DSP. Wenn der Hochtöner dann schon so viel Wirkungsgrad macht, dass man das Aktivmodul rauschen hört. Das ist dann auch keine Lösung. Da wird es auch sehr schnell unangenehm, wenn man irgendwo etwas knackt oder fiept.

Viele Grüße,
Stefan
[URL="http://www.igdh.eu"]
[IMGNR]http://www.igdh.eu/logo_igdh_mini.png[/IMGNR]
[/URL]
Zitieren

#63
Hallo Willi,

da hast du absolut recht, die Simulation bezieht sich auf das physikalisch ideale Verhalten von Treibern, nach den Modellen von Thile und Smal und stellt nicht die Realität dar – wie ich das auch dazu geschrieben habe.
Als Anfänger habe ich auch geglaubt, dass ich mit gemessenen Werten genauere Weichen entwickeln kann, die gut und deutlich klingende Lautsprecher ergeben, das sehe ich heute nicht mehr so.

Es ist nicht einfacher, mit dem TSP Modell zu arbeiten, aber die Ergebnisse sind verhältnismäßig gut. Hierbei ist jedoch immer Nacharbeit gefordert. Das bedeutet, mit dem Modell kann ich eine Annäherung abbilden, diese kann ich aufbauen und dann die komplette Box nachmessen. Hierbei sind zeitliche bzw. geometrische Messfehler deutlich geringer und ich kann an Hand der Messung des gesamten Lautsprechers, die Weiche anpassen.


Da ich bei dem Boxsim Modell den 7 und nicht den 8 Zoll Treiber hinterlegt habe, hier nochmal die angepasste Variante.

.bpj   Grimm.BPJ (Größe: 105,91 KB / Downloads: 171)
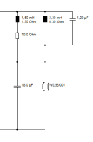
Die hier dargestellte Weiche:
[ATTACH=CONFIG]50059[/ATTACH]
hat den Vorteil, dass die Treiberüberhöhung im Mittelton leicht über die Varianz des Widerstands eingepegelt werden kann. Das kann man auch mal nach Gehör und eigenem Geschmack machen - so würde ich den Tieftonzweig als "Anfängertauglich" bewerten. Der Bassverlauf den Boxim aus den TSP errechnet ist nach meinen Messungen hinreichend genau und trifft bei Bassreflex häufiger zu, als andere Modelle.

Grüße Tim


Angehängte Dateien Thumbnail(s)
   
Zitieren

#64
Die Weiche sollte so nicht aufgebaut werden, der 1,2uF schließt die Endstufe kurz. Mit so einer Last könnte sie instabil werden, schwingen und sich und den Lautsprecher killen.
Der 1,2uF ist besser direkt parallel zur 1,5mH einzusetzen, eventuell noch mit einem kleinen Reihen-R zur Bedämpfung der Reso.
Zitieren

#65
tim1999de schrieb:Hallo Willi,

da hast du absolut recht, die Simulation bezieht sich auf das physikalisch ideale Verhalten von Treibern, nach den Modellen von Thile und Smal und stellt nicht die Realität dar – wie ich das auch dazu geschrieben habe.
Als Anfänger habe ich auch geglaubt, dass ich mit gemessenen Werten genauere Weichen entwickeln kann, die gut und deutlich klingende Lautsprecher ergeben, das sehe ich heute nicht mehr so.

Es ist nicht einfacher, mit dem TSP Modell zu arbeiten, aber die Ergebnisse sind verhältnismäßig gut. Hierbei ist jedoch immer Nacharbeit gefordert. Das bedeutet, mit dem Modell kann ich eine Annäherung abbilden, diese kann ich aufbauen und dann die komplette Box nachmessen. Hierbei sind zeitliche bzw. geometrische Messfehler deutlich geringer und ich kann an Hand der Messung des gesamten Lautsprechers, die Weiche anpassen.


Da ich bei dem Boxsim Modell den 7 und nicht den 8 Zoll Treiber hinterlegt habe, hier nochmal die angepasste Variante.
Grimm.BPJ
Die hier dargestellte Weiche:
[ATTACH=CONFIG]50059[/ATTACH]
hat den Vorteil, dass die Treiberüberhöhung im Mittelton leicht über die Varianz des Widerstands eingepegelt werden kann. Das kann man auch mal nach Gehör und eigenem Geschmack machen - so würde ich den Tieftonzweig als "Anfängertauglich" bewerten. Der Bassverlauf den Boxim aus den TSP errechnet ist nach meinen Messungen hinreichend genau und trifft bei Bassreflex häufiger zu, als andere Modelle.

Grüße Tim

Hallo Tim,

so wird kein Schuh draus.
Du kannst nicht mit TSP eine Weiche aufbauen und den Murx dann zusammenbauen und endlich messen.
Das ist das Pferd von hinten aufzäumen.
Gehäuse bauen, Chassis rein, Kabel nach außen führen und die einzelnen Chassis messen und ins Simulationsprogramm einpflegen.
Oder du hast Daten in einer DIN-oder unendlichen Schallwand bzw. eines abgeschlossenen Projektes (bei Udo funktioniert der Link des Hochtöners noch) zur Verfügung, dann kannst du vorab simulieren.
TSP berücksichtigen keinerlei Schweinereien der Chassis im Frequenzgang.

BG, Peter
Zitieren

#66
Also dieses Jahr komme ich nicht mehr dazu, aber nächstes Jahr könnte ich mir das als Projekt vorstellen. In der Zwischenzeit würde ich schon mal nach Treibern Ausschau halten.
Jetzt meine Frage: würdet ihr den SEAS EXCEL W22EX001 nehmen, so wie Thomas in seiner Duo, oder einen anderen TT?

Der Seas ist denke ich gesetzt.
Zitieren

#67
Moin Michi,

ich würde den nehmen. Scheint auch in der günstigeren Variante LS1a verbaut zu sein:

http://seas.no/index.php?option=com_cont...Itemid=461

https://www.grimmaudio.com/hifi-products...kers/ls1a/

Der Kennschalldruck ist topp und der Rolloff sieht für eine passive Beschaltung bis auf die leichte 3kHz Reso auch super aus. Ich nehme das Chassis für meinen Dutch&Dutch 8C Klon.
:prost:

#EDIT: Qms (und damit auch Rms) sieht auf den ersten Blick nicht doll aus. Das Teil ist aber demoduliert, wie es sich für ein 2-Weg taugliches 8" Chassis gehört. Und wie gesagt, trotz Demodulierung ist der Kennschalldruck topp!
Zitieren

#68
Danke Christoph.

Und in der LS1V2 scheint er auch verbaut zu sein, oder? https://www.grimmaudio.com/hifi-products...akers/ls1/
Zitieren

#69
In der V2 sieht es doch eher wieder nach dem Magnesium-Excel aus. Oder meinst Du die HT, das sind in der LS1v2 und der LS1a tatsächlich die DXT. Nur in der be haben sie wohl einen anderen HT verbaut. Aber ganz ehrlich, brauch' man Beryllium???
Zitieren

#70
Also Beryllium kommt mir nicht ins Haus (bin da zu paranoid). Würdest du den Magnesium Excel vorziehen (ist es der hier https://www.intertechnik.de/shop/lautspr...de,32,5893 )?
Zitieren

#71
[QUOTE]
Aber ganz ehrlich, brauch' man Beryllium??/QUOTE]

Ja - zum Kaufkraft Abschöpfen...
Zitieren

#72
Ja und der verlinkte "schwarze" tut es auch. In der offset Drift hat mich das teure Magnesium Teil enttäuscht:
http://seas.no/index.php?option=com_cont...Itemid=359
Zitieren

#73
Achso, also du würdest den von dir am Anfsng verlinkten schwarzen bevorzugen, weil der Magnesium Treiber keine wirklichen Vorteile bringt?

Käme mir ganz recht: Billiger und sieht besser aus Smile
Zitieren

#74
Genau! :prost:
Zitieren

#75
Ich bin leider in vielen Dingen noch unwissend. Zum Beispiel habe ich den Ausdruck Offset Drift im Zusammenhang mit Chassis nicht gehört. Aber dennoch will man auch als unbedarfter Hifi-Interessierter-Mensch nachvollziehen wie ein fast dreifacher Preis gerechtfertigt werden kann. Sicherlich ist Magnesium als Werkstoff nicht ganz einfach zu handhaben (Herstellung/Verarbeitung, Versiegelung/Konservierung), was sicherlich bereits einen höheren Kostenaufwand bedingt. Aber was bleibt am Ende übrig aus akustischer Sicht? Ich würde zunächst erst mal ganz vereinfacht annehmen, dass aufgrund des Magnesiums weniger Membranverformungen im Betrieb auftreten, bedingt durch die höhere Steifigkeit des Grundmaterials. Dadurch würde ich dann eine geringer verfärbte Wiedergabe vermuten. Aber mir ist bewusst, dass natürlich viele weitere Faktoren von Bedeutung sind. Ich habe allerdings nie den U22REX/SP-L und W22 EX001 im direkten Vergleich in einem sonst identischen Setup/Konzept hören können. Daher frage ich mich, würde man in einem Blindtest Unterschiede überhaupt wahrnehmen können?
Zitieren

#76
mar1o: durch Nichtlinearitäten im Antrieb verschiebt sich im Betrieb die Nulllage. Meist nach außen. In diese Richtung verringert sich dann natürlich der Hub. Wenn die Membran dann wieder zurückfällt ist das z.T. auch hörbar.
Zitieren

#77
fosti schrieb:mar1o: durch Nichtlinearitäten im Antrieb verschiebt sich im Betrieb die Nulllage. Meist nach außen. In diese Richtung verringert sich dann natürlich der Hub. Wenn die Membran dann wieder zurückfällt ist das z.T. auch hörbar.

Danke. Das bringt mal wieder etwas mehr Licht ins Dunkel.
Zitieren

#78
Hallo Fosti,

wo hast Du denn den Hinweis oder die Angaben zum Offset Drift gefunden?

Gruß

Thomas
Zitieren

#79
Hallo Thomas,

hier ist alles mal ganz gut im Überblick dargestellt. Rechts bei den "Symptoms". Im Poster wird das Xdc genannt.
https://www.klippel.de/fileadmin/klippel...Poster.pdf

Viele Grüße,
Christoph
Zitieren

#80
Mojn Christoph,

danke für die Übersicht, sehr interessant!
Aber woran erkennst Du in dem verlinkten Datenblatt des EX22, dass das Chassis einen Offset Drift hat, der Dich enttäuscht hat?


Viele Grüße

Thomas
Zitieren



Möglicherweise verwandte Themen…
Thema Verfasser Antworten Ansichten Letzter Beitrag
  Boenicke Audio W8 Klon paco de colonia 87 33.994 06.04.2022, 15:19
Letzter Beitrag: Lautsprecherfan
  Menhir Klon monjet 37 14.100 06.01.2021, 19:24
Letzter Beitrag: Franky
  Er ist wieder da, P-AudioP150/2226 Mk II für 4430 Klon Kalle 0 1.306 06.04.2019, 10:52
Letzter Beitrag: Kalle
  Celeste - Altec 614 Klon - wie Dämmen? ArLo62 18 6.155 16.02.2019, 17:42
Letzter Beitrag: ArLo62
  Monacor SPH390TC als Tieftöner für JBL4430 Klon? Atomar 61 21.209 26.11.2018, 18:14
Letzter Beitrag: phase_accurate
  XLR Poti / Passiver Lautstärkeregler gesucht oggy 6 4.177 28.08.2018, 18:10
Letzter Beitrag: stefankhh
  Coral Beta 10 Klon von Xizi numbercube 8 5.638 10.07.2018, 21:56
Letzter Beitrag: TommiSHA
  "Pseudo-aktive" Standlautsprecher mit Aktivmodul vor passiver Frequenzweiche? Oehan 23 9.386 22.08.2014, 17:24
Letzter Beitrag: Oehan
  Tannoy - Reveal Passiver Studio Monitor Lautsprecher dieterschneider 9 4.085 26.11.2013, 20:52
Letzter Beitrag: kasbc
  Grimm Audio Franky 51 20.958 07.05.2013, 18:12
Letzter Beitrag: bAD kARMA

Gehe zu:


Benutzer, die gerade dieses Thema anschauen:
1 Gast/Gäste

Deutsche Übersetzung: MyBB.de, Powered by MyBB, © 2002-2026 Melroy van den Berg.