Themabewertung:
  • 0 Bewertung(en) - 0 im Durchschnitt
  • 1
  • 2
  • 3
  • 4
  • 5
Vintage: B&O HT3000 Type 6220
#1
Moin @

neulich hab ich ja schon mal verkündet, dass da eine B&O Box aus 1970 "zugelaufen" ist.

Nicht ganz - ich habe sie an der dänischen Grenze abgeholt ...

Nachdem Timo seinen Dynaco-Klon vorgestellt hat - und wir das Tema 10"-1,5" schon öfter mal am Wickel hatten, hab ich's dann endlich mal getan.

Das durchwachsene Wetter an diesem Wochenende war dann der Start, das Ding mal näher zu inspizieren. Vorher war die Box etliche Wochen am Verstärker - in der Sommerzeit nur wenig gelaufen - und mußte erstmal einlaufen. Die enttäuschende HT-Wiedergabe änderte sich von mal zu mal zum Guten. Auch der TT war etwas "träge" - das änderte ich langsam und ich bin erstaunt, wie Detail-reich die aufspielen können - allerdings paßt auch was nicht ....

Die waren noch recht gut in Schuß - so sieht das mit und ohne Abdeckung aus. Natürlich mit dem Orginal Anschlußkabel dran (2x 0,5mm)

[ATTACH=CONFIG]67362[/ATTACH] [ATTACH=CONFIG]67363[/ATTACH]

Schaut man rein, entdeckt man folgendes:
den schon legendären Seas H087 Hochtöner "4-8 Ohm" und einen ungelabelten Tieftöner, der von Peerless stammen soll ( Quelle: ein dänisches Forum - leider nicht wieder gefunden )

[ATTACH=CONFIG]67364[/ATTACH] [ATTACH=CONFIG]67365[/ATTACH] [ATTACH=CONFIG]67366[/ATTACH]

Das ca. 38l netto große Spanplattengehäuse - frei von Verstrebungen - ist mit Glaswolle-Pads bedämpft - die eingeschweißt sind in eine klare Folie ! Plus graues Wollfilz - für die Zeit ganz normal.

[ATTACH=CONFIG]67367[/ATTACH]

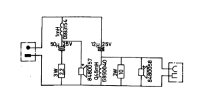
Die Weiche ist erkennbar - die Schaltung hab ich mir geliehen:
[ATTACH=CONFIG]67368[/ATTACH]

Das sind 2x 12dB - im Prinzip ganz simpel ...


Angehängte Dateien Thumbnail(s)
                       
   
Beste Grüße Smile
Jörn

what the bleep do we ... - listen to ?
Zitieren

#2
Dann hab ich die gemessen in 1m Entfernung - Höhe mittig zwischen den Chassis

[ATTACH=CONFIG]67369[/ATTACH]

In dunkelblau und rot: jeweils rechte und linke Box - verdammt gute Paar-Gleichheit.
Violett: der HT ohne Gitter - das macht fast nix.
Gelb: das ganze am Original-Kabel - jetzt ist es bis auf wenige cm abgeschnitten. Kostet bißchen SPL in Höhen und Bass ...
Grün: Mit Frontabdeckung. Für diesen Betreib sind sie ja eigentlich vorgesehen: und an einer Wand montiert (hier freistehend).

Die Box spielt zwischen 5o0-800Hz mit mehr Schalldruck als "ohne alles" - d.h. SPH220HQ plus Magnet - also >91dB. Mal sehen, dass das später so bleibt.


[ATTACH=CONFIG]67370[/ATTACH]

Unter Winkeln in 15°-Schritten. Ab 45° macht sich die Kante bemerkbar - die Front ist ja ca. 1cm zurück versetzt, damit die Frontbespannung eingelassen werden kann.
Weiter als 45° kam ich nicht - der HT war tot (rot). was war passiert ? Die Schrauben vorn halten nicht nur das Gitter, sondern auch den Magneten...
Ja - danke für die Erinnerung - ist wie überall. Er lebt wieder - nach dem Erlebnis war dann erstmal Schluß.

To do:
Anschlußterminal und Innen etwas kräftigere Verdrahtung - zumindest zu TT.
Die beiden Elkos sind wohl sauer - eine Messung des SPL aus dem Originalzustand hab ich noch nicht gefunden - eine soo große Senke im Loudnessbereich kann ich mir nicht vorstellen.
Das dürfte mit voller Kapzität der beiden C's besser werden. Liegt zum Glück in der Bastelkiste bzw. kann durch Parallelschaltung gezaubert werden.

Also beim nächsten kalten oder Regen-Wochenende geht's weiter !


ne - Impedanz kann ich grad nicht - der neue Schleppi hat nur 1 Klinkenanschluß ...


Angehängte Dateien Thumbnail(s)
       
Beste Grüße Smile
Jörn

what the bleep do we ... - listen to ?
Zitieren

#3
Moin

gestern Abend lies es mir keine Ruhe - da hab ich mich mal an die Weiche gewagt.

[ATTACH=CONFIG]67386[/ATTACH]

Die Elkos sollen ersetzt werden. Dann sind da noch diese dünnen schwarzen Widerstände - am vorderen - etwas unscharft - klebt Glaswolle. Der ist wohl mal warm geworden (3 Watt).
Dieses gelbe und orangene Kabel geht zu einer Steckerbuchse hinten - hier kann man einen weiteren Hochtöner anschließen.... ?!?

Zuerst hab ich nur die Kondensatoren ersetzt - das Ergebnis war ernüchternd. Kaum Änderung.

Dann zusätzlich die beiden Widerstände - mit dem, WaSoDaWar. Etwas besser..... der eine war ca. 1/4 mehr, der andere 1/4 weniger als soll .... auch keine Welten.


[ATTACH=CONFIG]67387[/ATTACH]


Das Ergebnis hat sich nur geringfügig geändert....
Dunkle Farben: Ursprung Original
Helle Farben: nach dem Komponentenaustausch.
[ATTACH=CONFIG]67388[/ATTACH]

Tja - immer noch so ein großes "Tal" - an der Weiche bzw. dem Zustand der Bauteile scheint das nicht zu liegen.
Da würd ich sogar sagen: ganz schön gute langzeitstabile Teile.

Haben die das damals so gewollt ? Etwas Hochton verschwindet ja noch durch die Abdeckung.

Hat da jemand eine Idee - aus anderen Lautsprechern dieser Zeit ( um 1970). Wandmontage - gern relativ weit oben und liegend....

Man kann diesen Lautsprecher gut hören - gebessert hat sich das Auflösungsvermögen - Qualität ist eben was anders als Quantität (SPL).
Wenn's lauter wird, fängt das schon an zu nerven im HT und Box insgesamt "leicht gebremst" ...

Was tun ?
der Vollständigkeit halber noch mal die Chassis einzeln messen.
Sooo kaputt können die eigentlich nicht sein, finde ich.

und dann ? "Historisch richtig" so lassen ? :rtfm:

oder eine "moderne Abstimmung" drauflegen ? :dance:

Bin da unendschlossen.
Ideen ?
Tips ?

Danke.


Angehängte Dateien Thumbnail(s)
           
Beste Grüße Smile
Jörn

what the bleep do we ... - listen to ?
Zitieren

#4
Hmm, beide Treiber sind wohl AlNiCo, was nach so langer Zeit sicher nachmagnetisiert werden muss. Aber die Senke in der Mitte passt für mich nicht zu schwindender Antriebskraft.
Zitieren

#5
Joern schrieb:Schaut man rein, entdeckt man folgendes:
den schon legendären Seas H087 Hochtöner "4-8 Ohm" und einen ungelabelten Tieftöner, der von Peerless stammen soll ( Quelle: ein dänisches Forum - leider nicht wieder gefunden )

wieder gefunden mit Google-Übersetzer.
Beste Grüße Smile
Jörn

what the bleep do we ... - listen to ?
Zitieren

#6
Eventuell dafür entwickelt, auf dem Boden zu stehen? Also Messposition deutlich oberhalb des LS?

Und eigentlich, wenn AlNiCos vernünftig dimensioniert wurden, dann gehen die in einen dauerstabilen Zustand über, ähnlich keramischen oder Neodym-Magneten.
Zitieren

#7
Hier mal eine Frequenzgangmessung der Telefunken-TL-500. Das ist eine geschlossene Box mit 8" Tieftöner und dem SEAS H87 wie bei deiner B+O.

Gemessen habe ich die auf dem Podest stehend Wink

[ATTACH=CONFIG]67389[/ATTACH]


Angehängte Dateien Thumbnail(s)
   
Zitieren

#8
Ja danke, Frank

irgendwas in dieser Richtung hatte ich mir erhofft.

"auf Podest gemessen" : ich habe auf einem Boxenständer gemessen, HT auf ca 80cm Höhe und "unten", Micro zwischen TT & HT - als knapp 90cm Höhe
Gleicher Ständer und Platz wie bei "ohne alles"
Beste Grüße Smile
Jörn

what the bleep do we ... - listen to ?
Zitieren

#9
ohne Podest auf Stativ gemessen wäre der Abfall zum Tiefton stärker ausgeprägt. Die TL-500 ist aber eine Regalbox. Mit der Senke bei der B+O hat das aber nichts zu tun.
Zitieren

#10
Hallo Jörn,
hattest du nicht auch mal eine 3702? Ich dachte da wäre auch mal die Rede von gewesen.
Meine steht nach Reconing und neuen Weichenelementen immer noch unfertig im Arbeitszimmer rum.
Obwohl drei Wege hat die tendenziell einen ähnlichen Frequenzgang und kling viel zu hell.
Ich hab damals nur mal die drei Chassis im Nahfeld gemessen. Muss ich endlich noch mal dran...
Vorher:
[ATTACH=CONFIG]67391[/ATTACH]
Nachher: [ATTACH=CONFIG]67392[/ATTACH]

[ATTACH=CONFIG]67393[/ATTACH]

Grüße
Frank


Angehängte Dateien Thumbnail(s)
           
Zitieren

#11
Hi Frank

stimmt - die 3702 hab ich nicht mehr .... und mit Gitter / Abeckung klingt die relativ ausgegelichen.
Zumindest hat die kein "mittenloch", Also so ein breites und tiefes Mittenloch.
Die B&O 3702 geht mehr so Richtung Telefunken TL500 bzw. deren 3-Weg-Bruder TL700.


"Verpolen" sieht ja auch anders aus.....

Na, Am Wochenende gehts weiter mit "Praxis"
Beste Grüße Smile
Jörn

what the bleep do we ... - listen to ?
Zitieren

#12
Hallo,

wie misst sich das Ganze mit der Abdeckung?

Ansonsten glaube ich auch, die haben die Box oberhalb vom Gehäuse abgestimmt. Ich würde noch mal auf höhe Oberkante Gehäuse und 10 oder 20 cm über der Box messen.

Gruß
Werner
Zitieren

#13
Moin

so gestern abend war ich noch ein bißchen fleissig.
Da hab ich eine Box noch mal durchgemessen - in der Original-Weiche mit Neuteile wie oben beschrieben.

SPL "Bestand" - ohne Abdeckung (mittel-blau)
SPL "Bestand" - mit Abdeckung ( dunkel-blau)

Dann die einzelnen Wege:
TT beschaltet ( dkl-grün )
TT "frei" ( hell -grün )

HT Beschaltet ( orange-braun )
HT unbeschaltet ( hell-Orange )

x-over scheint bei 1,6kHz zu liegen und addiert sich gut auf zur Summe, auch gleichmässig ca. eine Oktave vor / zurück.

Das der TT so viel Schalldruck durch die Beschaltung verliert ( mess ich noch mal nach ) - der R ( L1) dürfte zwschen 2 und 3Ohm liegen. Das scheint weniger als 0,5mm Draht zu sein....

Noch nirgends hab ich eine SPL-Messung vom H 087 ( hier hell-orange) gesehen - obwohl so viel drüber gesprochen wird. Hat da jemand was zu vergleichen ?

Um die Chassis "einfach und schlicht" zu verschalten - ist die aktuelle Situation scheinbar gut gelungen.

Wie man mit dem HT H087 so gleichmässige Frequenzgänge hinkriegen soll wie bei der Telefunken TL500 ... das braucht dann wohl ordentlich Aufwand.
[ATTACH=CONFIG]67399[/ATTACH]

Nächster Step: mal mit neuen Kabeln messen - um da allen Eventualitäten vorzubeugen. Und jeweils beide HT / TT Chassis.
Und dann mal weiter sehen.

Anregungen / Ideen werden gern gehört / gelesen.


Angehängte Dateien Thumbnail(s)
   
Beste Grüße Smile
Jörn

what the bleep do we ... - listen to ?
Zitieren

#14
Hi,
mal so'n Schuß ins Blaue:

Ist der Seas mit Ferrofluid? Kann das bei Alterung solche Effekte bewirken? Vielleicht gibt eine Impedanzmessung des HTers einen Hinweis.

Gruß
AR
Zitieren

#15
So,
nachdem der eine Hochtöner ja schon unfreiwillig geöffnet wurde, kamen heute beide nochmal in die Inspektion.

Der gelblichen Staub auf der Membran - vermutlich Reste des Dichtungszeugs beim Einbau - lies sich gut mit einem Blasebalg-Pinsel aus dem Fotobedarf entfernen - o.k. einige kleine Reste sind geblieben.

Schwingspulen sehen klasse aus - silberner Draht gewickelt ?
Und auf dem Polkern sitzt so ein "rauher" halbrunder Propfen - eine Art Gummi mit flauschiger Oberfläche.

Frontplatte aus (dünnem) Alu - o.k. ( ich dachte zuerst, dass sein Pertinax oder so... )
mit weich-elastischem Gummiring als Dichtung gegen Magnet

Dichtungsreste zum Gehäuse entfernt - alles chico Big Grin:prost:

Ferrofluid - ich glaube, dieser Zaubertrank wurde erst nach 1970 eingesetzt Wink

[ATTACH=CONFIG]67403[/ATTACH]

[ATTACH=CONFIG]67404[/ATTACH]


Das Gehäuse erhält mittig rückseitig zwei Löcher für die neuen Kabel - später sitzt da ein kleines Anschlußterminal.
Dann kann ich von außen besser arbeiten.

Stay tuned.


Angehängte Dateien Thumbnail(s)
       
Beste Grüße Smile
Jörn

what the bleep do we ... - listen to ?
Zitieren

#16
Ja, miss einfach mal was die Chassis unbeweicht so von sich geben - dann kann man sehen wohin der Hase hinlaufen kann.
Ich muß aber auch sagen das es durchaus aktuelle und höchst gut getestete Lautsprecher gibt die auch solche Senken in der ausgeprägten Form haben. Würde nicht ausschließen das das Absicht gewesen ist.
Zitieren

#17
MOin

so - nach einigen Bastelarbeiten gibt es jetzt die Chassis einzeln im Gehäuse und neuen Kabeln.

R-Tiefton: 3,1 / 3,2 Ohm, R-Hochton: 5,5 / 5,5 Ohm

[ATTACH=CONFIG]67421[/ATTACH]

So wirklich viel hat sich nicht geändert. Beide haben einen Dip bei ca 2,2kHz.

Dann hab ich eine Nahfeldmessung am Basstreiber gemacht.
Sieht ganz vernünftig aus. Und einen tiefen Dip bei 2,4kHZ.

[ATTACH=CONFIG]67422[/ATTACH]

Da habe ich so langsam den Verdacht, dass mir das Gehäuse da ziemlich in die Quere kommt ( oder den B&O-Ings damals).
Die Einbrüche passen irgendwie zu gut zur Breite des Gehäuses ...

Das hat ja nicht nur eine Kante, sondern so eine umlaufende 5x5mm Holzleiste, damit die Frontbespannung eingelassen werden kann.
Auch die Abdeckung ist ja im Grunde eine weitere Kante, an der es nochmals Brechung gibt.

[ATTACH=CONFIG]67423[/ATTACH]

Letzter Versuch die Tage: die Treiber ausbauen und einfach mal auf den Teppich legen....
Dann gibt es Gewissheit, was wer hervorbringt.
Es ist auch schwer, dagegen anzubauen. Die Schaltung im HT der Telefunken TL500 bringt in dieser Box gar nix ....

Was tun ?
Es wäre ja einfach, da mal mit einem 15mm Rundfräser rumzugehen. :built:
Dann ist dieses B&O-Design allerdings auch weg.
Und ich weiß auch nicht, ob ich auf diese Treiber-Häßletten schauen möchte ...:eek:

Oder eine andere Front-Bespannung, dessen Rahmen das Gehäuse aufnimmt und genau über die Chassis paßt - so als ob die Treiber von hinten montiert wären.
Also z.B. ein 15mm Brett zurechtsägen / fräsen...


Angehängte Dateien Thumbnail(s)
           
Beste Grüße Smile
Jörn

what the bleep do we ... - listen to ?
Zitieren

#18
Hallo Jörn,

Der Aufbau des HT gefällt mir eigentlich, daher würde ich vermuten, dass der was kann.

Allerdings erscheint er mir zu leise, bzw. der Antrieb zu schwach. Ist dein Messsystem kalibriert?

Zudem wäre eine Nahfeldmessung des HT hilfreich.
Gruß

Jesse Cool Good Vibration




Die Realität ist in Wirklichkeit etwas komplizierter.
Zitieren

#19
Ich habe gerade eine H87 aus einer Telefunken TL-700 hier.

Deren Frequenzgang auf Normschallwand misst sich so:

[ATTACH=CONFIG]67424[/ATTACH]


Angehängte Dateien Thumbnail(s)
   
Zitieren

#20
Danke Frank

so was hab ich gesucht und erwartet ...

Ich komm erst am WE weiter....
Beste Grüße Smile
Jörn

what the bleep do we ... - listen to ?
Zitieren



Möglicherweise verwandte Themen…
Thema Verfasser Antworten Ansichten Letzter Beitrag
  Vintage Audio Website Uli_Bel 3 1.506 19.10.2022, 07:46
Letzter Beitrag: mechanic
  Visaton Vintage- Bumm Zisch oder brauchbar? Plüschisator 10 3.388 06.03.2021, 21:46
Letzter Beitrag: hoschibill
  Hornfrage - kennt ihr das MTH? EV Type? Okulyt 11 3.714 20.02.2021, 19:45
Letzter Beitrag: Okulyt
  Suche Dreiwege-Open-Baffle Bauvorschlag, gerne mit etwas Vintage-Charakter Koaxfan 27 11.282 04.12.2020, 19:49
Letzter Beitrag: Koaxfan
  Nix Ernstes - Bastelei mit Vintage Breitbändern chinakohl 51 26.675 08.11.2020, 12:33
Letzter Beitrag: chinakohl
  Vintage Seas Koax 15cm in 90-gern EMES Black Monis. Original TSPs gesucht! ton-feile 3 2.107 24.11.2018, 15:31
Letzter Beitrag: ton-feile
  Ersatz-Hochtöner für Vintage Klein & Hummel SL 98 gesucht Elisabeth 16 6.357 04.10.2018, 12:58
Letzter Beitrag: newmir
  30 cm Vintage Breitband Chassis . Forums Bestandaufnahme Kaspie 58 20.109 06.05.2017, 10:46
Letzter Beitrag: herr_der_ringe
  Suche Vintage Lautsprecher zur Denon DRA-825R Rob 7 2.526 03.03.2017, 14:43
Letzter Beitrag: miwa
  B&O 3702 Danish Vintage speaker Joern 17 14.145 22.10.2016, 16:21
Letzter Beitrag: Chemist

Gehe zu:


Benutzer, die gerade dieses Thema anschauen:
1 Gast/Gäste

Deutsche Übersetzung: MyBB.de, Powered by MyBB, © 2002-2026 Melroy van den Berg.