Themabewertung:
  • 0 Bewertung(en) - 0 im Durchschnitt
  • 1
  • 2
  • 3
  • 4
  • 5
DIY Platinenlayout 4-Wege-Endstufe
#21
Aus Erfahrung kann ich sagen das 10 verschieden Entwickler auch 10 verschiedene Designs abliefern würden.
vlt. gibt es hier und da Überschneidungen .. aber es wäre nie gleich
Zitieren

#22
Ich musste ja neulich lernen, dass im Hobbybereich immer noch gerne mit THT statt SMD gearbeitet wird. Das würde heutzutage wohl kaum noch ein professioneller Entwickler machen. Das ist aber unabhängig davon, ob das Layout gut oder schlecht oder schön ist, es fällt mit SMD nur leichter. Aber warum sollte der Hobbyist nicht danach streben, das Layout zu optimieren? Er hat doch sogar noch viel mehr Möglichkeiten (aka as "Zeit") dazu. Und wie ich schon schrieb: ein gutes Layout beginnt mit der Platzierung, und dann wird es fast automatisch schön und man spart sich jede Menge Zeit, weil man nicht noch fünfmal neu routen muss.

saddevil schrieb:- die Trennung Vorstufe / Leistungsteil würde ich mit Capmultiplikator machen ( Transistor , Widerstand und Kondensator )

Hey, wie wäre es mit einem Linearregler? Big Grin

Nein, im Ernst, da kann man alles mögliche dran rumoptimieren, mich wundert eben, wie schon geschrieben, dass im Datenblatt nichts dergleichen steht. Wenn die da eine superduperextraordinäre Stromquelle eingebaut haben dann braucht es das auch nicht. Dazu kommt dann ja noch die Gegenkopplung die, wenn man den empfohlenen Werten folgt, nochmal 50 dB PSRR draufpackt. Ich denke daher das es reicht, da einen Widerstand vorzusehen.
Zitieren

#23
Ich arbeite lieber mit SMD ...Warum Drähte durchschieben wenn man einfach drauflegen kann

Die ElClassico hab ich jetzt schon in SMD geroutet.
Bis auf die Treiber + endtransistoren + Bias Transistor.
Da die Bauteile aber eh auf einen KüKö müssen...
bin gespannt...
Zitieren

#24
Irgendwo hier neulich fing ich das Lästern über THT an und wurde dann eines besseren belehrt, dass die alten Herren Big Grin mit den krummen und gebeugten Augen, blinden Ohren und tauben Rücken lieber auf SMD verzichten.

Was mir noch eingefallen ist:
- wo kommen die +- 24V AC her? Trafo? Ist dann die Schaltung gegen Überspannung (264 V) ausgelegt?
- was passiert bei AC-Unterspannung, im einfachsten Fall: Netzspannung wegschalten. Ist das definiert?
Zitieren

#25
JFA schrieb:Mach es in Schritten:
1) Bauteile platzieren, herzeigen
2) Routen, herzeigen

OK...:danke:

Nunmehr habe ich das Elektronik-Projekt nochmal etwas überarbeitet. Netzteil wird ausgelagert und da mit dem µPC1237 bereits LS-DC-Schutz und Einschaltverzögerung gegeben ist, habe ich dieses im TDA 7293 komplett deaktviert, Ich hoffe, dass dies das Layout erleichtert.

geänderter Schaltplan
[ATTACH=CONFIG]74437[/ATTACH]

Hier nun mein neuer Versuch. Ich habe zunächst nur die Bauteile plaziert. Platine soll 160x120mm FR4 Epoxyd 1,55mm dick 35µm zweiseitige Leiterbahnen aufweisen.
[ATTACH=CONFIG]74438[/ATTACH]

Bin ich nun auf einen besseren Weg?
Das Routen habe ich mit dieser Version noch nicht versucht.

Die Eagle Schaltplan- und Boarddateien siehe https://winboxsimu.de/temp/4kanal/TDA729..._Board.zip

Grüße aus Berlin
Sven


Angehängte Dateien Thumbnail(s)
       
Zitieren

#26
Nach dem 33ohm würde ich noch einen 100uF platzieren
Nur der 100nF .. sehr dünn
C331 ist nicht richtig angeschlossen



Der Clip Ausgang wäre auch noch nutzbar..
Mach ne Led dran..
Oder per FET die Verstärkung reduzieren..
Zitieren

#27
@JFA
So weit ich mich erinnere hatte T+A bei den K1/3...Geräten auch den TDA verbaut.
War da Vs und PWVs direkt verbunden oder wie in #25 ?

@not0815
Mein Senf zu #25:
Trennung von Vs und PWVs ist grundsätzlich ok. aber die Datenlage von ST ist mangelhaft. (Hatten wir aber schon hier)

Ich würde zu den Kondensatoren C131/C132 (und auch den Funktionsgleichen)) noch einen Elko spendieren. Min 220µF, für den Bassbereich auch 470µF
Rechnung: 33Ohm * 2 * Pi * 220µF ergibt eine Grenzfrequenz von 22Hz

Platinengröße:
Da würde ich auf das Format 100 * 160 mm reduzieren ( = Euro-Format) ! Das ist deutlich preiswerter als dein Format.
Da du ehe das Netzteil ausgelagert hast kannst du auch C5 / C7 entfallen lassen. Dann passt es von der Größe.
Die 4 * 1000µF pro +/- Zweig sind ausreichend.

Gruß
Thomas
Zitieren

#28
Das sieht schonmal viiiel ordentlicher aus. Ich muss mal sehen wann ich da genauer drüber schauen kann. Was ich grundsätzlich anmeckern würde ist die Verteilung der Stecker. Die sind zu weit auseinander. Aber ich glaube, das kann man relativ einfach korrigieren.

@ThomasF: das war vor meiner Zeit, sber jetzt wo du das sagst erinnere ich mich, dass die irgendsoeinen Chipamp drin hatten, und ja ich glaube das war TDA...
Leider ist meine direkte Quelle dort versiegt sonst könnte ich das mal schnell in Erfahrung bringen. Über das Servicemanual müsste das gehen.
Zitieren

#29
Vom Layout her ..

Ich würde die elkos Versuchen Nah an den Chip zu bekommen.

Jetzt ist das KleinSignalzeug irgendwo zwischen Chip und Puffer.. Also im hochstomzweig.
Ungünstig ..

Vlt 2 Chips Clustern und die Elkos mittig auch das Relais viel näher Ran...
Zitieren

#30
So, etwas detaillierter draufgeschaut:
- das mit den Steckern hatte ich ja schon genannt. Stecker sind Anschlüsse für lange Leitungen, und Leitungen sind Antennen. Der von diesen "Antennen" eingefangene Störstrom fließt auf der Platine zwischen den Steckern hin und her, wenn die dann über die ganze Platine verteilt sind dann fließt der eben über die ganz Platine. Wenn eng aneinander nur ein kurzes Stück
- Die vier 100 nF Kondensatoren pro IC müssen so eng wie möglich an die Pins. Das ist eigentlich nur die halbe Wahrheit, die volle ist, dass der Teil Pin-C-Ground der gesamten Leiterschleife minimiert werden soll. Das lässt sich mMn bei diesem IC besser erreichen, wenn die Cs quer gelegt werden. Wobei mir da nicht ganz klar ist wie wichtig das ist, der hat nur einen echten GND-Anschluss, und der wird in einer der gezeigten Applikationen sogar über einen Jumper geführt Confused
- Das gleiche gilt für die 22 pF Kondensatoren, wobei ich die für weniger wichtig halte (sind eventuell sogar nur optional). Können also in die zweite Reihe rücken.
- Alles, was ein Widerstand ist bzw. mit einem Widerstand in Reihe liegt ist nicht so wichtig und darf weiter weg liegen. Ausnahme: der Rückkopplungsknoten, der muss kompakt sein. Wenn du also die Widerstände weiter weg verlegst dann kannst du die 1000u Elkos deutlich enger ran rücken. Bei dem 22u Bootstrap-Elko bin ich mir nicht sicher, in Schaltreglern oder ClassD-Verstärkern muss der eine enge Leiterschleife bilden, aber dann ist das auch kein Elko. Scheint hier nicht so wichtig zu sein. Im Zweifel möglichst nah an den Pin.
- R131 und Konsorten sind mit 33 Ohm wahrscheinlich zu groß, aber das kann man ja immer noch prüfen
- Worauf ich hier immer achte: Bauteilvarianz klein halten. Also möglichst viele gleiche Teile. Deswegen würde ich R121 et al anmeckern, der könnte ohne funktionelle Einschränkungen 680 Ohm sein. Das ist aber im Hobbybereich nicht wichtig, bei uns geht es um Rüstkosten am Bestückungsautomat, die bei den kleinen Serienläufen immer fett ins Kontor schlagen.
Zitieren

#31
Ich kann mit der Zip Datei leider nichts anfangen. Was mir aber auffällt, ist die Lage der Widerstände am Chip.
Wenn man die Kondensatoren näher zum Chip bringt und die Widerstände um 180 Grad dreht, also quer legt, sollte das die Leiterbahnen einkürzen und man kann durch die Teile routen, jedenfalls teilweise.
Neben den TDA ist auch noch Platz, da kann vielleicht ein Bauteil plaziert werden, sonst verschenkt. Überhaupt bekäme man die Platinenmaße kleiner.
Insgesamt macht das Konstrukt aber einen besseren Eindruck als der Erstentwurf.
Noch ein letzter Tipp....wenn die Siebkondensatoren mittig wären, falls möglich, werden die Versorgungstracks zu den TDA bestimmt kürzer. Die Relais vom UPC könnten rechts und links sitzen. Man kann auch zwei getrennte Kreise aufbauen...

Ich weiß, ich hab gut reden (schreiben)...Smile Ob sich was und wie umsetzen läßt, merkt man eh erst beim routen.

Pedda
Hier wird nix gewußt...
Zitieren

#32
... und warum nicht noch die Gleichrichtung mit draufpacken? Vier Dioden im TO-220 Kleid (z.B. BYV79) und es müssen nur noch die Sekundär-Kabel vom Trafo in die Schraubklemme - fertisch.

edit: upps - C5 und C7 sind ja nur noch mal zusätzliche Siebung zwischen Netzteil und den beiden 1.000µF direkt am TDA, wozu eigentlich ?
Gruß Klaus

Meinen tut der, der zum Wissen zu faul und zum Glauben zu schwach ist (Lisa Eckart)
Zitieren

#33
JFA schrieb:Über das Servicemanual müsste das gehen.

Nicht zu finden, jedenfalls ich bin nicht fündig geworden.
Jetzt weiß ich aber, dass der T+A K1 auch einen Bruder hatte (Metz HE-11).
(Das Metz SM habe ich auch nicht gefunden)

Bei T+A findet man in dieses Dokument ein Foto mit offenen Deckel:
https://www.ta-hifi.de/wp-content/uploads/k1_de.pdf
Da sind 4 TDAs oder auch LMs zu sehen.

Der Nachfolger T+A K1 AV scheint auch die gleichen Endstufen zu haben.
https://www.ta-hifi.de/wp-content/uploads/k1_av_de.pdf
Das Layout sieht sehr ähnlich aus.

Gruß
Thomas
Zitieren

#34
Das müsstest du wahrscheinlich beim Service erbetteln. Keine Ahnung, ob die das an Privatleute herausgeben. Aber das Ding ist inzwischen dermaßen alt...
Zitieren

#35
10 Stühle - 11 Meinungen

:p

Bevor er jetzt alles umschiebt .
Vlt auch vorher nochmal die Gehäusegröße prüfen

2,2uF Koppelkondensator in das Footprint..
Ein Elko. Folien passen da nicht rein.
Ggf würde ich mir Bauteile suchen und danach die Gehäuse anpassen.
Zitieren

#36
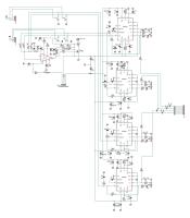
Hallo,

ich habe versucht die Hinweise umzusetzen.
Schaltplan entsprechend angepasst
[ATTACH=CONFIG]74447[/ATTACH]


und die Platine auf 160x100mm reduziert und das Layout nochmals völlig neu gestaltet.
[ATTACH=CONFIG]74446[/ATTACH]

Ich bin gespannt, was ihr dazu anzumerken habt und ob und wie ich das Routen hinbekomme.
Die Eagle Schaltplan- und Boardlayout-Dateien siehe hier


Gruß
Sven


Angehängte Dateien Thumbnail(s)
       
Zitieren

#37
Hmmpf ...

Vlt finde ich mal Zeit Eagle runterzuladen..
Target hätte ich da.
Ich würde das etwas symmetrischer machen ...
Schwer zu sagen ...


Zobel c126 r126 kann an die Anschlüsse.
Dann klaut das keinen Platz am Chip...

Sind die Klemmen für Eingänge und Ausgänge fix?
Sonst vlt versuchen 2 polige Klemmen zu nehmen um damit näher zum Chip zu kommen.
Zitieren

#38
Lustig, ich bin gerade dabei, die Schaltung in KiCAD nachzubauen. Ist auch ein wenig Eigeninteresse dabei, weil ich Mit mehr mit KiCad beschäftigen möchte. Aber wie immer fehlt die Zeit.

Das letzte Layout finde ich auch nicht mehr so dolle, das davor war ausbaufähig
Zitieren

#39
saddevil schrieb:- bei 4 AMPs würde ich kleinere ELKOs an die Stromversorgung am Chip platzieren 220µ/470µ und einen Folienkondesator 100nF parallel

Ich habe nunmehr auch noch wie empfohlen vor die Vb-Eingänge der Spannungsverstärkung 470µ Elkos gesetzt und die Serienwiderstände auf 22 Ohm reduziert.

saddevil schrieb:Ich würde die elkos Versuchen Nah an den Chip zu bekommen.

Ich habe versucht die kleinen die C (100nF) direkt vor und die anderen C (Elkos) so dich wie möglich an die IC zu bekommen. Dadurch kommen die Rs zwangsläufig weiter nach vorn

JFA schrieb:Stecker sind Anschlüsse für lange Leitungen, und Leitungen sind Antennen. Der von diesen "Antennen" eingefangene Störstrom fließt auf der Platine zwischen den Steckern hin und her, wenn die dann über die ganze Platine verteilt sind dann fließt der eben über die ganz Platine. Wenn eng aneinander nur ein kurzes Stück.

und die Steckverbinder dichter zusammen geschoben. Die Steckverbindung für die störempfindlicheren Eingangssignale habe ich jedoch dichter an die Eingangskondi (nurmehr 2,2µF Folie RM5) gesetzt.

JFA schrieb:Das letzte Layout finde ich auch nicht mehr so dolle, das davor war ausbaufähig

M.E. sieht zwar mein Entwurf zuvor etwas gleichmäßiger aus, aber ob sich dies gegenüber den kürzeren Wegen meiner dritte Version positiv auswirkt, kann ich leider nicht beurteilten. Jedenfalls ist das Routen der zweiten Version deutlich komplizierter als mit der dritten Version.

saddevil schrieb:10 Stühle - 11 Meinungen.

Ungeachtet allem habe ich mal nach Beispielen mit TDA7293 gesucht und habe keines gefunden bei dem Spannungs- und Stromverstärkung getrennt versorgt werden. Bei allen Amps die ich gefunden habe, sind die PINs 13/7, 15/8 direkt an die gleichen Vorsorgung angeschlossen. Ich werde daher erstmal eine weitere ganz einfache 4-Kanal-Version entwerfen, aufbauen und sehen was dabei rauskommt.

Danke für die Unterstützung.
Gruß Sven
Zitieren

#40
Hallo Sven,

die Ratschläge sind alle sicher gut und richtig, sprechen aber ein ganz wichtigen Punkt nicht an.
Ich habe vor Jahren auch mal ein Layout mit dem TDA7293 entworfen, Platinen bestellt und bin letztlich enttäuscht gewesen, da die Qualität der Wiedergabe sehr zu wünschen ließ. Ich habe das Layout an den Support von ST geschickt und um Rat gebeten. Im Ergebnis habe ich die Masseführung für Signal, Ausgang und Versorgung nicht korrekt ausgeführt, was sich aber durch Trennen von Leiterbahnen, etc lösen ließ.
Da die GnD-Anschlüsse sehr sensibel sind, wurde mir empfohlen, mich stark am Referenzlayout im Datenblatt zu orientieren.
Es gab mal ein Verstärkerkonzept mit Layout in der Elektor mit dem TDA7294.
Der Artikel ist leider zu groß. Ich hänge mal einen Screenschot an.

Viel Erfolg

Thomas


Angehängte Dateien Thumbnail(s)
   
Zitieren



Möglicherweise verwandte Themen…
Thema Verfasser Antworten Ansichten Letzter Beitrag
  mal wieder ... Equalizer/Dsp APO - 2xUSB-DAC für ein 2-Wege Stereo Setup Udo 17 3.799 08.01.2025, 23:41
Letzter Beitrag: Udo
  Technische Frage zum DC Blocker mit einer Endstufe... misux 3 1.799 20.11.2023, 17:00
Letzter Beitrag: gesperrter_benutzer_ct
  XTZ A2-300 - Icepower 300AS1 - Umbau zur Mono-Endstufe ala Emotiva PA-1 Brad Majors 1 2.150 23.03.2022, 23:18
Letzter Beitrag: Brad Majors
  Hypex UcD400 OEM 5-Kanal Endstufe - Aufbaufragen Tomax 51 12.250 18.12.2021, 12:03
Letzter Beitrag: Tomax
  Komplettlösung für 2 Wege mit DSP und Netzteil ArLo62 9 2.293 17.11.2021, 19:22
Letzter Beitrag: Azrael
  AVR an Endstufe - es brummt mal wieder Dale 24 8.769 03.06.2021, 08:45
Letzter Beitrag: Dale
  Passende Endstufe zum Horn RC23 74 19.458 18.03.2021, 15:27
Letzter Beitrag: gatedriver
  AVR mit aufteilbarer Vorstufe / Endstufe Dale 21 6.190 11.02.2021, 12:03
Letzter Beitrag: Dale
  Sitronik DSP mit 6 Kanal Endstufe PR54 15 9.206 24.11.2020, 15:43
Letzter Beitrag: Kalle
  Frage(n) zu Platinenlayout bzw Vorlage Kleinhorn 11 2.686 27.07.2020, 18:00
Letzter Beitrag: Kleinhorn

Gehe zu:


Benutzer, die gerade dieses Thema anschauen:
1 Gast/Gäste

Deutsche Übersetzung: MyBB.de, Powered by MyBB, © 2002-2026 Melroy van den Berg.